电脑桌面
添加小米粒文库到电脑桌面
安装后可以在桌面快捷访问

危险源辨识和风险评价控制程序JFQ.HP-O.04VIP免费

危险源辨识和风险评价控制程序JFQ.HP-O.04_第1页
1/3
危险源辨识和风险评价控制程序JFQ.HP-O.04_第2页
2/3
危险源辨识和风险评价控制程序JFQ.HP-O.04_第3页
3/3
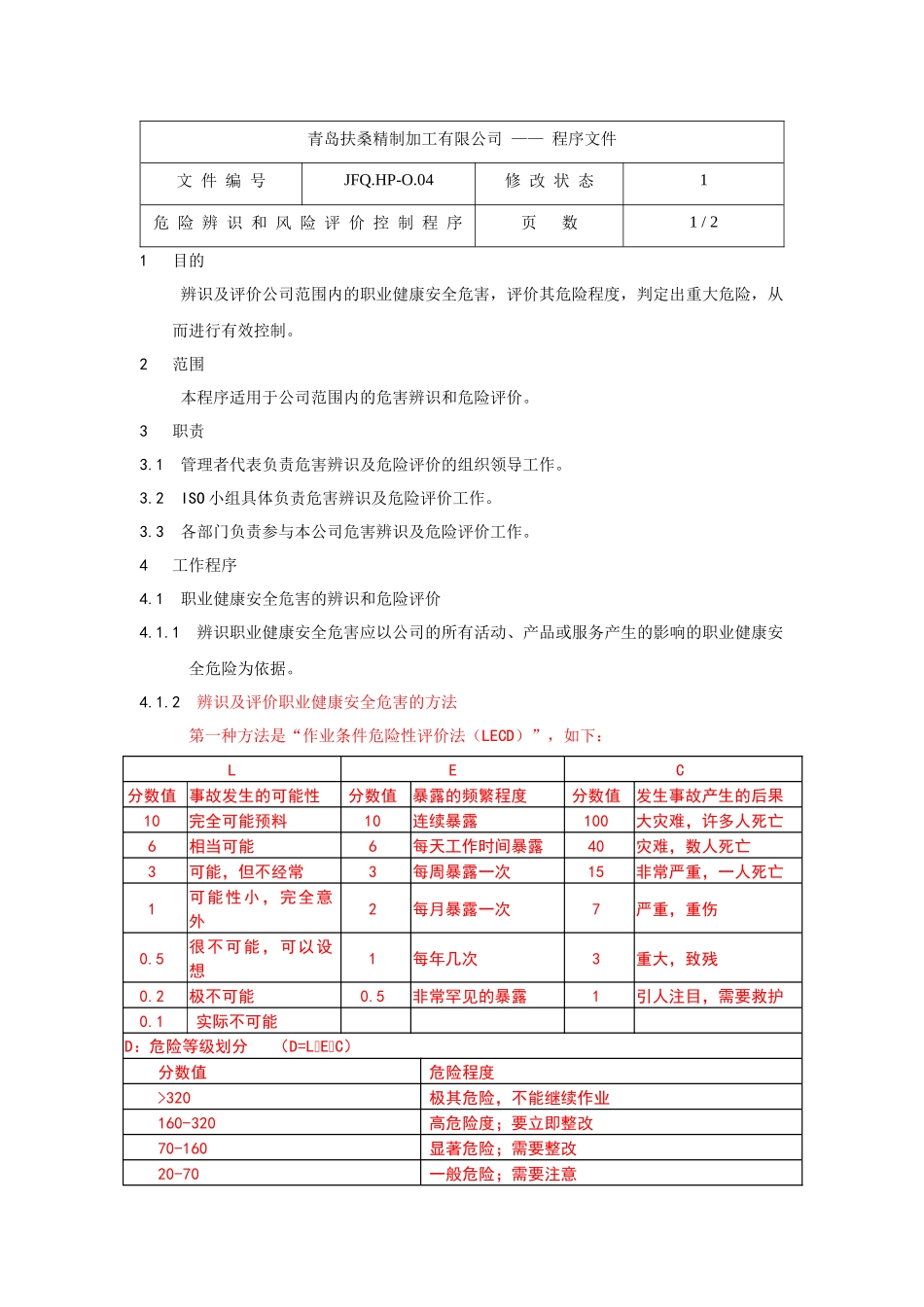
青岛扶桑精制加工有限公司——程序文件文件编号JFQ.HP-O.04修改状态1危险辨识和风险评价控制程序页数1/21目的辨识及评价公司范围内的职业健康安全危害,评价其危险程度,判定出重大危险,从而进行有效控制。2范围本程序适用于公司范围内的危害辨识和危险评价。3职责3.1管理者代表负责危害辨识及危险评价的组织领导工作。3.2ISO小组具体负责危害辨识及危险评价工作。3.3各部门负责参与本公司危害辨识及危险评价工作。4工作程序4.1职业健康安全危害的辨识和危险评价4.1.1辨识职业健康安全危害应以公司的所有活动、产品或服务产生的影响的职业健康安全危险为依据。4.1.2辨识及评价职业健康安全危害的方法第一种方法是“作业条件危险性评价法(LECD)”,如下:LEC分数值事故发生的可能性分数值暴露的频繁程度分数值发生事故产生的后果10完全可能预料10连续暴露100大灾难,许多人死亡6相当可能6每天工作时间暴露40灾难,数人死亡3可能,但不经常3每周暴露一次15非常严重,一人死亡1可能性小,完全意外2每月暴露一次7严重,重伤0.5很不可能,可以设想1每年几次3重大,致残0.2极不可能0.5非常罕见的暴露1引人注目,需要救护0.1实际不可能D:危险等级划分(D=LEC)分数值危险程度>320极其危险,不能继续作业160-320高危险度;要立即整改70-160显著危险;需要整改20-70一般危险;需要注意<20稍有危险,可以接受青岛扶桑精制加工有限公司——程序文件文件编号JFQ.HP-O.04修改状态1危险辨识和风险评价控制程序页数2/2第二种方法是“临界值”法,依据《GB18218-2000重大危险源辨识》标准。4.1.3职业健康安全危害辨识和危险评价由总务部负责,各部门参与。4.2重大职业健康安全的危害辨识和危险评价4.2.1采用以上两种方法,对职业健康安全危害进行辨识与危险评价,填写在《危险因素辨识和风险评价记录》,并确定出重大的职业健康安全危险,填写在《重大危险清单》。4.2.2重大职业健康安全危害的辨识和危险评价是公司制定OHSAS目标和指标的基础和依据。4.3公司每年应进行至少一次职业健康安全危害和重大职业健康安全危害辨识和危险评价。4.4职业健康安全危害和重大的职业健康安全危害的辨识和危险评价的主要人员应接受专业培训。4.5职业健康安全危险记录公司建立并维持辨识和评价职业健康安全危害和重大职业健康安全危害的记录,并保持记录的更新。5引用文件GB18218-2000重大危险源辨识6记录6.1危害因素辨识和风险评价记录6.2重大危险清单青岛扶桑精制加工有限公司危害因素辨识和风险评价记录序号活动/产品/服务(发生点)危险因素危险程度危险影响类别时态状态危险程度法规及符合性控制措施控制现状LEC物理化学生物心理生理行为其他123456789101112

1、当您付费下载文档后,您只拥有了使用权限,并不意味着购买了版权,文档只能用于自身使用,不得用于其他商业用途(如 [转卖]进行直接盈利或[编辑后售卖]进行间接盈利)。
2、本站所有内容均由合作方或网友上传,本站不对文档的完整性、权威性及其观点立场正确性做任何保证或承诺!文档内容仅供研究参考,付费前请自行鉴别。
3、如文档内容存在违规,或者侵犯商业秘密、侵犯著作权等,请点击“违规举报”。

碎片内容

危险源辨识和风险评价控制程序JFQ.HP-O.04

您可能关注的文档

确认删除?
VIP
微信客服
  • 扫码咨询
会员Q群
  • 会员专属群点击这里加入QQ群
客服邮箱
回到顶部