电脑桌面
添加小米粒文库到电脑桌面
安装后可以在桌面快捷访问

卫生器具及给水配件安装工程检验批质量验收记录表VIP免费

卫生器具及给水配件安装工程检验批质量验收记录表_第1页
1/1
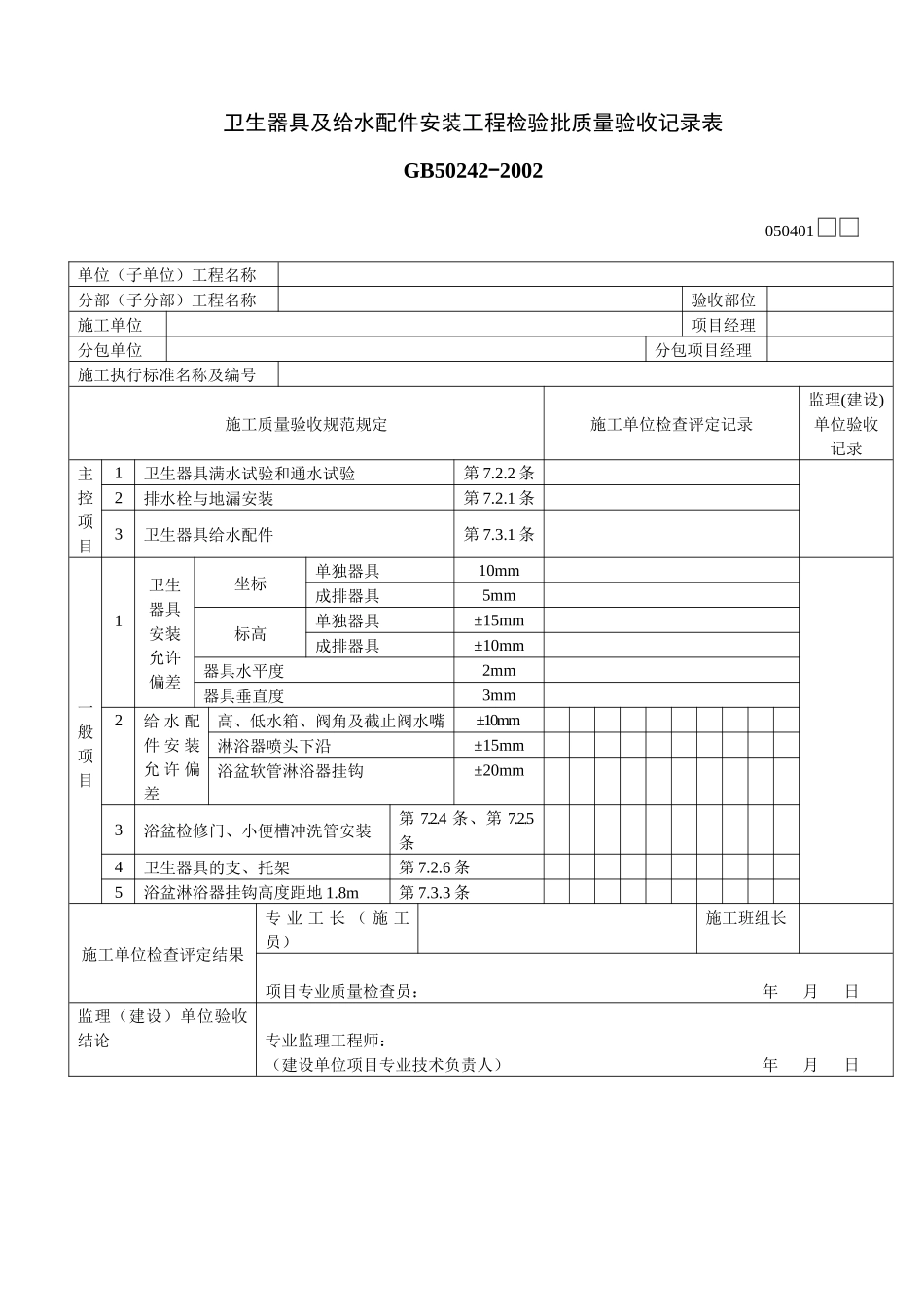
卫生器具及给水配件安装工程检验批质量验收记录表GB50242-2002050401单位(子单位)工程名称分部(子分部)工程名称验收部位施工单位项目经理分包单位分包项目经理施工执行标准名称及编号施工质量验收规范规定施工单位检查评定记录监理(建设)单位验收记录主控项目1卫生器具满水试验和通水试验第7.2.2条2排水栓与地漏安装第7.2.1条3卫生器具给水配件第7.3.1条一般项目1卫生器具安装允许偏差坐标单独器具10mm成排器具5mm标高单独器具±15mm成排器具±10mm器具水平度2mm器具垂直度3mm2给水配件安装允许偏差高、低水箱、阀角及截止阀水嘴±10mm淋浴器喷头下沿±15mm浴盆软管淋浴器挂钩±20mm3浴盆检修门、小便槽冲洗管安装第7.2.4条、第7.2.5条4卫生器具的支、托架第7.2.6条5浴盆淋浴器挂钩高度距地1.8m第7.3.3条施工单位检查评定结果专业工长(施工员)施工班组长项目专业质量检查员:年月日监理(建设)单位验收结论专业监理工程师:(建设单位项目专业技术负责人)年月日

1、当您付费下载文档后,您只拥有了使用权限,并不意味着购买了版权,文档只能用于自身使用,不得用于其他商业用途(如 [转卖]进行直接盈利或[编辑后售卖]进行间接盈利)。
2、本站所有内容均由合作方或网友上传,本站不对文档的完整性、权威性及其观点立场正确性做任何保证或承诺!文档内容仅供研究参考,付费前请自行鉴别。
3、如文档内容存在违规,或者侵犯商业秘密、侵犯著作权等,请点击“违规举报”。

碎片内容

卫生器具及给水配件安装工程检验批质量验收记录表

确认删除?
VIP
微信客服
  • 扫码咨询
会员Q群
  • 会员专属群点击这里加入QQ群
客服邮箱
回到顶部