电脑桌面
添加小米粒文库到电脑桌面
安装后可以在桌面快捷访问

本质安全型防爆技术VIP免费

本质安全型防爆技术_第1页
1/25
本质安全型防爆技术_第2页
2/25
本质安全型防爆技术_第3页
3/25
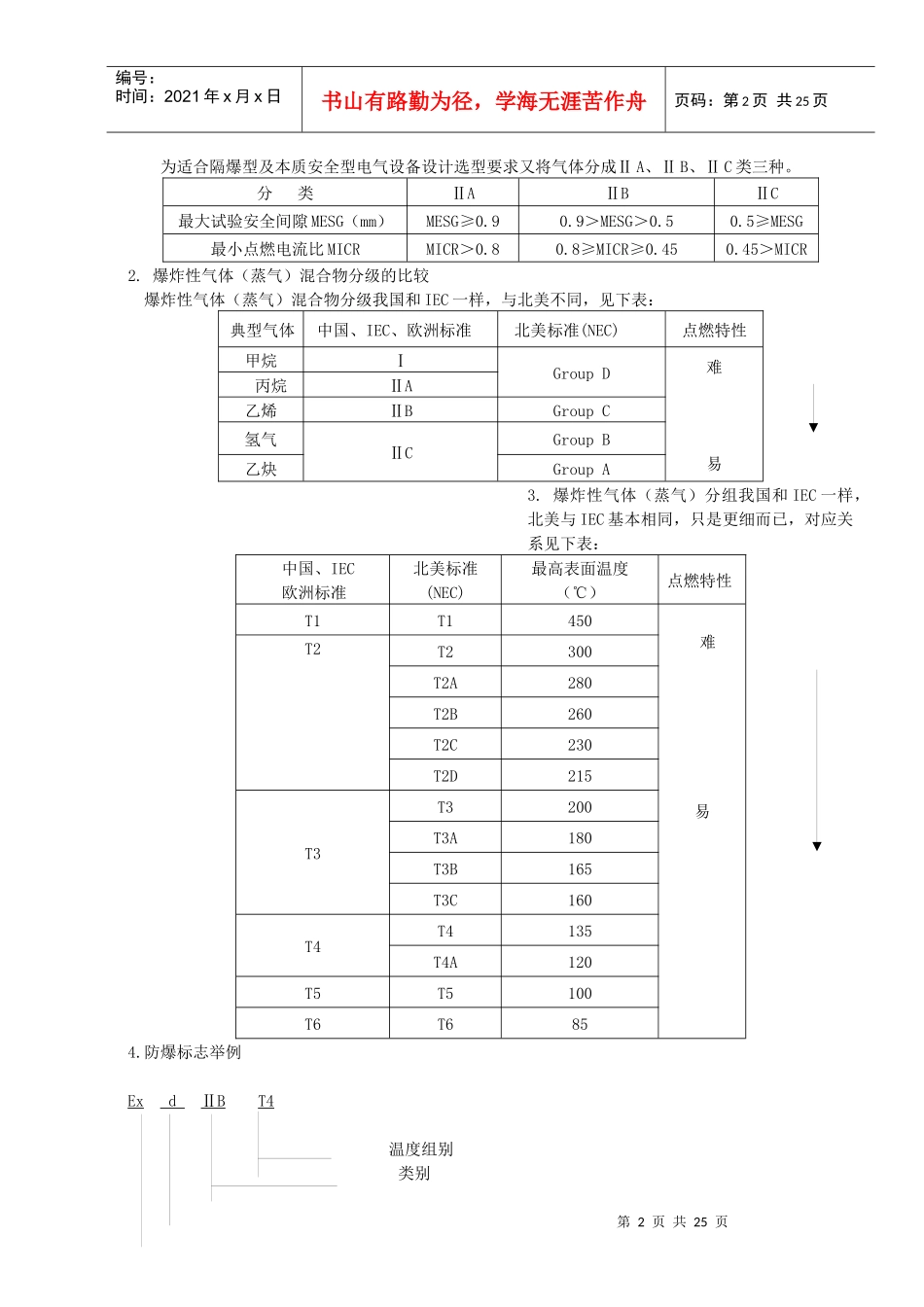
第1页共25页编号:时间:2021年x月x日书山有路勤为径,学海无涯苦作舟页码:第1页共25页第一章爆炸性气体环境的基本知识一引言随着石油、化工、煤矿等工业的发展,防止爆炸性事故的发生,越来越引起人们的重视,但是在生产过程中又难免会产生爆炸性物质的泄漏,形成爆炸性气体危险场所。据资料介绍,煤矿井下约有2/3场所,石油开采和精炼厂约有60%-80%场所为爆炸性危险场所,所以使用在这些场所的电气设备都必须采取防爆措施,才能避免成为危险点燃源。二爆炸的基本观念要了解爆炸就要熟悉燃烧现象。燃烧现象的出现同时具备以下三个条件:即要有可燃物质、助燃物质和点燃源,三者缺一不可。燃烧是一种化学反应。它是可燃物质在点燃源能量的作用下,在空气或氧气中,进行化学反应,引起温度的升高,释放出热辐射及光辐射的现象。如果燃烧速度急剧加快,温度猛烈上升,导致燃烧生成物和周围空气激烈膨胀,形成巨大的爆破力和冲击波并发出强光和声响,这就是爆炸。爆炸分凝聚相爆炸和分散相爆炸两类。凝聚相爆炸指炸药类的爆炸,分散相爆炸指爆炸性气体环境中形成的爆炸。三爆炸性气体(蒸气)混合物的几个主要参数1.闪点闪点是指在标准条件下,使液体变成蒸气的数量能够形成可燃性气体/空气混合物的最低液体温度。液体的闪点越低,引燃的危险程度越大。如环氧丙烷的闪点为-37.2℃,不仅在冬天户外场所蒸发蒸气,而且在常温时会快速蒸发蒸气。液体周围环境温度是影响液体蒸发的主要依据。我国规定了最高环境温度为45℃作为分界线,闪点高于45℃的称可燃性液体;闪点低于45℃的称易燃性液体。可燃性液体在常温储存没有爆炸危险性。但当可燃性液体呈雾状颗粒状态及操作温度高于液体闪点时同样有爆炸危险性。2.爆炸极限与范围爆炸极限是指可燃性气体(蒸气)与空气形成的混合物,能引起爆炸的最低浓度(爆炸下限)或最高浓度(爆炸上限),介与爆炸下限和上限中间的浓度范围称爆炸范围。爆炸范围越大,则形成爆炸性混合物的机会越多;爆炸下限越低,则形成爆炸的条件越易。3.相对密度密度是指单位体积的物质质量。相对密度是指可燃性气体(蒸气)与空气密度的比值(空气为1)。相对密度是研究爆炸性混合物扩散范围的重要依据。比空气轻的可燃性气体(蒸气)会扩散至周围空间的上部区域,比空气重的可燃性气体(蒸气)停留在周围的空间下部区域。四爆炸性气体(蒸气)混合物的分类、分组1.爆炸性气体(蒸气)混合物分类:中国:Ⅰ类(煤矿井下甲烷气)、Ⅱ类(工厂内的爆炸性气体混合物)、Ⅲ类(爆炸性粉尘和纤维)北美:ClassⅠ(爆炸性气体);ClassⅡ(爆炸性粉尘);ClassⅢ(纤维)第2页共25页第1页共25页编号:时间:2021年x月x日书山有路勤为径,学海无涯苦作舟页码:第2页共25页为适合隔爆型及本质安全型电气设备设计选型要求又将气体分成ⅡA、ⅡB、ⅡC类三种。分类ⅡAⅡBⅡC最大试验安全间隙MESG(mm)MESG≥0.90.9>MESG>0.50.5≥MESG最小点燃电流比MICRMICR>0.80.8≥MICR≥0.450.45>MICR2.爆炸性气体(蒸气)混合物分级的比较爆炸性气体(蒸气)混合物分级我国和IEC一样,与北美不同,见下表:典型气体中国、IEC、欧洲标准北美标准(NEC)点燃特性甲烷ⅠGroupD难易丙烷ⅡA乙烯ⅡBGroupC氢气ⅡCGroupB乙炔GroupA3.爆炸性气体(蒸气)分组我国和IEC一样,北美与IEC基本相同,只是更细而已,对应关系见下表:中国、IEC欧洲标准北美标准(NEC)最高表面温度(℃)点燃特性T1T1450难易T2T2300T2A280T2B260T2C230T2D215T3T3200T3A180T3B165T3C160T4T4135T4A120T5T5100T6T6854.防爆标志举例ExdⅡBT4温度组别类别第3页共25页第2页共25页编号:时间:2021年x月x日书山有路勤为径,学海无涯苦作舟页码:第3页共25页防爆型式(隔爆型)防爆总标志ExeⅡT3温度组别类别防爆型式(增安型)防爆总标志ExiaⅡAT6温度组别类别防爆型式(本安型)防爆总标志五爆炸性气体(蒸气)环境的划分1.爆炸性气体(蒸气)环境的分区世界各国对危险场所区域划分不同,但大致分为两大派系:我国和大多数欧洲国家采用国际电工委员会(IEC)的划分方法,而以美国和加拿大为主要代表的其他国家则采用北美划分方法。1)我国对...

1、当您付费下载文档后,您只拥有了使用权限,并不意味着购买了版权,文档只能用于自身使用,不得用于其他商业用途(如 [转卖]进行直接盈利或[编辑后售卖]进行间接盈利)。
2、本站所有内容均由合作方或网友上传,本站不对文档的完整性、权威性及其观点立场正确性做任何保证或承诺!文档内容仅供研究参考,付费前请自行鉴别。
3、如文档内容存在违规,或者侵犯商业秘密、侵犯著作权等,请点击“违规举报”。

碎片内容

本质安全型防爆技术

您可能关注的文档

确认删除?
VIP
微信客服
  • 扫码咨询
会员Q群
  • 会员专属群点击这里加入QQ群
客服邮箱
回到顶部