电脑桌面
添加小米粒文库到电脑桌面
安装后可以在桌面快捷访问

黑龙江省地方标准-森林采伐更新技术规程VIP免费

黑龙江省地方标准-森林采伐更新技术规程_第1页
1/18
黑龙江省地方标准-森林采伐更新技术规程_第2页
2/18
黑龙江省地方标准-森林采伐更新技术规程_第3页
3/18
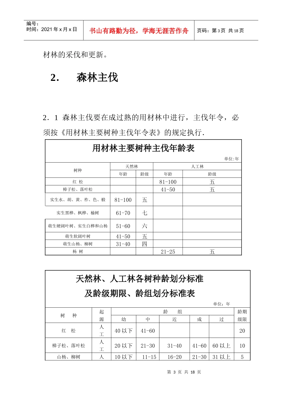
第1页共18页编号:时间:2021年x月x日书山有路勤为径,学海无涯苦作舟页码:第1页共18页DB黑龙江省地方标准DB/2300B64001-88―――――――――――――――森林采伐更新技术规程1988-03-15发布1988-03-15实施―――――――――――――――黑龙江省标准计量局批准目录1主要内容及适用范围……………………………(1)2森林主伐……………………………………………(2)3用材林的抚育问伐…………………………………(7)4低产林改造…………………………………………(15)5森林更新……………………………………………(18)6伐区作业……………………………………………(19)7采伐更新管理………………………………………(23)8调查设计办法………………………………………(35)第2页共18页第1页共18页编号:时间:2021年x月x日书山有路勤为径,学海无涯苦作舟页码:第2页共18页黑龙江省地方标准森林采伐更新技术规程DB/2300B64001—881.主要内容及适用范围1.1为合理采伐,及时恢复和扩大击林资源,实观越采越多,越采越好,青山常在,永续利用,更好地发挥森林多种效益。根据林业部发布的《森林采伐更新管理办法》和《国有林抚育间伐、低产林改造技术试行规程》,参考围际有关技术资料,吸取了国内先进的科研成果,结合我省实际情况,制订本规程。1.2森林采伐更新应贯彻“以营林为基础,普遍护林,大力造林,采育结合,永续利用”的林业建设方针,认真执行《森林法》,编制和执行森林经营方案,实行限额采伐科学地、有计划地组织采伐和更新。1.3采伐要切实保证作业质量,严禁破坏森林资源。森林采伐后由组织采伐单位负责及时更新。1.4本规程适用于国营林场、农牧场、矿山、煤炭、机关、部队、团体、学校等企业事业单位和集体及个人经营的用第3页共18页第2页共18页编号:时间:2021年x月x日书山有路勤为径,学海无涯苦作舟页码:第3页共18页材林的采伐和更新。2.森林主伐2.1森林主伐要在成过熟的用材林中进行,主伐年令,必须按《用材林主要树种主伐年令表》的规定执行.用材林主要树种主伐年龄表单位:年树种天然林人工林年龄龄级年龄龄级红松81-100五樟子松、落叶松41-50五实生水、胡、黄、柞、色、椴81-100五实生黑桦、枫桦、榆树61-70七萌生硬阔叶树、实生白桦和山杨51-60六萌生软阔叶树41-50五萌生山杨、柳树31-40四杨树21-25五天然林、人工林各树种龄划分标准及龄级期限、龄组划分标准表单位:年树种起龄组龄期源幼中近成过级限红松人工40以下41-6020樟子松、落叶松人工20以下21-3031-4041-6060以上10山杨、柳树人10以下11-1516-2021-3031以上5第4页共18页第3页共18页编号:时间:2021年x月x日书山有路勤为径,学海无涯苦作舟页码:第4页共18页工天然10以下11-2021-3031-4041以上10黑桦、杨类、椴树、榆树天然30以下31-5051-6061-8081以上20水、胡、黄、色、实生柞天然40以下41-6061-8020萌生柞、白桦天然20以下21-4041-5051-7071以上102.2用材林的主伐方式规定为择伐、皆伐、渐伐。2.2.1择伐2.2.1.1中、幼令树木多的复层异令林,择伐强度不得大于伐前蓄积的40%,伐后林分郁闭度应保留o.5以上。2.2.1.2伐后容易引起林木风倒、自然枯死的林分,择伐强度不得大子伐前蓄积的30%:伐后林分郁闭度应保留在o.6以上。2.2.1.3林木成熟令差异大,成过熟木占四成以上的天然次生林可以采伐成过熟木,保留未成熟木,抚育幼、中令树,伐后平均郁闭度要大于o.3,每公顷保留胸径8厘米以上林木300株以上。采伐后空地造林,疏林补植,形成针阔混交林。2:.1.4对林令差异大,镶嵌性强,呈群状(面积不超过l公顷)分布,又不能单独区划小班的林分,可以进行群状择第5页共18页第4页共18页编号:时间:2021年x月x日书山有路勤为径,学海无涯苦作舟页码:第5页共18页伐,采伐时抚育保留木,及时进行人工更新,形成针阔混交林。择伐的回归年一般不应少于一个令级期。2.2.2皆伐,主要适用于平缓地带的成、过熟单层林,中、幼令树木少的异令林。2.2.2.120度以上山地森林不准皆伐;2.2.2.220度以下,10度以上山地森林皆伐面积不得超过5公顷,2.2.2.310度以下,土壤肥沃...

1、当您付费下载文档后,您只拥有了使用权限,并不意味着购买了版权,文档只能用于自身使用,不得用于其他商业用途(如 [转卖]进行直接盈利或[编辑后售卖]进行间接盈利)。
2、本站所有内容均由合作方或网友上传,本站不对文档的完整性、权威性及其观点立场正确性做任何保证或承诺!文档内容仅供研究参考,付费前请自行鉴别。
3、如文档内容存在违规,或者侵犯商业秘密、侵犯著作权等,请点击“违规举报”。

碎片内容

黑龙江省地方标准-森林采伐更新技术规程

您可能关注的文档

确认删除?
VIP
微信客服
  • 扫码咨询
会员Q群
  • 会员专属群点击这里加入QQ群
客服邮箱
回到顶部