电脑桌面
添加小米粒文库到电脑桌面
安装后可以在桌面快捷访问

游泳池设备设备造型设计手册1-3doc-游泳池设备设备造VIP免费

游泳池设备设备造型设计手册1-3doc-游泳池设备设备造_第1页
1/5
游泳池设备设备造型设计手册1-3doc-游泳池设备设备造_第2页
2/5
游泳池设备设备造型设计手册1-3doc-游泳池设备设备造_第3页
3/5
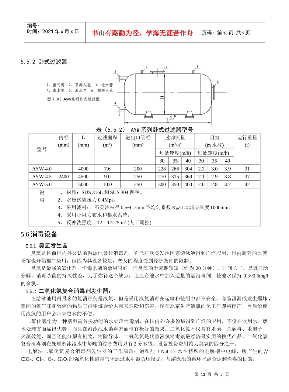
第13页共5页编号:时间:2021年x月x日书山有路勤为径,学海无涯苦作舟页码:第13页共5页5.5.2卧式过滤器表(5.5.2)AYW系列卧式过滤器型号型号内径(mm)L(mm)过滤面积(m2)进出口管径(mm)过滤流量(m3/h)阻力(m水柱)运行重量(t)过滤速度(m/h)过滤速度(m/h)303540303540AYW-4.040007.62002282663042.23.03.931AYW-4.5240045009.02502703153602.12.93.837AYW-5.0500010.02503003504002.02.83.742说明1、材质:SUS316L和SUS304两种。2、水压试验压力0.4Mpa。3、采用滤料:石英沙粒径0.5~0.7mm,不均匀系数K80≤1.4滤层厚度1000mm。4、采用小阻力布水和集水系统。5、反冲洗强度12—17L/S.m2(人工调控)5.6消毒设备5.6.1臭氧发生器臭氧是目前国内外公认的游泳池最佳消毒剂,它已在欧美发达国家游泳池得到广泛应用,国内新建的比赛场馆也开始推广应用,但因为其设备较贵,普及的程度受到经济条件的限制。臭氧是最强的氧化剂,消毒杀菌的效果很好,但臭氧的半衰期较短(约为20分钟),时间长了,臭氧自动分解,消毒杀菌的持久性差,为了弥补这个缺点,还应在池水中加入适量的氯消毒剂,使池水保持0.3~0.6mg/l的余氯。5.6.2二氧化氯复合消毒剂发生器:在游泳池用得最多的氯消毒剂是液氯,但是采用液氯消毒在运输和使用中都不安全,容易泄漏或发生爆炸,难闻的氯气味和致癌的物质三卤甲烷会给人带来危险和伤害。现在北京生产液氯的化工厂即将停产,今后给使用液氯的用户会带来更多的不便。二氧化氯作为一种新型高效多功能的水处理消毒剂,在国内外许多领域得到广泛的应用,不仅在饮用水、废水处理方面显出优势,而且在游泳池水消毒方面也有极好的效果。二氧化氯不仅具有杀菌、杀病毒、杀孢子、灭藻效能,而且还能分解有机物,消除异味。二氧化氯是代替液氯消毒剂最经济最实用的换代产品。二氧化氯复合消毒剂在处理游泳池水中每吨的综合费用只有2分多钱。设备投资费用约为臭氧的四分之一。电解法二氧化氯复合消毒剂发生器的工作原理:饱和盐(NaCI)水在特殊的电解槽中电解,所产生的含CIO2、CI2、O2、H2O2的强氧化性消毒气体通过水射器负压投加,与游泳池的循环水混合达到消毒的目的。第14页共5页第13页共5页编号:时间:2021年x月x日书山有路勤为径,学海无涯苦作舟页码:第14页共5页我公司和有关科研单位联合研制的YHD系列二氧化氯复合消毒剂发生器,不会产生致癌物质三卤甲烷,消毒剂现产现用,十分安全可靠。原料易购易贮存,运输成本低,设备操作简单。按游泳池给排水设计规程规定的氯消毒投加量投加,游泳池的水质能达到国家规定的卫生标准。表(5.6.2)电解法二氧化氯复合消毒剂发生器参数规格消毒剂产量(g/h)耗盐量(g/h)功率(kw)主机外形尺寸处理饮用水处理泳池水YHD-5050800.43单相840×680×80035-508-20YHD-1001001600.85单相840×800×82065-10015-50YHD-2002003201.7单相870×820×950130-20040-100YHD-4004006403.4三相900×800×1140260-40080-200YHD-6006009605.1三相900×1100×1140400-600120-300YHD-80080012806.8三相900×1200×1140720-800160-400YHD-1000100016008.5三相900×1400×1140900-1000200-5005.7加热换热设备5.7.2热源条件:(1)大型游泳池需要大功率的热源给池水加热,燃煤锅炉经济性最好,但对环境污染大,有的大中城市已限建燃煤锅炉房,如能依靠市政供热管网,也是最好的选择。(2)大中型游泳池也可以考虑利用燃油(气)锅炉。表(5.7.2)列出不同容积的泳池应选油(气)锅炉的型号与功率,CW1.05代表额定功率为1.05MW的卧式常压燃油(气)热水锅炉,CL0.7代表额定功率为0.7MW的立式常压燃油(气)热水锅炉.(3)从经济与环保两方面综合考虑,选择水源热泵技术给游泳池水加热是最明智的选择。由于近年大功率浅井水源热泵技术的迅速发展,已为游泳池采用这项新技术铺平了道路。表(5.7.2)列出不同容积游泳池可选用的热泵型号。数据表明浅井水源热泵即使在我国北方的严冬季节里也可以利用150C的浅井水源提供4倍于消耗电能的热功率.(4)太阳能给游泳池水加热是经济与环保都最佳的办法,但目前主要用于小游泳池,将来如能解决将夏天的太阳能热水储存到冬天供池水加热,就有可...

1、当您付费下载文档后,您只拥有了使用权限,并不意味着购买了版权,文档只能用于自身使用,不得用于其他商业用途(如 [转卖]进行直接盈利或[编辑后售卖]进行间接盈利)。
2、本站所有内容均由合作方或网友上传,本站不对文档的完整性、权威性及其观点立场正确性做任何保证或承诺!文档内容仅供研究参考,付费前请自行鉴别。
3、如文档内容存在违规,或者侵犯商业秘密、侵犯著作权等,请点击“违规举报”。

碎片内容

游泳池设备设备造型设计手册1-3doc-游泳池设备设备造

您可能关注的文档

确认删除?
VIP
微信客服
  • 扫码咨询
会员Q群
  • 会员专属群点击这里加入QQ群
客服邮箱
回到顶部