电脑桌面
添加小米粒文库到电脑桌面
安装后可以在桌面快捷访问

第一章 消防应急广播设备2VIP专享VIP免费

第一章 消防应急广播设备2_第1页
1/13
第一章 消防应急广播设备2_第2页
2/13
第一章 消防应急广播设备2_第3页
3/13
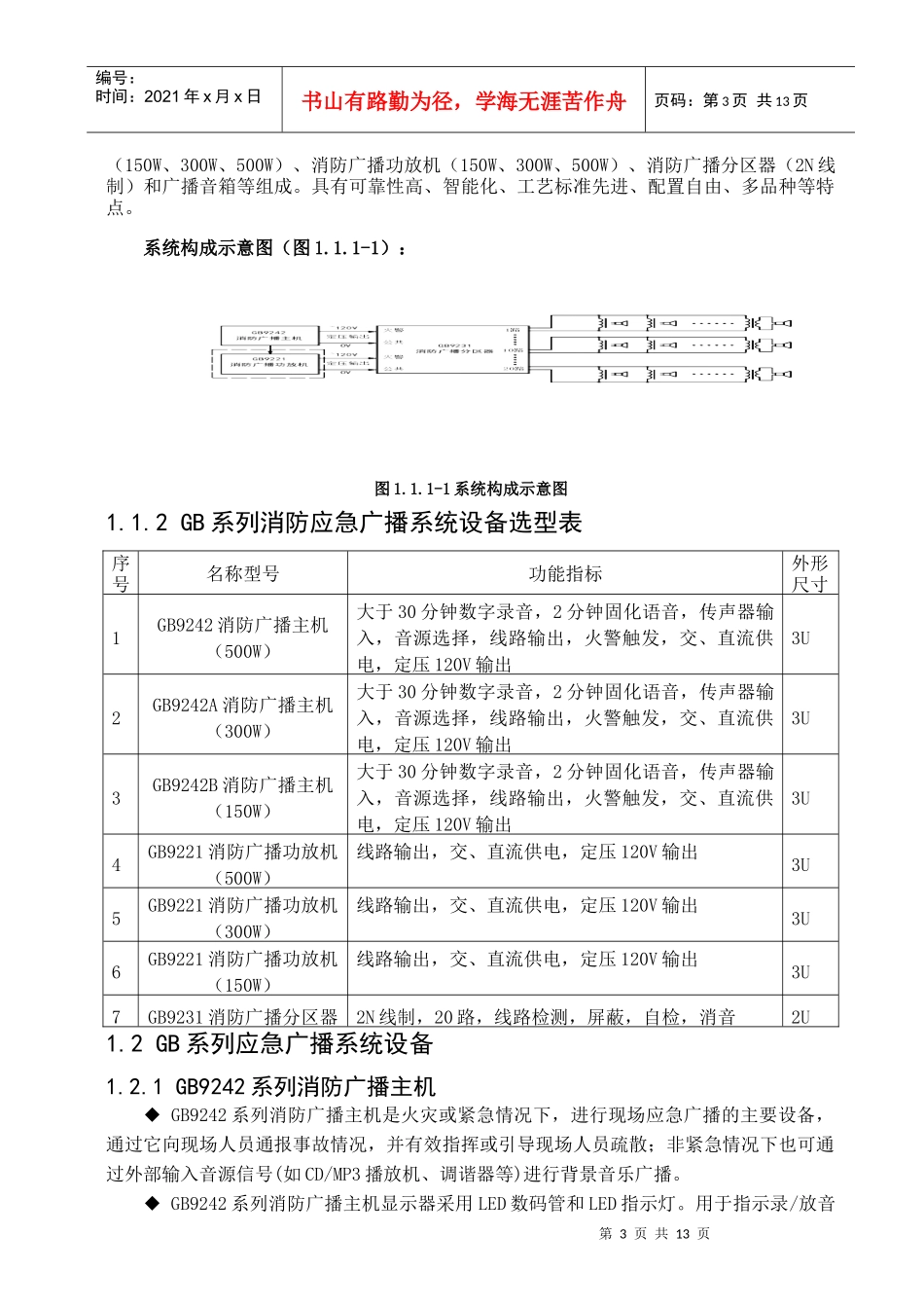
第1页共13页编号:时间:2021年x月x日书山有路勤为径,学海无涯苦作舟页码:第1页共13页第一章消防应急广播系统第2页共13页第1页共13页编号:时间:2021年x月x日书山有路勤为径,学海无涯苦作舟页码:第2页共13页1.1系统介绍1.1.1消防应急广播系统组成应急广播系统是在火灾或紧急情况下通过控制功率放大器和扬声器进行应急广播的设备,它的主要功能是:向现场人员通报火灾情况,指挥并引导现场人员疏散。石家庄市凯拓电子技术工程公司经多年努力,不断完善,已推出了符合国家标准,适用于消防领域的GB系列应急广播系统。该系统主要由GB系列的消防广播主机第3页共13页第2页共13页编号:时间:2021年x月x日书山有路勤为径,学海无涯苦作舟页码:第3页共13页(150W、300W、500W)、消防广播功放机(150W、300W、500W)、消防广播分区器(2N线制)和广播音箱等组成。具有可靠性高、智能化、工艺标准先进、配置自由、多品种等特点。系统构成示意图(图1.1.1-1):图1.1.1-1系统构成示意图1.1.2GB系列消防应急广播系统设备选型表序号名称型号功能指标外形尺寸1GB9242消防广播主机(500W)大于30分钟数字录音,2分钟固化语音,传声器输入,音源选择,线路输出,火警触发,交、直流供电,定压120V输出3U2GB9242A消防广播主机(300W)大于30分钟数字录音,2分钟固化语音,传声器输入,音源选择,线路输出,火警触发,交、直流供电,定压120V输出3U3GB9242B消防广播主机(150W)大于30分钟数字录音,2分钟固化语音,传声器输入,音源选择,线路输出,火警触发,交、直流供电,定压120V输出3U4GB9221消防广播功放机(500W)线路输出,交、直流供电,定压120V输出3U5GB9221消防广播功放机(300W)线路输出,交、直流供电,定压120V输出3U6GB9221消防广播功放机(150W)线路输出,交、直流供电,定压120V输出3U7GB9231消防广播分区器2N线制,20路,线路检测,屏蔽,自检,消音2U1.2GB系列应急广播系统设备1.2.1GB9242系列消防广播主机◆GB9242系列消防广播主机是火灾或紧急情况下,进行现场应急广播的主要设备,通过它向现场人员通报事故情况,并有效指挥或引导现场人员疏散;非紧急情况下也可通过外部输入音源信号(如CD/MP3播放机、调谐器等)进行背景音乐广播。◆GB9242系列消防广播主机显示器采用LED数码管和LED指示灯。用于指示录/放音第4页共13页第3页共13页编号:时间:2021年x月x日书山有路勤为径,学海无涯苦作舟页码:第4页共13页进度及各种状态。按键采用轻触式按键,进行各功能转换并由指示灯指示当前状态。◆GB9242系列消防广播主机内置一路消防应急广播音源(固化语音)和两路外部辅助输入(线路Ⅰ、线路Ⅱ),可通过面板随意切换。广播音源也可通过外部电平触发信号强制切换至应急广播状态,信号撤消后恢复至切换前状态。同时广播主机还包含两路单声道输出接口,可以将当前广播音源输出至其他设备,如GB9221消防广播功放机。◆GB9242系列消防广播主机随机附件包含专用传声器(手持送话器)。应急广播状态下可通过它进行现场广播,广播内容会被自动记录以备查询;非应急状态下也可通过它对现场广播,此时录音不会被记录,传声器广播时其他音乐信号会被自动抑制。◆GB9242系列消防广播主机内部采用了优质环形电源变压器,静态耗电小且带载能力强;完善的过压、过载、过温保护电路,发生故障时报警;具有自检、监听、应急广播音量预置等功能。◆输出功率分为150W、300W、500W三个系列。◆执行标准:《消防联动控制系统GB16806-2006》。◆通过公安部消防产品合格评定中心CCCF认证。一、外形结构及功能1)外形尺寸(见图1.2.1-1)图1.2.1-1外形尺寸图面板功能说明:1.电源开关。2.电源指示灯:电源接入时,电源指示灯点亮(绿色)。3.话筒输入:将专用传声器(随机附件)插入此插孔。4.录放指示:在录制固化语音时表示已录制时间,其他情况的数字表示当前段号,段号最大为99,录放音时间大于30分钟。5.数字录放键区:在火警触发时自动录音,手动操作检索或放音。第5页共13页第4页共13页编号:时间:2021年x月x日书山有路勤为径,学海无涯苦作舟页码:第5页共13页6.音量指示:用于指示音量调节旋...

1、当您付费下载文档后,您只拥有了使用权限,并不意味着购买了版权,文档只能用于自身使用,不得用于其他商业用途(如 [转卖]进行直接盈利或[编辑后售卖]进行间接盈利)。
2、本站所有内容均由合作方或网友上传,本站不对文档的完整性、权威性及其观点立场正确性做任何保证或承诺!文档内容仅供研究参考,付费前请自行鉴别。
3、如文档内容存在违规,或者侵犯商业秘密、侵犯著作权等,请点击“违规举报”。

碎片内容

第一章 消防应急广播设备2

确认删除?
VIP
微信客服
  • 扫码咨询
会员Q群
  • 会员专属群点击这里加入QQ群
客服邮箱
回到顶部