电脑桌面
添加小米粒文库到电脑桌面
安装后可以在桌面快捷访问

施工现场形象宣传内业VIP免费

施工现场形象宣传内业_第1页
1/11
施工现场形象宣传内业_第2页
2/11
施工现场形象宣传内业_第3页
3/11
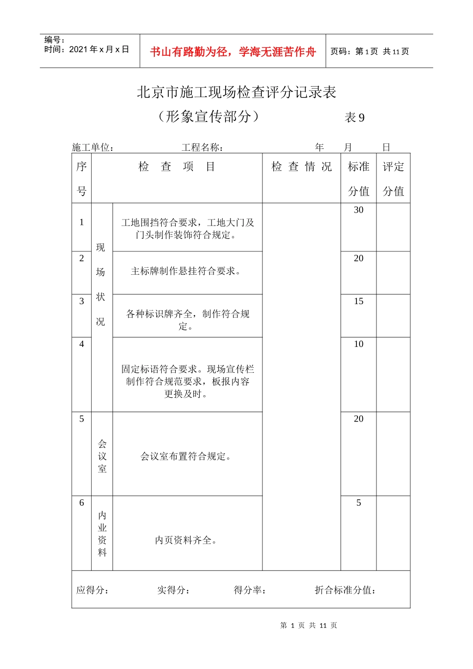
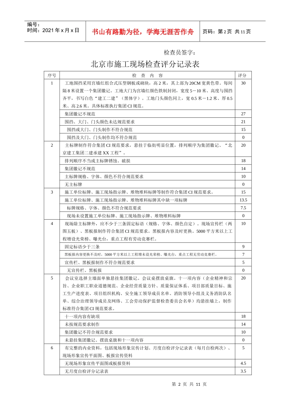
第1页共11页编号:时间:2021年x月x日书山有路勤为径,学海无涯苦作舟页码:第1页共11页北京市施工现场检查评分记录表(形象宣传部分)表9施工单位:工程名称:年月日序号检查项目检查情况标准分值评定分值1现场状况工地围挡符合要求,工地大门及门头制作装饰符合规定。302主标牌制作悬挂符合要求。203各种标识牌齐全,制作符合规定。154固定标语符合要求。现场宣传栏制作符合规范要求,板报内容更换及时。105会议室会议室布置符合规定。206内业资料内页资料齐全。5应得分:实得分:得分率:折合标准分值:第2页共11页第1页共11页编号:时间:2021年x月x日书山有路勤为径,学海无涯苦作舟页码:第2页共11页检查员签字:北京市施工现场检查评分记录表序号检查内容评分1工地围挡采用宫墙红组合式压型钢板或砌块,高2米,其上部为20CM宽黄色带。每间隔8米设置一个集团徽记。工地大门为宫墙红颜色铁制封闭,宽度5-10米、高度与围挡齐平,书写白色“建工二建”(黑体字)。工地门头颜色同上,宽0.5米-1.2米、厚0.5米、高2.6米。具体标准执行集团CI规范。30集团徽记不规范27围挡、大门、门头颜色未达规范要求21围挡或大门、门头制作不符合规范15围挡及大门、门头制作均不符合规范02主标牌制作符合集团CI规范要求,悬挂于临街明显位置,排列顺序为集团徽记、“北京建工集团二建承建XX工程”。20排列顺序不当或主标牌锈蚀、破损18集团徽记不规范14主标牌规格、字体、颜色不符合规范要求10无主标牌03施工单位标牌、施工现场指示牌、堆物堆料标牌等制作符合集团CI规范要求。15施工单位标牌、施工现场指示牌、堆物堆料标牌其中缺一项标牌13.5标牌规格、字体、颜色不符合规范要求7.5现场未设置施工单位标牌、施工现场指示牌、堆物堆料标牌04现场除主标牌外,应不少于三条固定标语(规格、字体、颜色自定)。现场宣传栏(两图五板)、黑板报制作符合集团CI规范要求。黑板报内容及时更换。5000平方米以上工程增设光荣榜、曝光台,重点工程有劳动竞赛栏。10固定标语少于三条9黑板报内容更换不及时,5000平方米以上工程增未设光荣榜、曝光台,重点工程无劳动竞赛栏。7宣传栏、黑板报制作不符合规范要求5无宣传栏、黑板报05会议室选择主墙面单独悬挂集团徽记。会议桌摆放桌旗。十一项内容(企业精神和宗旨、企业职工职业道德规范、企业经营质量方针、质量保证体系、项目部质量目标、施工生产进度表、项目组织机构、安全施工领导成员名单、消防领导小组及义务消防队名单、综合治理领导成员及网络、工会劳动保护监督检查委员会名单)均悬挂墙上,制作标准符合集团CI规范要求。20十一项内容有缺项18未按规范要求制作14集团徽记不符合规范要求10未悬挂集团徽记、摆放桌旗和十一项内容06有完整的内业资料,包括现场形象宣传计划、月度自检评分记录表(每月自检两次)、现场形象宣传平面图、板报宣传资料5无现场形象宣传平面图或板报资料4.5无月度自检评分记录表3.5第3页共11页第2页共11页编号:时间:2021年x月x日书山有路勤为径,学海无涯苦作舟页码:第3页共11页无形象宣传规划2.5无内业资料0北京建工集团有限责任公司施工现场形象宣传工作台帐单位:北京二建XX项目部第4页共11页第3页共11页编号:时间:2021年x月x日书山有路勤为径,学海无涯苦作舟页码:第4页共11页台账目录序号台帐内容页码备注123456789101112131415161718第5页共11页第4页共11页编号:时间:2021年x月x日书山有路勤为径,学海无涯苦作舟页码:第5页共11页19一、施工现场形象宣传工作规划序号现场形象宣传工作规划内容(一)备注1该工程的基本工程概况及特点:2如何结合工程项目特点搞好现场形象宣传:第6页共11页第5页共11页编号:时间:2021年x月x日书山有路勤为径,学海无涯苦作舟页码:第6页共11页序号现场形象宣传工作规划内容(二)备注3如何按CI标准要求安排好形象宣传硬件的布置(1)固定标语计划设几条,其内容分别是什么:(2)黑板报、宣传栏、宣传橱窗各计划设置多少块,每季度计划宣传哪些主要内容:4如何搞好施工现场的动态宣传(黑板报、宣传栏、宣传橱窗计划多长时间更换一次):第7页共11页第6页共11页编号:时...

1、当您付费下载文档后,您只拥有了使用权限,并不意味着购买了版权,文档只能用于自身使用,不得用于其他商业用途(如 [转卖]进行直接盈利或[编辑后售卖]进行间接盈利)。
2、本站所有内容均由合作方或网友上传,本站不对文档的完整性、权威性及其观点立场正确性做任何保证或承诺!文档内容仅供研究参考,付费前请自行鉴别。
3、如文档内容存在违规,或者侵犯商业秘密、侵犯著作权等,请点击“违规举报”。

碎片内容

施工现场形象宣传内业

确认删除?
VIP
微信客服
  • 扫码咨询
会员Q群
  • 会员专属群点击这里加入QQ群
客服邮箱
回到顶部