电脑桌面
添加小米粒文库到电脑桌面
安装后可以在桌面快捷访问

材料成形加工工艺与设备复习题(含答案)VIP免费

材料成形加工工艺与设备复习题(含答案)_第1页
1/10
材料成形加工工艺与设备复习题(含答案)_第2页
2/10
材料成形加工工艺与设备复习题(含答案)_第3页
3/10
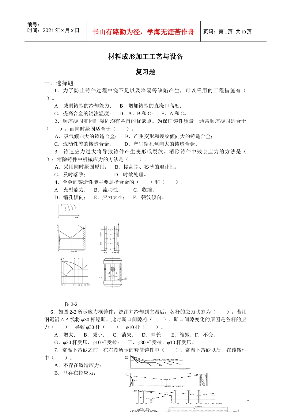
第1页共10页编号:时间:2021年x月x日书山有路勤为径,学海无涯苦作舟页码:第1页共10页材料成形加工工艺与设备复习题一.选择题1.为了防止铸件过程中浇不足以及冷隔等缺陷产生,可以采用的工程措施有()。A.减弱铸型的冷却能力;B.增加铸型的直浇口高度;C.提高合金的浇注温度;D.A、B和C;E.A和C。2.顺序凝固和同时凝固均有各自的优缺点。为保证铸件质量,通常顺序凝固适合于(),而同时凝固适合于()。A.吸气倾向大的铸造合金;B.产生变形和裂纹倾向大的铸造合金;C.流动性差的铸造合金;D.产生缩孔倾向大的铸造合金。3.铸造应力过大将导致铸件产生变形或裂纹。消除铸件中残余应力的方法是();消除铸件中机械应力的方法是()。A.采用同时凝固原则;B.提高型、芯砂的退让性;C.及时落砂;D.时效处理。4.合金的铸造性能主要是指合金的()和()。A.充型能力;B.流动性;C.收缩;D.缩孔倾向;E.应力大小;F.裂纹倾向。图2-26.如图2-2所示应力框铸件。浇注并冷却到室温后,各杆的应力状态为()。若用钢锯沿A-A线将φ30杆锯断,此时断口间隙将()。断口间隙变化的原因是各杆的应力(),导致φ30杆(),φ10杆()。A.增大;B.减小;C.消失;D.伸长;E.缩短;F.不变;G.φ30杆受压,φ10杆受拉;H.φ30杆受拉,φ10杆受压。7.常温下落砂之前,在右图所示的套筒铸件中()。常温下落砂以后,在该铸件中()。A.不存在铸造应力;B.只存在拉应力;第2页共10页第1页共10页编号:时间:2021年x月x日书山有路勤为径,学海无涯苦作舟页码:第2页共10页C.存在残余热应力;D.只存在压应力;E.存在机械应力;F.C和E。8.铸铁生产中,为了获得珠光体灰口铸铁,可以采用的方法有()。A.孕育处理;B.适当降低碳、硅含量;C.适当提高冷却速度;D.A、B和C;E.A和C。9.HTl00、KTH300-06、QT400-18的力学性能各不相同,主要原因是它们的()不同。A.基体组织;B.碳的存在形式;C.石墨形态;D.铸造性能。10.灰口铸铁(HT)、球墨铸铁(QT)、铸钢(ZG)三者铸造性能的优劣顺序();塑性的高低顺序为()。A.ZG>QT>HT;B.HT>QT>ZG;C.HT>ZG>QT;D.QT>ZG>HT。(注:符号“>”表示“优于”或“高于”;)11.冷却速度对各种铸铁的组织、性能均有影响,其中,对()影响最小,所以它适于产生厚壁或壁厚不均匀的较大型铸件。A.灰铸铁;B.孕育铸铁;C.可锻铸铁;D.球墨铸铁。12.如图4-1所示的零件采用砂型铸造生产毛坯。与图中所示的Ⅰ、Ⅱ、Ⅲ、Ⅳ分型方案相适应的造型方法分别为()、()、()、()。其中较合理的分型方案是()。A.整模造型;B.分模造型;C.活块造型;D.挖砂造型;E.三箱造型。图4-113.用化学成分相同的铸造合金浇注相同形状和尺寸的铸件。设砂型铸造得到的铸件强度为σ砂;金属型铸造的铸件强度为σ金;压力铸造的铸件强度为σ压,则()。A.σ砂=σ金=σ压;B.σ金>σ砂>σ压;C.σ压>σ金>σ砂;D.σ压>σ砂>σ金。第3页共10页第2页共10页编号:时间:2021年x月x日书山有路勤为径,学海无涯苦作舟页码:第3页共10页15.在铸造条件和铸件尺寸相同的条件下,铸钢件的最小壁厚要大于灰口铸铁件的最小壁厚,主要原因是铸钢的()。A.收缩大;B.流动性差;C.浇注温度高;D.铸造应力大。17.绘制铸造工艺图时,浇注位置选择的原则之一是将铸件的大平面朝下,主要目的是防止产生()。A.缩孔;B.浇不足;C.气孔;D.夹砂。18.钢制的拖钩如图6-1所示,可以用多种方法制成。其中,拖重能力最大的是()。A.铸造的拖钩;B.锻造的拖钩;C.切割钢板制成的拖钩。19.有一批经过热变形的锻件,晶粒粗大,不符合质量要求,主要原因是()。A.始锻温度过高;B.始锻温度过低;C.终锻温度过高;D.终锻温度过低。图6-121.有一批连杆模锻件,经金相检验,发现其纤维不连续,分布不合理。为了保证产品质量应将这批锻件()。A.进行再结晶退火;B.进行球化退火;C.重新加热进行第二次锻造;D.报废。22.经过热变形的锻件一般都具有纤维组织。通常应使锻件工作时的最大正应力与纤...

1、当您付费下载文档后,您只拥有了使用权限,并不意味着购买了版权,文档只能用于自身使用,不得用于其他商业用途(如 [转卖]进行直接盈利或[编辑后售卖]进行间接盈利)。
2、本站所有内容均由合作方或网友上传,本站不对文档的完整性、权威性及其观点立场正确性做任何保证或承诺!文档内容仅供研究参考,付费前请自行鉴别。
3、如文档内容存在违规,或者侵犯商业秘密、侵犯著作权等,请点击“违规举报”。

碎片内容

材料成形加工工艺与设备复习题(含答案)

确认删除?
VIP
微信客服
  • 扫码咨询
会员Q群
  • 会员专属群点击这里加入QQ群
客服邮箱
回到顶部