电脑桌面
添加小米粒文库到电脑桌面
安装后可以在桌面快捷访问

构架横梁、爬梯、地线架安装工艺VIP免费

构架横梁、爬梯、地线架安装工艺_第1页
1/2
构架横梁、爬梯、地线架安装工艺_第2页
2/2
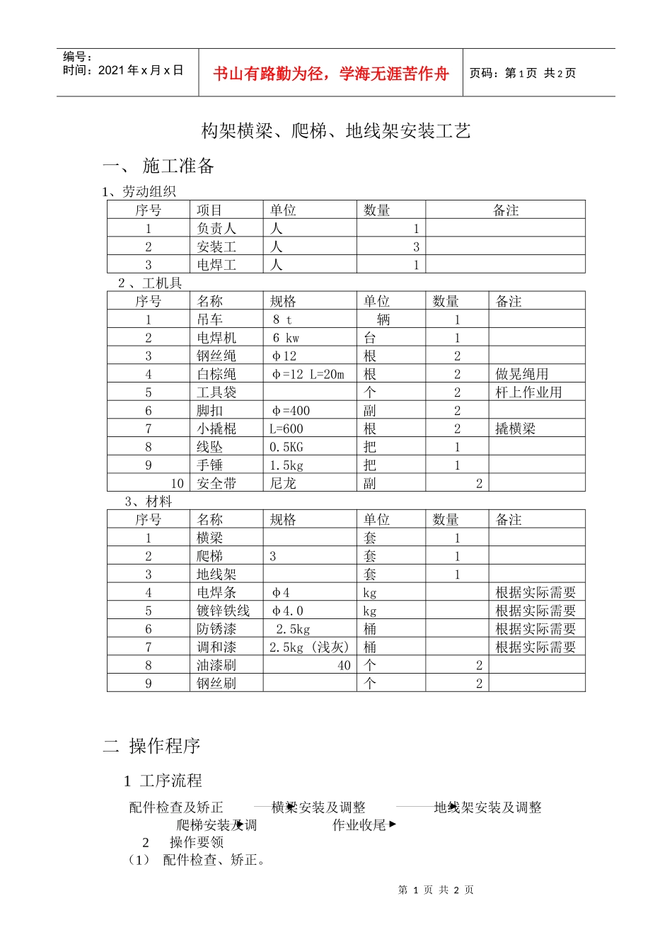
第1页共2页编号:时间:2021年x月x日书山有路勤为径,学海无涯苦作舟页码:第1页共2页构架横梁、爬梯、地线架安装工艺一、施工准备1、劳动组织序号项目单位数量备注1负责人人12安装工人33电焊工人12、工机具序号名称规格单位数量备注1吊车8t辆12电焊机6kw台13钢丝绳φ12根24白棕绳φ=12L=20m根2做晃绳用5工具袋个2杆上作业用6脚扣φ=400副27小撬棍L=600根2撬横梁8线坠0.5KG把19手锤1.5kg把110安全带尼龙副23、材料序号名称规格单位数量备注1横梁套12爬梯3套13地线架套14电焊条φ4kg根据实际需要5镀锌铁线φ4.0kg根据实际需要6防锈漆2.5kg桶根据实际需要7调和漆2.5kg(浅灰)桶根据实际需要8油漆刷40个29钢丝刷个2二操作程序1工序流程配件检查及矫正横梁安装及调整地线架安装及调整爬梯安装及调作业收尾2操作要领(1)配件检查、矫正。第2页共2页第1页共2页编号:时间:2021年x月x日书山有路勤为径,学海无涯苦作舟页码:第2页共2页a检查横梁、地线架、爬梯和附件是否与施工图纸相符b对少数变形产品进行矫正,并复核安装尺寸。(2)横梁安装及调整a安装连梁角钢。固定螺栓穿向应由里向外。b起吊就位:起吊宜采用特制的钢丝绳套。正式起吊前应进行试吊。c拴好晃绳,横梁吊到杆顶后用晃绳引导,使其平稳地放在杆顶钢板上,用φ4.0铁线进行临时帮扎固定。d调整及焊接:用小撬棍拨动横梁,使横梁两端置与钢板的中心位置上,对横梁上的连梁角钢进行焊接,焊接质量应符合焊接标准。(3)地线架安装及调整a吊装地线架:地线架吊到杆顶时,安装工将其扶住,对准钢板螺孔放下,用螺栓固定,然后摘掉吊钩。b调整:用线坠测量,使地线架与电杆在一条轴线上,然后戴上双螺母并分别紧固。(4)爬梯安装及调整a在地面组装好爬梯并注意固定电缆保护管抱箍的安装位置;连接爬梯的螺栓宜由内向外穿;固定抱箍和支撑的螺栓应朝向爬梯一侧,以利于紧固。b爬梯吊到杆顶时用φ4.0铁线将其顶部与杆顶钢板或横梁绑扎牢固。c调整抱箍与支撑的位置,使其爬梯平行与电杆,整体无明显弯曲。然后紧固抱箍与支撑的连接螺栓,并对顶部进行焊接,焊接质量应符合要求。(5)作业收尾a横梁地线架及爬梯安装牢固后,把临时绑扎的铁线及遗留物清除干净。b用钢丝刷子清理焊接处的焊渣,并刷防锈漆一道,调和漆两道。三标准1横梁应平直,弯度不应大于其长度的5‰。2地线架和爬梯应平直,并固定牢固。3固定螺栓的穿入方向应由内或由下向上。4紧固件应齐全,螺栓宜露出螺母2至5扣。四注意事项1上下传递工具和材料必须用绳索和工具袋,严禁抛扔。2吊装过程中,严禁工作人员在起重物和吊车起重臂下停留。

1、当您付费下载文档后,您只拥有了使用权限,并不意味着购买了版权,文档只能用于自身使用,不得用于其他商业用途(如 [转卖]进行直接盈利或[编辑后售卖]进行间接盈利)。
2、本站所有内容均由合作方或网友上传,本站不对文档的完整性、权威性及其观点立场正确性做任何保证或承诺!文档内容仅供研究参考,付费前请自行鉴别。
3、如文档内容存在违规,或者侵犯商业秘密、侵犯著作权等,请点击“违规举报”。

碎片内容

构架横梁、爬梯、地线架安装工艺

您可能关注的文档

确认删除?
VIP
微信客服
  • 扫码咨询
会员Q群
  • 会员专属群点击这里加入QQ群
客服邮箱
回到顶部