电脑桌面
添加小米粒文库到电脑桌面
安装后可以在桌面快捷访问

特种设备气瓶充装鉴定评审整改报告VIP免费

特种设备气瓶充装鉴定评审整改报告_第1页
1/41
特种设备气瓶充装鉴定评审整改报告_第2页
2/41
特种设备气瓶充装鉴定评审整改报告_第3页
3/41
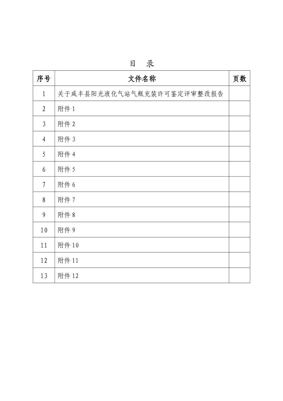
特种设备(气瓶充装)鉴定评审整改报告申请单位:咸丰县阳光液化气站申请项目:液化石油气瓶充装申请类别:换证评审评审单位:湖北特种设备检验检测研究院宜昌分院目录序号文件名称页数1关于咸丰县阳光液化气站气瓶充装许可鉴定评审整改报告2附件13附件24附件35附件46附件57附件68附件79附件810附件911附件1012附件1113附件12关于咸丰县阳光液化气站气瓶充装许可鉴定评审整改报告湖北特种设备检验检测研究院宜昌分院:由贵院派出的评审组与2016年6月6日对我站进行了现场鉴定评审,留下了《特种设备鉴定评审工作备忘录》(以下简称备忘录)。我站已对备忘录所提出的12个方面问题于2016年6月30日完成了全部整改工作。现将整改报告如下:存在的不合格项整改情况(简要且准确地描述)见证材料(注明页数)(该栏中的共多少页要包含分析整改表)1、缺少站长、技术负责人、安全员等人员的任命文件;已颁布站长、技术负责人、安全员等人员的任命文件2、检查人员中缺少1名持有(特种设备作业人员证);已聘用特种设备作业人员1名3、未建立气瓶登记台账和档案,并实行计算机管理;已建立气瓶登记台账和档案,已实行计算机管理4、充装的气瓶瓶体上未张贴警示标签和充装标签;气瓶瓶体上已张贴警示标签和充装标签5、气体危险浓度监测报警仪未校验;气体危险浓度报警仪已经检定6、充装站生产区和辅助区之间未设置高度不低于2米的非燃烧体实体围墙;充装站已设立2米的实体围墙7、质量管理手册未正式颁布;质量管理手册已实行颁布令8、未建立技术负责人和检查人员岗位责任制;已制定各项岗位责任制9、未建立压力容器、压力管道等特种设备的使用管已制定各项制度;理以及定期检验制度和用户宣传教育及服务制度;10、未建立气瓶充装操作规程和装卸软管压力试验操作规程;已制定各项操作规程11、未制定充装前后检查和充装记录等9项工作记录;已制定各项记录12、充装现场无检漏设施。充装现场已配备检漏设施二、其他说明:1、我站保证所提交的整改报告资料真实可靠。咸丰县阳光液化气站(公章)二〇一六年六月三十日附件1:特种设备行政许可鉴定评审不符合项目分析整改表鉴定评审提出的不符合项目:缺少站长、技术负责人、安全员等人员的任命文件采取的纠正和纠正措施:已颁布站长、技术负责人、安全员等人员的任命文件提供的见证材料:1、站长的任命文件([2016]1号)复印件2、技术负责人的任命文件([2016]2号)复印件3、安全员的任命文件([2016]3号)复印件[2016]1号任命书咸丰县阳光液化气站:为了加强我站质量安全管理体系运作管理,特任命:胡远东为我站液化气站负责人(站长)。望我站有关人员服从协调,共同履行质量安全职能,以确保质量管理体系有效运行。此令自签发之日起生效。二〇一六年五月一日主题词:任命书抄送:本站咸丰县阳光液化气站2016年5月1日印发[2016]2号任命书咸丰县阳光液化气站:为了加强我站质量安全管理体系运作管理,特任命:向兴辉为我站液化气站技术负责人。望我站有关人员服从协调,共同履行质量安全职能,以确保质量管理体系有效运行。此令自签发之日起生效。二〇一六年五月一日主题词:任命书抄送:本站咸丰县阳光液化气站2016年5月1日印发[2016]3号任命书咸丰县阳光液化气站:为了加强我站质量安全管理体系运作管理,特任命:邓军新为我站液化气站安全员。望我站有关人员服从协调,共同履行质量安全职能,以确保质量管理体系有效运行。此令自签发之日起生效。二〇一六年五月一日主题词:任命书抄送:本站咸丰县阳光液化气站2016年5月1日印发附件2:特种设备行政许可鉴定评审不符合项目分析整改表鉴定评审提出的不符合项目:检查人员中缺少1名持有(特种设备作业人员证)。采取的纠正和纠正措施:已聘用特种设备作业人员1名。提供的见证材料:1、特种设备作业人员资格证书复印件附件3:特种设备行政许可鉴定评审不符合项目分析整改表鉴定评审提出的不符合项目:未建立气瓶登记台账和档案,并实行计算机管理。采取的纠正和纠正措施:已建立气瓶登记台账和档案,已实行计算机管理。提供的见证材料:1、本站安排专人建立气瓶登记台账和档案,对气瓶状况采用“气瓶动...

1、当您付费下载文档后,您只拥有了使用权限,并不意味着购买了版权,文档只能用于自身使用,不得用于其他商业用途(如 [转卖]进行直接盈利或[编辑后售卖]进行间接盈利)。
2、本站所有内容均由合作方或网友上传,本站不对文档的完整性、权威性及其观点立场正确性做任何保证或承诺!文档内容仅供研究参考,付费前请自行鉴别。
3、如文档内容存在违规,或者侵犯商业秘密、侵犯著作权等,请点击“违规举报”。

碎片内容

特种设备气瓶充装鉴定评审整改报告

您可能关注的文档

确认删除?
VIP
微信客服
  • 扫码咨询
会员Q群
  • 会员专属群点击这里加入QQ群
客服邮箱
回到顶部