电脑桌面
添加小米粒文库到电脑桌面
安装后可以在桌面快捷访问

丽水职业技术学院计算机设备VIP免费

丽水职业技术学院计算机设备_第1页
1/5
丽水职业技术学院计算机设备_第2页
2/5
丽水职业技术学院计算机设备_第3页
3/5
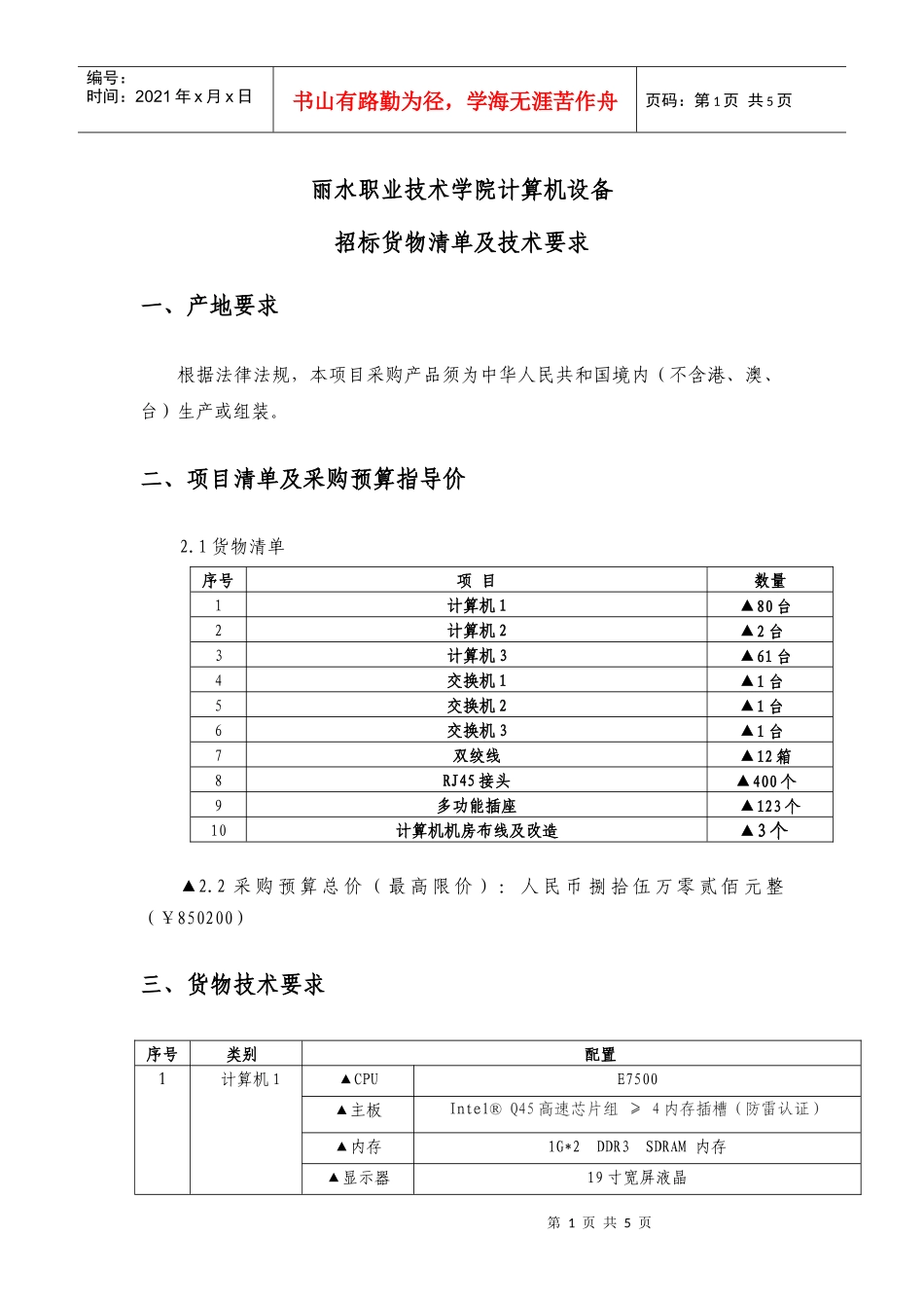
第1页共5页编号:时间:2021年x月x日书山有路勤为径,学海无涯苦作舟页码:第1页共5页丽水职业技术学院计算机设备招标货物清单及技术要求一、产地要求根据法律法规,本项目采购产品须为中华人民共和国境内(不含港、澳、台)生产或组装。二、项目清单及采购预算指导价2.1货物清单序号项目数量1计算机1▲80台2计算机2▲2台3计算机3▲61台4交换机1▲1台5交换机2▲1台6交换机3▲1台7双绞线▲12箱8RJ45接头▲400个9多功能插座▲123个10计算机机房布线及改造▲3个▲2.2采购预算总价(最高限价):人民币捌拾伍万零贰佰元整(¥850200)三、货物技术要求序号类别配置1计算机1▲CPUE7500▲主板Intel®Q45高速芯片组≥4内存插槽(防雷认证)▲内存1G*2DDR3SDRAM内存▲显示器19寸宽屏液晶第2页共5页第1页共5页编号:时间:2021年x月x日书山有路勤为径,学海无涯苦作舟页码:第2页共5页▲显卡独立显卡NvidiaGeforce9500或ATI4350显卡512MB硬盘≥320GB7.2KRPMSATA硬盘机箱小机箱USB接口USB接口≥8前面板至少2个接口,且相互间距离大于2厘米▲网卡1000M网卡/软件实现硬盘保护,系统还原、网络同传、机器配置可远程监控等功能▲电源≥250W(防雷认证)▲键盘、鼠标Ps2键盘、Ps2光电鼠标操作系统无正版WindowsXP操作系统其它三年全硬件免费保修/中标候选人必须在预中标公示期内提供原厂商针对本项目的原厂三年免费上门全保服务承诺函原件,如中标候选人无法提供承诺函原件,在中标候选人做出保证产品质量和售后服务的承诺后,可以不需要承诺函将合同授予该投标人,但采购人可以预留中标价的20%作为质保金,在质保期满5个工作日内无息退还。2计算机2▲CPUE7500▲主板Intel®Q45高速芯片组≥4内存插槽(防雷认证)▲内存1G*2DDR3SDRAM内存▲显示器19寸宽屏液晶▲显卡独立显卡NvidiaGeforce9500或ATI4350显卡512MB硬盘≥320GB7.2KRPMSATA硬盘机箱小机箱USB接口USB接口≥8前面板至少2个接口,且相互间距离大于2厘米▲网卡1000M网卡/软件实现硬盘保护,系统还原、网络同传、机器配置可远程监控等功能▲电源≥250W(防雷认证)▲光驱DVD刻录机▲键盘、鼠标Ps2键盘、Ps2光电鼠标操作系统无正版WindowsXP操作系统第3页共5页第2页共5页编号:时间:2021年x月x日书山有路勤为径,学海无涯苦作舟页码:第3页共5页其它三年全硬件免费保修/中标候选人必须在预中标公示期内提供原厂商针对本项目的原厂三年免费上门全保服务承诺函原件,如中标候选人无法提供承诺函原件,在中标候选人做出保证产品质量和售后服务的承诺后,可以不需要承诺函将合同授予该投标人,但采购人可以预留中标价的20%作为质保金,在质保期满5个工作日内无息退还。3计算机3▲CPUE8400▲主板带ICH10DO的Intel®Q45高速芯片组≥4内存插槽▲内存1G*2DDR3▲显示器19寸液晶▲显卡HD5570,1GDDR3,128位,支持DX11▲硬盘320GBSATA▲机箱小型立式机箱▲网卡1000M支持系统保护功能,能实现硬盘保护,系统还原,网络同传,断点续传,增量拷贝,机器配置可远程监控等,支持智能排序功能▲电源≥250W▲键盘、鼠标Ps2键盘、Ps2光电鼠标能禁用机箱USB接口操作系统配置正版WindowsXP操作系统其他三年全硬件免费保修/中标候选人必须在预中标公示期内提供原厂商针对本项目的原厂三年免费上门全保服务承诺函原件,如中标候选人无法提供承诺函原件,在中标候选人做出保证产品质量和售后服务的承诺后,可以不需要承诺函将合同授予该投标人,但采购人可以预留中标价的20%作为质保金,在质保期满5个工作日内无息退还。4交换机1教学用▲48口全千兆安全管理交换机/▲全双工支持网管功能、传输速率10/100/1000Mbps,智能绑定,端口隔离售后服务中标候选人必须在预中标公示期内提供原厂商针对本项目的原厂三年质保函原件,如中标候选人无法提供承诺函原件,在中标候选人做出保证产品质量和售后服务的承诺后,可以不需要承诺函将合同授予该投标人,但采购人可以预留中标价的20%作为质保金,在质保期满5个工作日内无息退还。5交换机2教学用▲24口全千兆安全管理交换机/▲全双工支持网管功能、传输速率10/100/1000Mbps,智能绑定,端口隔离第4页共5页第3页共5页编号:时间:...

1、当您付费下载文档后,您只拥有了使用权限,并不意味着购买了版权,文档只能用于自身使用,不得用于其他商业用途(如 [转卖]进行直接盈利或[编辑后售卖]进行间接盈利)。
2、本站所有内容均由合作方或网友上传,本站不对文档的完整性、权威性及其观点立场正确性做任何保证或承诺!文档内容仅供研究参考,付费前请自行鉴别。
3、如文档内容存在违规,或者侵犯商业秘密、侵犯著作权等,请点击“违规举报”。

碎片内容

丽水职业技术学院计算机设备

确认删除?
VIP
微信客服
  • 扫码咨询
会员Q群
  • 会员专属群点击这里加入QQ群
客服邮箱
回到顶部