电脑桌面
添加小米粒文库到电脑桌面
安装后可以在桌面快捷访问

GB 9237--88冷设备通用技术规范VIP免费

GB 9237--88冷设备通用技术规范_第1页
1/31
GB 9237--88冷设备通用技术规范_第2页
2/31
GB 9237--88冷设备通用技术规范_第3页
3/31
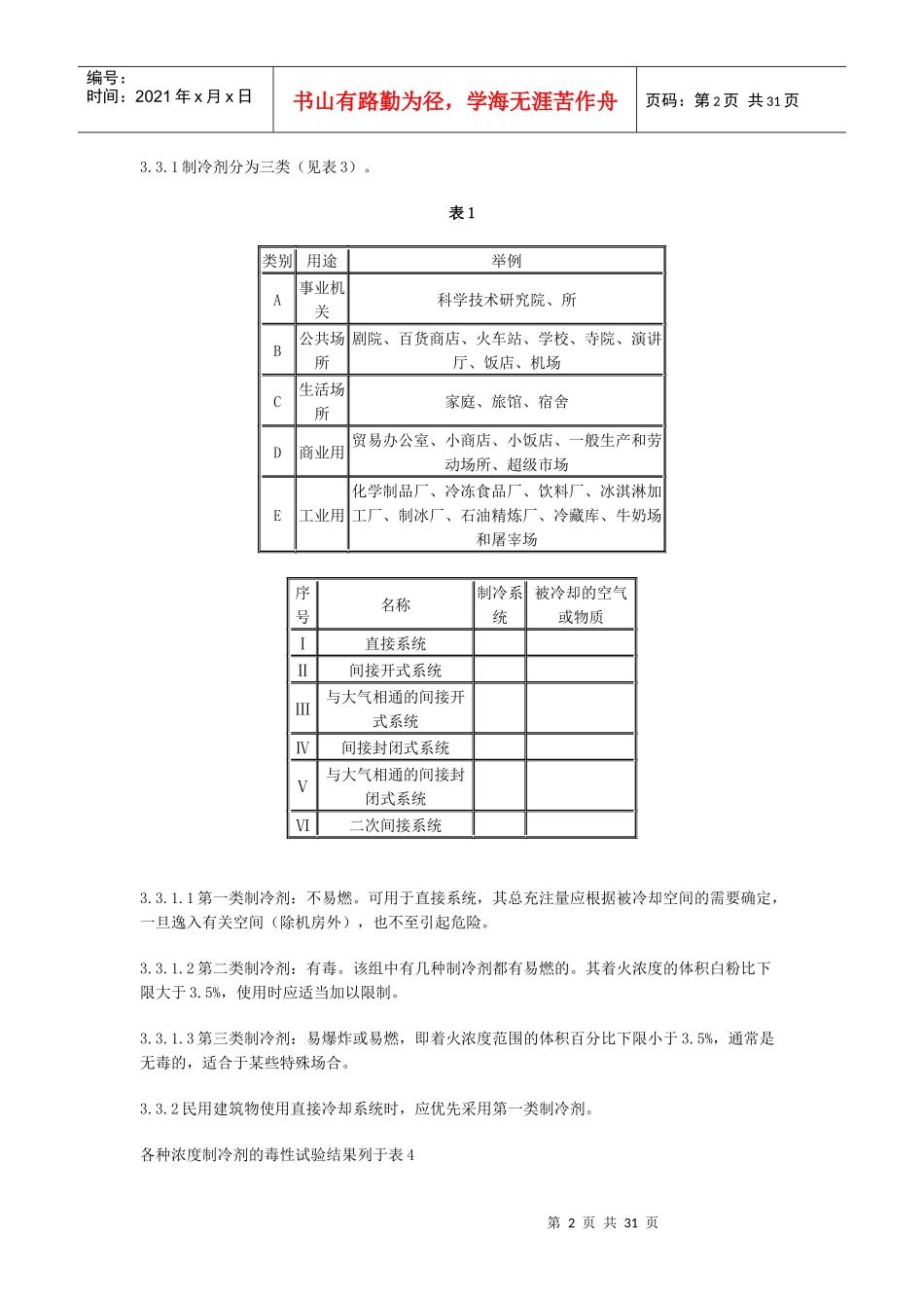
第1页共31页编号:时间:2021年x月x日书山有路勤为径,学海无涯苦作舟页码:第1页共31页GB9237--88制冷设备通用技术规范本规范等效于ISOR1662-19711规范1.1本规范拟定了保障人身安全和健康及保护财产免遭损失的措施。1.2要达到1.1条的目的,设备应有良好的设计、制造、安装、操作和管理。1.3本规范适用于新建、扩建或改建的制冷工厂以及易地安装运行的工厂。1.4本规范也适用于更改制冷剂的设备。例如:R40改为R12,或R717改为R22。1.5更换现有设备应由制造厂或技术装备安装单位来完成。2应用领域2.1本规范适用于各种制冷系统,在该系统中制冷剂在一个封闭的制冷回路里蒸发和冷凝,其中包括热泵和吸收式系统,但不适用于水或空气作为制冷剂的系统,以及有特殊要求的如矿井、运输(铁路、公路车辆运输、轮船和飞机)等部门的系统。2.2只充注少量制冷剂的小型制冷装置和工厂组装机组,例如:家用冰箱、商用冷藏柜、单元式空调器等仅部分条款适用,并在附录A中列出。3分类3.1建筑物制冷系统的安全问题应考虑其设置场所和该场所容纳的人数及所用建筑物的类别。建筑物类别列于表1。3.1.1一个建筑物包括多种用房类别时,应把不同的用房分开,并用严密的隔墙、地板、天花板与建筑物的其它部分隔开。否则,应按其中最严格的来要求。3.1.2在表1所列的建筑物附近安装设备时,应考虑其邻近建筑物的安全。3.2冷却系统按照被冷却的空气或物质的吸热方法对冷却系统分类(见表2),其定义按有关《制冷名词术语》的规定。3.3制冷剂第2页共31页第1页共31页编号:时间:2021年x月x日书山有路勤为径,学海无涯苦作舟页码:第2页共31页3.3.1制冷剂分为三类(见表3)。表1类别用途举例A事业机关科学技术研究院、所B公共场所剧院、百货商店、火车站、学校、寺院、演讲厅、饭店、机场C生活场所家庭、旅馆、宿舍D商业用贸易办公室、小商店、小饭店、一般生产和劳动场所、超级市场E工业用化学制品厂、冷冻食品厂、饮料厂、冰淇淋加工厂、制冰厂、石油精炼厂、冷藏库、牛奶场和屠宰场序号名称制冷系统被冷却的空气或物质Ⅰ直接系统Ⅱ间接开式系统Ⅲ与大气相通的间接开式系统Ⅳ间接封闭式系统Ⅴ与大气相通的间接封闭式系统Ⅵ二次间接系统3.3.1.1第一类制冷剂:不易燃。可用于直接系统,其总充注量应根据被冷却空间的需要确定,一旦逸入有关空间(除机房外),也不至引起危险。3.3.1.2第二类制冷剂:有毒。该组中有几种制冷剂都有易燃的。其着火浓度的体积白粉比下限大于3.5%,使用时应适当加以限制。3.3.1.3第三类制冷剂:易爆炸或易燃,即着火浓度范围的体积百分比下限小于3.5%,通常是无毒的,适合于某些特殊场合。3.3.2民用建筑物使用直接冷却系统时,应优先采用第一类制冷剂。各种浓度制冷剂的毒性试验结果列于表4第3页共31页第2页共31页编号:时间:2021年x月x日书山有路勤为径,学海无涯苦作舟页码:第3页共31页使用制冷剂的浓度极限值(机房除外)列于表53.3.3下列第二类制冷剂中R40、R611、R160、R1130以及第三类制冷剂都是易燃的。当制冷系统的制冷剂充注量对任何房间里安装系统任一部分的室内浓度超过表5的规定值时,其室内不应有产生明火装置或温度高于400℃的热表面。室内所有电器设备应符合有关防爆要求。除非得到主管部门批准,其充注量不应超过500kg。表3制冷剂种类制冷剂编号分子量气体常数J/(kg.K)沸点(0.1013MPa)凝固点临界温度临界压力(绝对)(0.1MPa)可燃性℃燃点℃爆炸范围的空气中的浓度下限(容积百分比%)上限(容积百分比%)一R11R12R13R13B1R21R22R113R114R115RC318R500R502R744137.4120.9104.5148.9102.986.5187.4170.9154.560.568.679.6455.980.7996.244.4448.6453.8441.5983.7574.5218923.8-29.8-81.5-588.92-40.847.73.5-38.7-5.9-28-45.6-78.5-111-158-181-168-135-160-35-94-106-41.4-159--56.619811228.867178.36214.1145.780115105903143.741.238.639.651.749.334.132.831.227.943.442.773.8-第4页共31页第3页共31页编号:时间:2021年x月x日书山有路勤为径,学海无涯苦作舟页码:第4页共31页20099.2911244二R717R30R40R611R764R160R11301784.950.5606464.596.9488.397...

1、当您付费下载文档后,您只拥有了使用权限,并不意味着购买了版权,文档只能用于自身使用,不得用于其他商业用途(如 [转卖]进行直接盈利或[编辑后售卖]进行间接盈利)。
2、本站所有内容均由合作方或网友上传,本站不对文档的完整性、权威性及其观点立场正确性做任何保证或承诺!文档内容仅供研究参考,付费前请自行鉴别。
3、如文档内容存在违规,或者侵犯商业秘密、侵犯著作权等,请点击“违规举报”。

碎片内容

GB 9237--88冷设备通用技术规范

您可能关注的文档

确认删除?
VIP
微信客服
  • 扫码咨询
会员Q群
  • 会员专属群点击这里加入QQ群
客服邮箱
回到顶部