电脑桌面
添加小米粒文库到电脑桌面
安装后可以在桌面快捷访问

施工图设计(建筑节能)报审表VIP免费

施工图设计(建筑节能)报审表_第1页
1/5
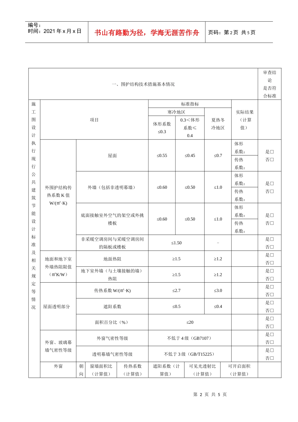
施工图设计(建筑节能)报审表_第2页
2/5
施工图设计(建筑节能)报审表_第3页
3/5
第1页共5页编号:时间:2021年x月x日书山有路勤为径,学海无涯苦作舟页码:第1页共5页公共建筑施工图设计(建筑节能)报审表所属市(区、县):建筑气候分区:寒冷地区□夏热冬冷地区□200年月日建筑节能技术措施基本情况建设单位名称(章)设计单位名称工程项目名称单位工程名称建筑类型层数设计建筑面积()㎡特别承诺:本表所提供审查的全部数据、信息均真实反映了本工程的实际情况如有任何虚假成分,本单位及有关人员愿承担相应的行政和法律责任!设计项目负责人(签章)设计单位法定代表人(签章)设计单位(公章)本页以下内容及下表中审查结论由审查单位填写审查结论审查结论符合标准□不符合标准□主要存在问题:审查人(签字)第2页共5页第1页共5页编号:时间:2021年x月x日书山有路勤为径,学海无涯苦作舟页码:第2页共5页一、围护结构技术措施基本情况审查结论是否符合标准施工图设计执行现行公共建筑节能设计标准及相关规定等情况项目标准指标实际结果(计算值)寒冷地区夏热冬冷地区体形系数≤0.30.3<体形系数≤0.4外围护结构传热系数K值W/(㎡·K)屋面≤0.55≤0.45≤0.7体形系数:是□否□传热系数:外墙(包括非透明幕墙)≤0.60≤0.50≤1.0体形系数:是□否□传热系数:底面接触室外空气的架空或外挑楼板≤0.60≤0.50≤1.0体形系数:是□否□传热系数:非采暖空调房间与采暖空调房间的隔板或楼板≤1.50-是□否□地面和地下室外墙热阻限值(㎡K/W)地面热阻≥1.5≥1.2是□否□地下室外墙(与土壤接触的墙)热阻≥1.5≥1.2是□否□屋面透明部分传热系数W/(㎡·K)≤2.7≤3.0是□否□遮阳系数≤0.5≤0.4是□否□面积百分比(%)≤20是□否□外窗、玻璃幕墙气密性等级外窗气密性等级不低于4级(GB7107)是□否□透明幕墙气密性等级不低于3级(GB/T15225)是□否□外窗朝向窗墙面积比(计算值)传热系数(计算值)遮阳系数(计算值)可见光透射比(计算值)可开启面积(计算值)第3页共5页第2页共5页编号:时间:2021年x月x日书山有路勤为径,学海无涯苦作舟页码:第3页共5页东是□否□南是□否□西是□否□北是□否□围护结构热工性能权衡判断参照建筑采暖空气调节能耗(kWh/㎡)附:计算文件(书面、电子文档)是□否□设计建筑采暖空气调节能耗(kWh/㎡)一、围护结构技术措施基本情况(续)备注主要节能措施外墙保温保温型式说明外保温□内保温□自保温□其它□保温材料种类面积(㎡)外墙面颜色深色□浅色□选用厚度(㎜)屋面保温保温材料种类选用厚度(㎜)外窗窗框型材塑料□金属材料□断热金属材料□其它□窗玻璃材料中空□Low-e□中空空气层A(㎜)6□9□12□15□>20□遮阳形式南□东□西□北□内□外□活动□固定□内□外□活动□固定□内□外□活动□固定□内□外□活动□固定□架空或外挑楼板保温材料种类选用厚度(㎜)外围护结构其余部位外门门斗□旋转□中空□其它□外墙、屋面热桥部位技术措施有□无□中庭夏季通风排风机械□自然□幕墙通风形式可开启□设通风装置□第4页共5页第3页共5页编号:时间:2021年x月x日书山有路勤为径,学海无涯苦作舟页码:第4页共5页新型墙材选用外墙材料内墙材料二、照明技术措施表照明基本情况光源类型整流器类型灯具效率照明功率因素补偿情况照明控制情况照明节能评价指标主要房间及场所名称照度(1x)LPD值(W/㎡)结论照明功率密度值是否符合标准是□否□三、用能设备表施工图设计(暖通设备选用)执行现行公共建筑节能设计标准及相关冷热源设备锅炉设备热源类型燃料品种锅炉类型台数(个)热效率(%)锅炉□电热水器□其它□燃煤□燃油□燃气□其它□锅炉□电热水器□其它□燃煤□燃油□燃气□其它□锅炉□电热水器□其它□燃煤□燃油□燃气□其它□冷水(热泵)机组冷水机组类型台数(个)额定制冷量(kw)性能系数COP(w/w)单元式空气调节机组单元式机组类型能效比(w/w)风冷式□水冷式□接风管□不接风管□第5页共5页第4页共5页编号:时间:2021年x月x日书山有路勤为径,学海无涯苦作舟页码:第5页共5页规定等情况风冷式□水冷式□接风管□不接风管□风冷式□水冷式□接风管□不接风管□溴化锂吸收式机组机型...

1、当您付费下载文档后,您只拥有了使用权限,并不意味着购买了版权,文档只能用于自身使用,不得用于其他商业用途(如 [转卖]进行直接盈利或[编辑后售卖]进行间接盈利)。
2、本站所有内容均由合作方或网友上传,本站不对文档的完整性、权威性及其观点立场正确性做任何保证或承诺!文档内容仅供研究参考,付费前请自行鉴别。
3、如文档内容存在违规,或者侵犯商业秘密、侵犯著作权等,请点击“违规举报”。

碎片内容

施工图设计(建筑节能)报审表

您可能关注的文档

确认删除?
VIP
微信客服
  • 扫码咨询
会员Q群
  • 会员专属群点击这里加入QQ群
客服邮箱
回到顶部