电脑桌面
添加小米粒文库到电脑桌面
安装后可以在桌面快捷访问

房屋建筑资料表格样板VIP免费

房屋建筑资料表格样板_第1页
1/80
房屋建筑资料表格样板_第2页
2/80
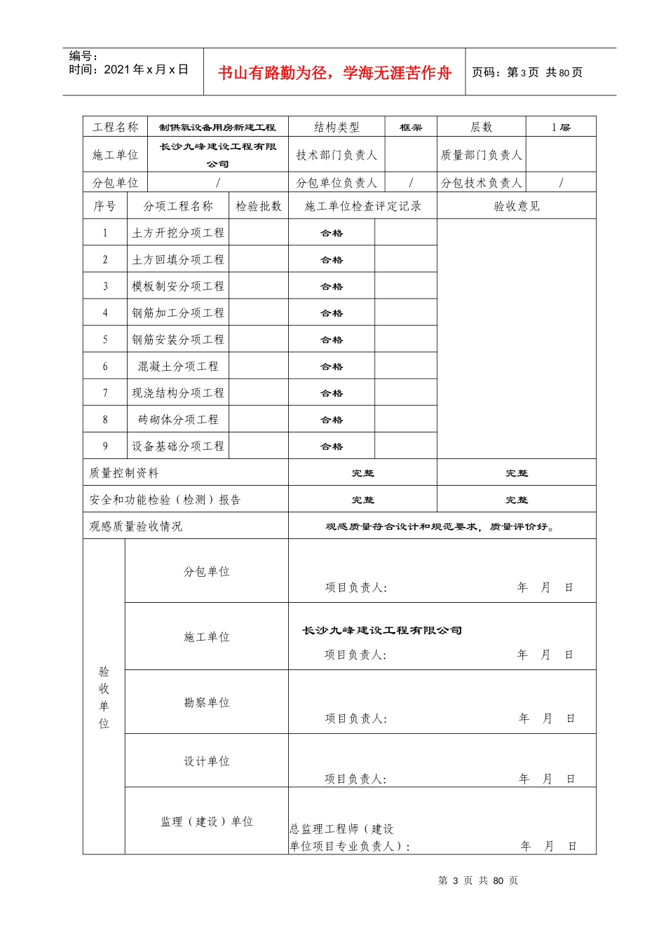
房屋建筑资料表格样板_第3页
3/80
第1页共80页编号:时间:2021年x月x日书山有路勤为径,学海无涯苦作舟页码:第1页共80页制供氧设备用房新建工程基础工程编制单位:长沙九峰建设工程有限公司编制时间:年月日基础工程报验申请表工程名称:制供氧设备用房新建工程第2页共80页第1页共80页编号:时间:2021年x月x日书山有路勤为径,学海无涯苦作舟页码:第2页共80页致:我单位已完成了基础工程工作,现报上该工程报验申请表.请予以审查和验收。附件:1、土方开挖工程报验申请检验批质量验收记录2、土方回填工程报验申请检验批质量验收记录3、模板安装工程报验申请检验批质量验收记录4、钢筋加工工程报验申请检验批质量验收记录5、钢筋安装工程报验申请检验批质量验收记录6、钢筋焊接工程报验申请检验批质量验收记录7、混凝土配合比设计工程报验申请检验批质量验收记录8、混凝土施工工程报验申请检验批质量验收记录9、模板拆除工程报验申请检验批质量验收记录10、现浇结构检查工程报验申请检验批质量验收记录承包单位:长沙九峰建设工程有限公司项目经理:(签字)年月日审查意见:(项目管理机构)(总/专业监理工程师)年月日XZSG—T005地基与基础分部工程质量验收记录第3页共80页第2页共80页编号:时间:2021年x月x日书山有路勤为径,学海无涯苦作舟页码:第3页共80页工程名称制供氧设备用房新建工程结构类型框架层数1层施工单位长沙九峰建设工程有限公司技术部门负责人质量部门负责人分包单位/分包单位负责人/分包技术负责人/序号分项工程名称检验批数施工单位检查评定记录验收意见1土方开挖分项工程合格2土方回填分项工程合格3模板制安分项工程合格4钢筋加工分项工程合格5钢筋安装分项工程合格6混凝土分项工程合格7现浇结构分项工程合格8砖砌体分项工程合格9设备基础分项工程合格质量控制资料完整完整安全和功能检验(检测)报告完整完整观感质量验收情况观感质量符合设计和规范要求,质量评价好。验收单位分包单位项目负责人:年月日施工单位长沙九峰建设工程有限公司项目负责人:年月日勘察单位项目负责人:年月日设计单位项目负责人:年月日监理(建设)单位总监理工程师(建设单位项目专业负责人):年月日第4页共80页第3页共80页编号:时间:2021年x月x日书山有路勤为径,学海无涯苦作舟页码:第4页共80页建筑工程隐蔽检验记录XZSG—T102工程名称制供氧设备用房新建工程施工单位长沙九峰建设工程有限公司分项工程名称基础图号隐蔽日期隐蔽部位、内容单位数量检查情况监理建设单位验收记录有关测试资料名称测试结果证、单编号备注附图参加检查人员签字施工单位监理单位建设单位第5页共80页第4页共80页编号:时间:2021年x月x日书山有路勤为径,学海无涯苦作舟页码:第5页共80页项目技术负责人:监理工程师:(注册方章)现场代表:注:本表一式四份:建设单位、施工单位:监理单位、城建档案馆各和份。土方工程报验申请表工程名称:制供氧设备用房新建工程编号:致:我单位已完成了基础开挖工作,现报上该工程报验申请表.请予以审查和验收.附件:土方开挖工程检验批质量验收记录承包单位:长沙九峰建设工程有限公司项目经理:(签字)年月日第6页共80页第5页共80页编号:时间:2021年x月x日书山有路勤为径,学海无涯苦作舟页码:第6页共80页审查意见:(项目管理机构)(总/专业监理工程师)年月日土方开挖工程检验批质量验收记录工程名称制供氧设备用房新建工程分项工程名称土方开挖验收部位基础施工单位长沙九峰建设工程有限公司项目负责人分包单位/项目负责人(分包单位)/专业工长施工班组长施工执行标准及编号土方工程施工质量验收规范GB50202-2002质量验收规范的规定施工单位检查评定记录监理(建设)单位验收记录F分项分类柱基基坑基槽挖方场地平整管沟地面(路)基层人工机械主控项目边坡设计要求标高-50±30±50-50-50设计给定值长度、宽度(由设计中心线向两边量)+200-50+300-100+500-150+100—第7页共80页第6页共80页编号:时间:2021年x月x日书山有路勤为径,学海无涯苦作舟页码:第7页共80页设计给定值一般项目表面平整度2020502020基底土性设计给定值:共实测点,其中合格点、不合格点,合格点率%施工单位检查评定...

1、当您付费下载文档后,您只拥有了使用权限,并不意味着购买了版权,文档只能用于自身使用,不得用于其他商业用途(如 [转卖]进行直接盈利或[编辑后售卖]进行间接盈利)。
2、本站所有内容均由合作方或网友上传,本站不对文档的完整性、权威性及其观点立场正确性做任何保证或承诺!文档内容仅供研究参考,付费前请自行鉴别。
3、如文档内容存在违规,或者侵犯商业秘密、侵犯著作权等,请点击“违规举报”。

碎片内容

房屋建筑资料表格样板

您可能关注的文档

精品中小学文档+ 关注
实名认证
内容提供者

精品资料,值得下载

相关文档

确认删除?
VIP
微信客服
  • 扫码咨询
会员Q群
  • 会员专属群点击这里加入QQ群
客服邮箱
回到顶部