电脑桌面
添加小米粒文库到电脑桌面
安装后可以在桌面快捷访问

排污沟工程模板安装报验申请表VIP免费

排污沟工程模板安装报验申请表_第1页
1/101
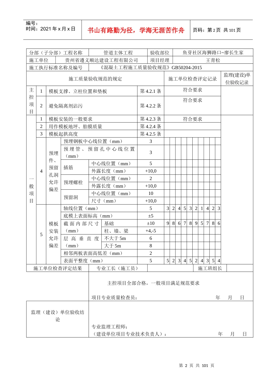
排污沟工程模板安装报验申请表_第2页
2/101
排污沟工程模板安装报验申请表_第3页
3/101
第0页共101页编号:时间:2021年x月x日书山有路勤为径,学海无涯苦作舟页码:第0页共101页模板安装报验申请表工程名称:汇川区城区2016年(高桥镇社区)排污沟清掏、改造工程编号:01致:贵州百盛监理有限公司(监理单位)我单位已完成了鱼芽社区海狮路口~廖长生家过车路段包管用C15混凝土的模板安装工作,经自检合格,现报上该工程报验申请表,请予以审查和验收。附:1、模板安装工程检验批质量验收记录表。承包单位(章)项目经理日期年月日审查意见:第1页共101页第0页共101页编号:时间:2021年x月x日书山有路勤为径,学海无涯苦作舟页码:第1页共101页项目监理机构:(公章)总/专业监理工程师:日期:年月日模板安装工程检验批质量验收记录表GB50204-2015(Ⅰ)010601020101单位(子单位)工程名称汇川区城区2016年(高桥镇社区)排污沟清掏、改造工程第2页共101页第1页共101页编号:时间:2021年x月x日书山有路勤为径,学海无涯苦作舟页码:第2页共101页分部(子分部)工程名称管道主体工程验收部位鱼芽社区海狮路口~廖长生家施工单位贵州省遵义顺达建设工程有限公司项目经理王青松施工执行标准名称及编号《混凝土工程施工质量验收规范》GB50204-2015施工质量验收规范的规定施工单位检查评定记录监理(建设)单位验收记录主控项目1模板支撑、立柱位置和垫板第4.2.1条符合要求2避免隔离剂沾污第4.2.2条符合要求一般项目1模板安装的一般要求第4.2.3条符合要求2用作模板地坪、胎膜质量第4.2.4条3模板起拱高度第4.2.5条4预埋件、预留孔洞允许偏差预埋钢板中心线位置(mm)3预埋管、预留孔中心线位置(mm)3插筋中心线位置(mm)5外露长度(mm)+10,0预埋螺栓中心线位置(mm)2外露长度(mm)+10,0预留洞中心线位置(mm)10尺寸(mm)+10,05模板安装允许偏差轴线位置(mm)53245321423底模上表面标高(mm)±5截面内部尺寸(mm)基础±109867895786柱、墙、梁+4,-5层高垂直度(mm)不大于5m6大于5m8相邻两板表面高低差(mm)2表面平整度(mm)55234524354施工单位检查评定结果专业工长(施工员)施工班组长主控项目全部合格,一般项目满足规范要求项目专业质量检查员:年月日监理(建设)单位验收结论专业监理工程师:(建设单位项目专业技术负责人):年月日第3页共101页第2页共101页编号:时间:2021年x月x日书山有路勤为径,学海无涯苦作舟页码:第3页共101页模板安装报验申请表工程名称:汇川区城区2016年(高桥镇社区)排污沟清掏、改造工程编号:02致:贵州百盛监理有限公司(监理单位)我单位已完成了鱼芽社区黔诚保养场过车路段包管用C15混凝土的模板安装工作,经自检合格,现报上该工程报验申请表,请予以审查和验收。附:1、模板安装工程检验批质量验收记录表。承包单位(章)项目经理日期年月日审查意见:第4页共101页第3页共101页编号:时间:2021年x月x日书山有路勤为径,学海无涯苦作舟页码:第4页共101页项目监理机构:(公章)总/专业监理工程师:日期:年月日模板安装工程检验批质量验收记录表GB50204-2015(Ⅰ)010601020101第5页共101页第4页共101页编号:时间:2021年x月x日书山有路勤为径,学海无涯苦作舟页码:第5页共101页单位(子单位)工程名称汇川区城区2016年(高桥镇社区)排污沟清掏、改造工程分部(子分部)工程名称管道主体工程验收部位鱼芽社区黔诚保养场施工单位贵州省遵义顺达建设工程有限公司项目经理王青松施工执行标准名称及编号《混凝土工程施工质量验收规范》GB50204-2015施工质量验收规范的规定施工单位检查评定记录监理(建设)单位验收记录主控项目1模板支撑、立柱位置和垫板第4.2.1条符合要求2避免隔离剂沾污第4.2.2条符合要求一般项目1模板安装的一般要求第4.2.3条符合要求2用作模板地坪、胎膜质量第4.2.4条3模板起拱高度第4.2.5条4预埋件、预留孔洞允许偏差预埋钢板中心线位置(mm)3预埋管、预留孔中心线位置(mm)3插筋中心线位置(mm)5外露长度(mm)+10,0预埋螺栓中心线位置(mm)2外露长度(mm)+10,0预留洞中心线位置(mm)10尺寸(mm)+10,05模板安装允许偏差轴线位置(mm)53245321423底模上表面标高(mm)±5截面内部尺寸(mm)...

1、当您付费下载文档后,您只拥有了使用权限,并不意味着购买了版权,文档只能用于自身使用,不得用于其他商业用途(如 [转卖]进行直接盈利或[编辑后售卖]进行间接盈利)。
2、本站所有内容均由合作方或网友上传,本站不对文档的完整性、权威性及其观点立场正确性做任何保证或承诺!文档内容仅供研究参考,付费前请自行鉴别。
3、如文档内容存在违规,或者侵犯商业秘密、侵犯著作权等,请点击“违规举报”。

碎片内容

排污沟工程模板安装报验申请表

您可能关注的文档

确认删除?
VIP
微信客服
  • 扫码咨询
会员Q群
  • 会员专属群点击这里加入QQ群
客服邮箱
回到顶部