电脑桌面
添加小米粒文库到电脑桌面
安装后可以在桌面快捷访问

三维参数化总布置设计系统VIP免费

三维参数化总布置设计系统_第1页
1/9
三维参数化总布置设计系统_第2页
2/9
三维参数化总布置设计系统_第3页
3/9
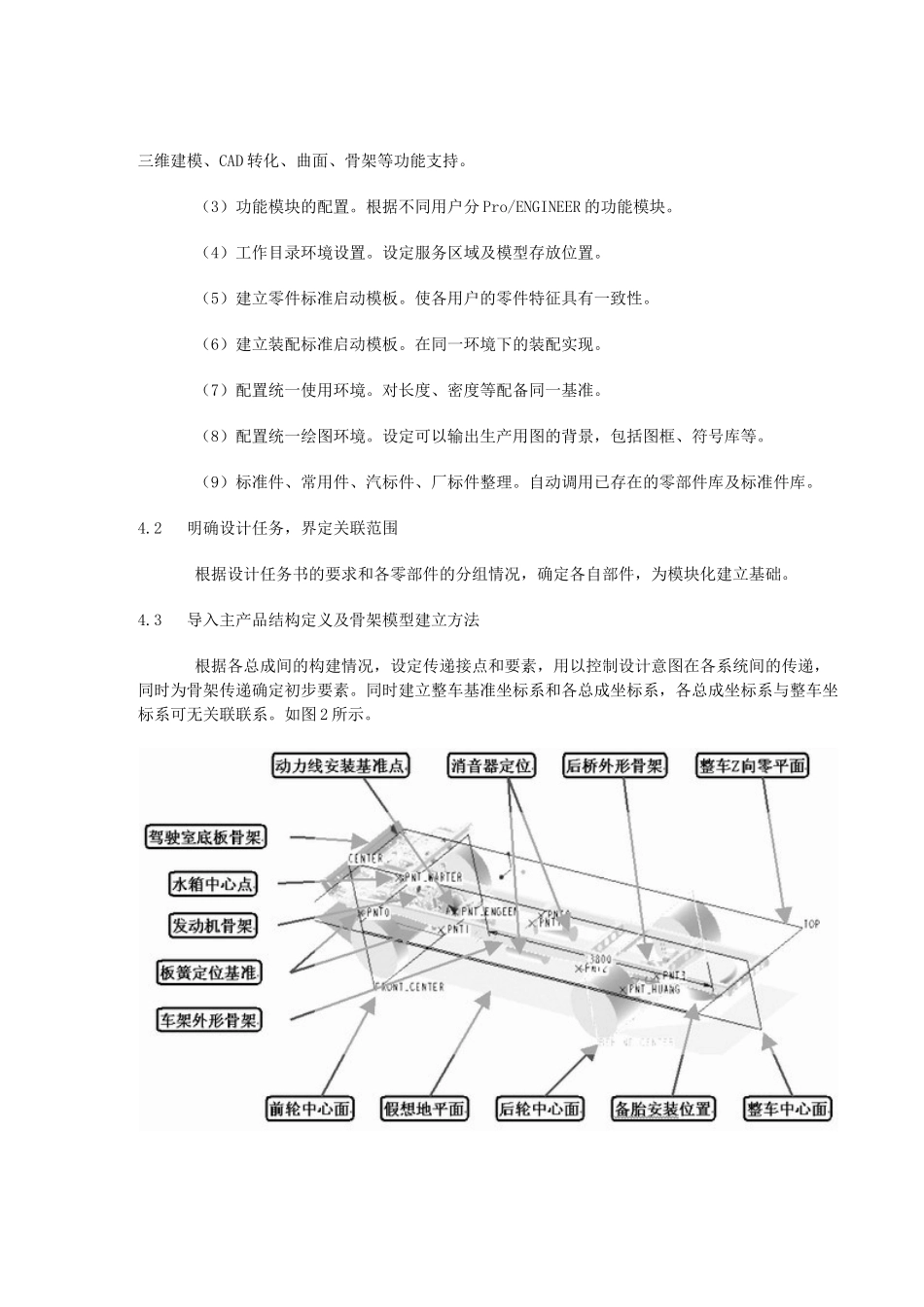
基于Pro/ENGINEER的卡车三维参数化总布置设计系统摘要:介绍了在建立零部件图形库、底盘参数数据库、底盘设计标准库的基础上,通过Pro/ENGINEER软件进行二次开发建立的集成于Pro/ENGINEER环境下的卡车底盘参数化三维总布置设计系统。该系统的研制在一定程度上实现了卡车底盘的虚拟设计与虚拟开发。详细阐述了系统开发的基本原理和主要方法。关键词:卡车总布置计算机辅助设计参数化1引言产品设计通常可以分为创新设计和变型设计两类,在机械、汽车行业中,创新设计较少,大量的是变型设计,也就是在原有产品的基础上,按市场需求进行局部换型和调整、重组。变型设计的实现过程可以最大限度地利用企业已有的成熟产品资源,具有很强的灵活性和适应性,这也就要求企业实施平台化战略。卡车是一种多品种、多系列的产品,新技术、新产品日益广泛的应用使得卡车的底盘的更新和换型周期不断缩短。卡车性能主要取决于底盘,卡车底盘设计制造水平的不断提高是卡车行业赖以发展的基础。同时,底盘作为平台战略的主要对象,它的快速设计与开发对企业产品平台化战略的实施也必将产生积极的作用。车辆的总布置是整车开发的基础,其水平对整车产品质量和性能起决定性作用。现惯用的是二维平面方法,它要求总布置人员素质要高,必须对产品零部件相当熟悉且总布置工作必须做细,总布置过程当中要基本完成全部部件的布置,部件设计人员不独立进行部件的布置。这种做法的优点是总布置人员站在整车的高度全局统筹考虑,一般不易发生由于部件之间缺乏沟通造成的干涉等矛盾;缺点是要求总布置人员具有相当丰富的专业知识和经验并且对各种繁杂的产品具有较深入的了解,对零部件掌握程度高,否则由于部件人员介入晚,一旦总布置出现问题极易影响开发进度和质量。针对汽车总布置的性质和特点,结合企业实际,以大型CAD/CAE/CAM三维软件Pro/ENGINEER为基础进行二次开发,研制了卡车底盘总布置设计系统,同时采用部件设计人员参与部件布置、总布置与部件布置相结合同步进行的开发思路,使该系统操作简单,设计过程直观、高效,适用于轻卡底盘变型设计与开发。2Pro/ENGINEER软件Pro/ENGINEER是美国PTC公司(ParametricTechnologyCorporation,参数技术公司)开发的三维造型设计系统,它以单一数据、参数化、基于特征、全相关性以及工程数据再利用等改变了传统机械设计的观念,为工业产品设计提供完整的解决方案,成为当今世界机械CAD领域的新标准,广泛应用于造型设计、机械设计、模具设计、加工制造、机构分析、有限元分析及关系数据库管理等各个领域。Pro/ENGINEER复合式建模工具较之纯参数化的系统更灵活和自由,可以有效利用已有的产品模型数据并充分发挥其在新产品设计中的价值,特别是其自顶向下的设计思路,运用Layout和骨架来传递和交流设计意图,大大提高了设计效率。Pro/ENGINEER软件还提供了强大的装配功能,包括定义不同零部件之间的位置约束关系,生成爆炸视图,进行零部件之间的干涉检查,并计算装配体的距离、总重、重心等各种物理属性等。3底盘总布置设计系统基本结构图1为卡车底盘总布置设计系统基本框架结构。4三维参数化总布置的实现4.1基础环境建立(1)硬件设施。局域网基础上的高性能PC机或工作站,主服务站(总布置)对硬盘、内存、显卡等要求要高。(2)软件设施。具备Pro/ENGINEER产品中Pro/ENGINEER、Pro/ASSEMBLY等模块,可进行三维建模、CAD转化、曲面、骨架等功能支持。(3)功能模块的配置。根据不同用户分Pro/ENGINEER的功能模块。(4)工作目录环境设置。设定服务区域及模型存放位置。(5)建立零件标准启动模板。使各用户的零件特征具有一致性。(6)建立装配标准启动模板。在同一环境下的装配实现。(7)配置统一使用环境。对长度、密度等配备同一基准。(8)配置统一绘图环境。设定可以输出生产用图的背景,包括图框、符号库等。(9)标准件、常用件、汽标件、厂标件整理。自动调用已存在的零部件库及标准件库。4.2明确设计任务,界定关联范围根据设计任务书的要求和各零部件的分组情况,确定各自部件,为模块化建立基础。4.3导入主产品结构定义及骨架模型建立方法根据各总...

1、当您付费下载文档后,您只拥有了使用权限,并不意味着购买了版权,文档只能用于自身使用,不得用于其他商业用途(如 [转卖]进行直接盈利或[编辑后售卖]进行间接盈利)。
2、本站所有内容均由合作方或网友上传,本站不对文档的完整性、权威性及其观点立场正确性做任何保证或承诺!文档内容仅供研究参考,付费前请自行鉴别。
3、如文档内容存在违规,或者侵犯商业秘密、侵犯著作权等,请点击“违规举报”。

碎片内容

三维参数化总布置设计系统

您可能关注的文档

书海行舟+ 关注
实名认证
内容提供者

热爱教学事业,对互联网知识分享很感兴趣

确认删除?
VIP
微信客服
  • 扫码咨询
会员Q群
  • 会员专属群点击这里加入QQ群
客服邮箱
回到顶部