电脑桌面
添加小米粒文库到电脑桌面
安装后可以在桌面快捷访问

机械制造企业安全质量标准化考评检查表(全)VIP专享VIP免费

机械制造企业安全质量标准化考评检查表(全)_第1页
1/51
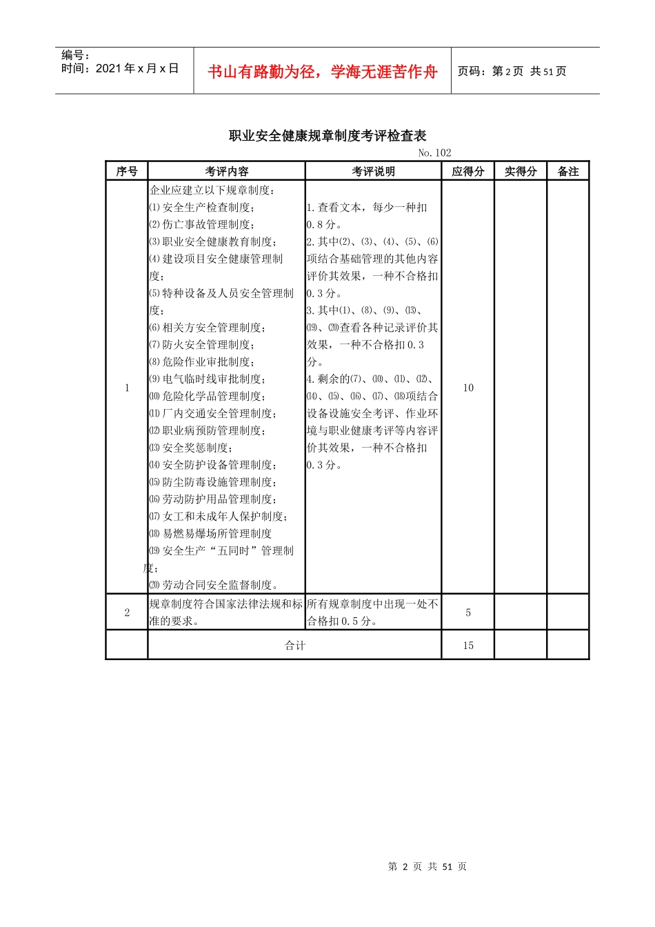
机械制造企业安全质量标准化考评检查表(全)_第2页
2/51
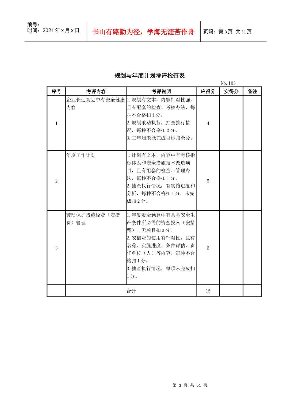
机械制造企业安全质量标准化考评检查表(全)_第3页
3/51
第1页共51页编号:时间:2021年x月x日书山有路勤为径,学海无涯苦作舟页码:第1页共51页机械制造企业安全质量标准化考评检查表一、基础管理考评检查表安全生产责任制考评检查表No.101序号考评内容考评说明应得分实得分备注1企业主要负责人履行职责1.组织建立本企业安全生产责任制、规章制度和操作规程。缺少一种扣1分。2.确保本单位安全生产投入的有效实施,结合No.103查证,不符合扣2分。3.设立与本企业相符的安全管理机构,且提供人力资源,不合格扣1分。4.每年组织的安全专题会议不少于4次,且解决有关安全生产的重大问题,缺少一次扣1分。72建立各职能部门的安全职责1.有文本,覆盖企业内所有单位和部门,缺少一个单位扣0.5分。2.现场抽查部分单位的职责履行情况,一个部门不合格扣1分。43建立各级各类人员的安全职责1.有文本,涵盖企业内各级管理者(班组长),且与行政管理职能相符。一处不符合扣0.5分。2.现场抽查各类人员的职责履行情况,有措施、有效果。一处不符合扣0.5分。4合计15第2页共51页第1页共51页编号:时间:2021年x月x日书山有路勤为径,学海无涯苦作舟页码:第2页共51页职业安全健康规章制度考评检查表No.102序号考评内容考评说明应得分实得分备注1企业应建立以下规章制度:⑴安全生产检查制度;⑵伤亡事故管理制度;⑶职业安全健康教育制度;⑷建设项目安全健康管理制度;⑸特种设备及人员安全管理制度;⑹相关方安全管理制度;⑺防火安全管理制度;⑻危险作业审批制度;⑼电气临时线审批制度;⑽危险化学品管理制度;⑾厂内交通安全管理制度;⑿职业病预防管理制度;⒀安全奖惩制度;⒁安全防护设备管理制度;⒂防尘防毒设施管理制度;⒃劳动防护用品管理制度;⒄女工和未成年人保护制度;⒅易燃易爆场所管理制度⒆安全生产“五同时”管理制度;⒇劳动合同安全监督制度。1.查看文本,每少一种扣0.8分。2.其中⑵、⑶、⑷、⑸、⑹项结合基础管理的其他内容评价其效果,一种不合格扣0.3分。3.其中⑴、⑻、⑼、⒀、⒆、⒇查看各种记录评价其效果,一种不合格扣0.3分。4.剩余的⑺、⑽、⑾、⑿、⒁、⒂、⒃、⒄、⒅项结合设备设施安全考评、作业环境与职业健康考评等内容评价其效果,一种不合格扣0.3分。102规章制度符合国家法律法规和标准的要求。所有规章制度中出现一处不合格扣0.5分。5合计15第3页共51页第2页共51页编号:时间:2021年x月x日书山有路勤为径,学海无涯苦作舟页码:第3页共51页规划与年度计划考评检查表No.103序号考评内容考评说明应得分实得分备注1企业长远规划中有安全健康内容1.规划有文本,内容针对性强,且有配套的检查、考核办法,每种不合格扣1分。2.规划滚动执行,抽查执行情况,每种不合格扣2分。3.三年均未能完成目标扣全分。42年度工作计划1.计划有文本,内容中有考核指标体系和安全措施技术改造项目,且有配套的检查、管理办法,每种不合格扣1分。2.抽查执行情况,有实施进度和分析,每种不合格扣1分,未完成扣2分。53劳动保护措施经费(安措费)管理1.年度资金预算中有具备安全生产条件所必需的资金投入(安措费)。无项目扣3分。2.安措费的使用有针对性,且有名称、实施进度、条件评估、责任单位(人)等内容,每种不合格扣1分。3.抽查执行情况,每项未完成扣1分。6合计15第4页共51页第3页共51页编号:时间:2021年x月x日书山有路勤为径,学海无涯苦作舟页码:第4页共51页机构与人员考评检查表No.104序号考评内容考评说明应得分实得分备注1安全生产管理网络1.企业建有统一协调安全健康问题的组织机构,未建立扣2分,未开展工作扣1分。2.各职能部门、各车间均有主管安全的领导和专(兼)职安全员,且履行职责,一个部门不合格扣0.5分。3.企业、车间、班组三级工会履行监督职能,一个单位不合格扣0.5分。4主要考评三级管理网的建立情况。2安全管理机构1.建立相对独立的机构,有机构编制、有管理职能,查相关文件,不合格扣1分。2.参加企业内各种涉及安全健康的会议和有关决策决定,查会议记录,不合格扣1分。43安全管理人员应按企业从业人员的2‰及以上比例配备1.查人员名单,每降低1‰扣3分。2.查安全管理人员的条件(包括文化程度...

1、当您付费下载文档后,您只拥有了使用权限,并不意味着购买了版权,文档只能用于自身使用,不得用于其他商业用途(如 [转卖]进行直接盈利或[编辑后售卖]进行间接盈利)。
2、本站所有内容均由合作方或网友上传,本站不对文档的完整性、权威性及其观点立场正确性做任何保证或承诺!文档内容仅供研究参考,付费前请自行鉴别。
3、如文档内容存在违规,或者侵犯商业秘密、侵犯著作权等,请点击“违规举报”。

碎片内容

机械制造企业安全质量标准化考评检查表(全)

确认删除?
VIP
微信客服
  • 扫码咨询
会员Q群
  • 会员专属群点击这里加入QQ群
客服邮箱
回到顶部