电脑桌面
添加小米粒文库到电脑桌面
安装后可以在桌面快捷访问

接触网检验批质量验收表格VIP专享VIP免费

接触网检验批质量验收表格_第1页
1/68
接触网检验批质量验收表格_第2页
2/68
接触网检验批质量验收表格_第3页
3/68
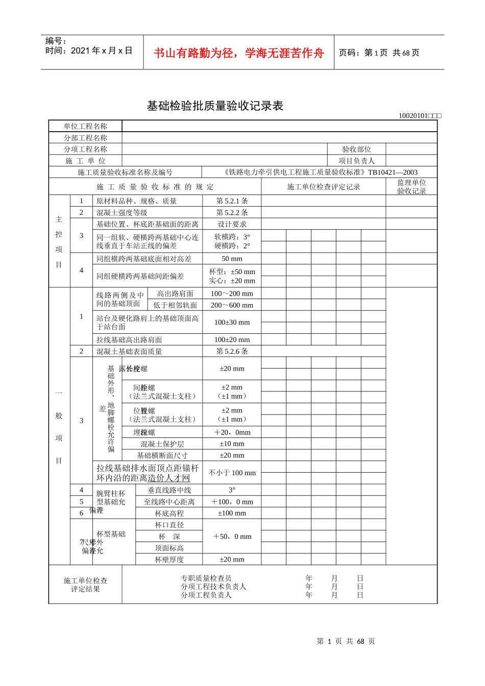
第1页共68页编号:时间:2021年x月x日书山有路勤为径,学海无涯苦作舟页码:第1页共68页基础检验批质量验收记录表10020101□□□单位工程名称分部工程名称分项工程名称验收部位施工单位项目负责人施工质量验收标准名称及编号《铁路电力牵引供电工程施工质量验收标准》TB10421—2003施工质量验收标准的规定施工单位检查评定记录监理单位验收记录主控项目1原材料品种、规格、质量第5.2.1条2混凝土强度等级第5.2.2条3基础位置、杯底距基础面的距离设计要求同一组软、硬横跨两基础中心连线垂直于车站正线的偏差软横跨:3°硬横跨:2°4同组横跨两基础底面相对高差50mm同组硬横跨两基础间距偏差杯型:±50mm实心:±20mm一般项目1线路两侧及中间的基础顶面高出路肩面100~200mm低于相邻轨面200~600mm站台及硬化路肩上的基础顶面高于站台面100±30mm拉线基础高出路肩面100±20mm2混凝土基础表面质量第5.2.6条3基础外形、地脚螺栓允许偏差螺栓外露长度±20mm螺栓间距(法兰式混凝土支柱)±2mm(±1mm)螺栓位置(法兰式混凝土支柱)±2mm(±1mm)螺栓埋深+20,0mm混凝土保护层±10mm基础横断面尺寸±20mm拉线基础排水面顶点距锚杆环内沿的距离造价人才网不小于100mm4腕臂柱杯型基础允许偏差垂直线路中线3°5至线路中心距离+100,0mm6杯底高程±100mm7杯型基础外形尺寸允许偏差杯口直径+50,0mm杯深顶面标高杯壁厚度±20mm施工单位检查评定结果专职质量检查员年月日分项工程技术负责人年月日分项工程负责人年月日第2页共68页第1页共68页编号:时间:2021年x月x日书山有路勤为径,学海无涯苦作舟页码:第2页共68页监理单位验收结论监理工程师年月日说明主控项目1.运达现场的水泥、砂、石料、钢筋,应按批次进行检验,质量应符合国家标准并应与所配制混凝土的等级相适应。检验方法和检验数量应符合现行铁道行业标准《铁路混凝土与砌体工程施工质量验收标准》(TB10424)的规定。2.在同条件养护下,基础(含拉线基础)的混凝土试块的抗压极限强度不得监理工程师论坛小于设计值。检验数量:施工单位每50m3混凝土或每个小站一组混凝土试块(每组三块),大于500m3的车站每100m3混凝土一组试块。拉线基础每一车站、区间一组混凝土试块。监理单位见证取样检测数量不少于一组。检验方法:施工单位做混凝土抗压强度试验;监理单位见证取样检测,混凝土试块的抗压极限强度试验报告。3.基础、拉线基础位置、杯型基础内杯底距基础面的距离应符合设计要求。同一组软、硬横跨两基础中心连线应垂直于车站正线,软横跨施工偏差不应大于3°,硬横跨施工偏差不应大于2°。检验数量:施工单位、监理单位全部检查。检验方法:测量检查。4.同一组软、硬横跨的杯型基础底面及硬横跨实心基础底面高程应相等,相对误差不超过50mm。同组硬横跨两杯型基础杯底中心间距允许偏差为±50mm。硬横跨两实心基础间距应符合横梁跨长的要求,施工偏差±20mm且每个杯型基础、实心基础的位置符合侧面限界要求。检验数量:施工单位、监理单位全部检查。检验方法:施工单位观察、水准仪、钢卷尺测量检查;监理单位平行检验。一般项目1.线路两侧和线路中间的基础顶面应高出路肩面100~200mm,低于相邻轨面200~600mm;站台及硬化路肩上的基础顶面应高于站台面100mm,允许偏差±30mm。拉线基础高出路肩面100mm,施工偏差±20mm。检验数量:施工单位全部检查。检验方法:观察、测量检查。2.基础表面平整、棱角完整、无漏浆、露筋等现象。检验数量:施工单位抽查30%。检验方法:观察检查。3.基础外形尺寸、地脚螺栓外露长度、间距允许偏差应符合下表的规定。拉线基础排水面的尺寸应符合设计要求,并保证排水面顶点距锚杆环内沿的距离不小于100mm。基础外形尺寸、地脚螺栓外露长度、间距允许偏差序号项目允许偏差(mm)1螺栓外露长度±202螺栓相互间距(法兰式混凝土支柱)±2(±1)3螺栓中心位置(法兰式混凝土支柱)±2(±1)4螺栓埋深+2005混凝土保护层±106基础横断面尺寸±20检验数量:施工单位全部检查部。检验方法:观察、测量检查。4.腕臂柱杯型基础的中心线应与线路中心线垂直,偏差不大于3°。检验数量:施工...

1、当您付费下载文档后,您只拥有了使用权限,并不意味着购买了版权,文档只能用于自身使用,不得用于其他商业用途(如 [转卖]进行直接盈利或[编辑后售卖]进行间接盈利)。
2、本站所有内容均由合作方或网友上传,本站不对文档的完整性、权威性及其观点立场正确性做任何保证或承诺!文档内容仅供研究参考,付费前请自行鉴别。
3、如文档内容存在违规,或者侵犯商业秘密、侵犯著作权等,请点击“违规举报”。

碎片内容

接触网检验批质量验收表格

确认删除?
VIP
微信客服
  • 扫码咨询
会员Q群
  • 会员专属群点击这里加入QQ群
客服邮箱
回到顶部