电脑桌面
添加小米粒文库到电脑桌面
安装后可以在桌面快捷访问

介绍设备管理人员绩效考核VIP专享VIP免费

介绍设备管理人员绩效考核_第1页
1/8
介绍设备管理人员绩效考核_第2页
2/8
介绍设备管理人员绩效考核_第3页
3/8
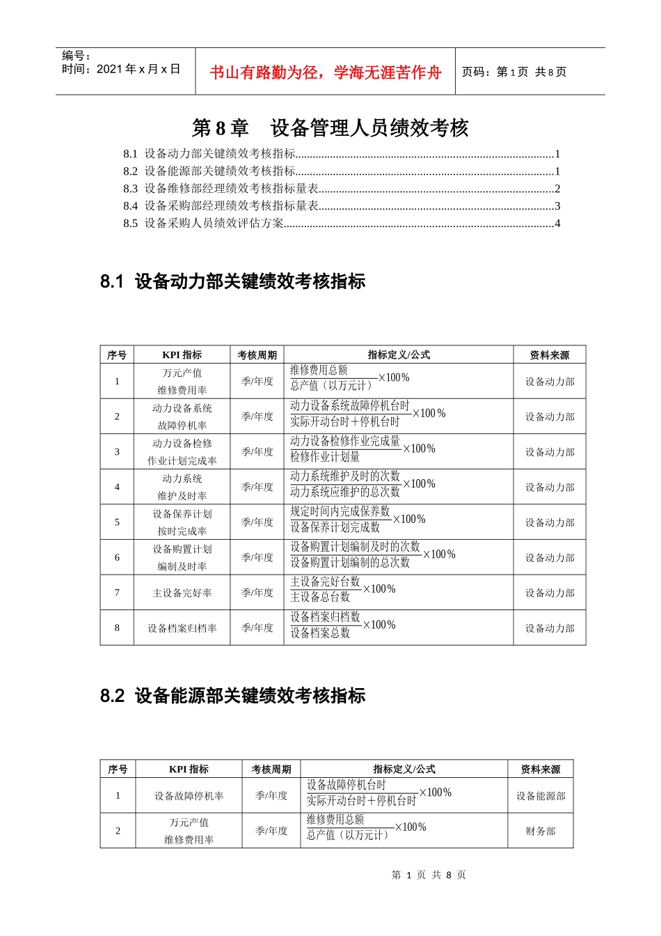
第1页共8页编号:时间:2021年x月x日书山有路勤为径,学海无涯苦作舟页码:第1页共8页第8章设备管理人员绩效考核8.1设备动力部关键绩效考核指标........................................................................................18.2设备能源部关键绩效考核指标........................................................................................18.3设备维修部经理绩效考核指标量表................................................................................28.4设备采购部经理绩效考核指标量表................................................................................38.5设备采购人员绩效评估方案............................................................................................48.1设备动力部关键绩效考核指标序号KPI指标考核周期指标定义/公式资料来源1万元产值维修费用率季/年度维修费用总额总产值(以万元计)×100%设备动力部2动力设备系统故障停机率季/年度动力设备系统故障停机台时实际开动台时+停机台时×100%设备动力部3动力设备检修作业计划完成率季/年度动力设备检修作业完成量检修作业计划量×100%设备动力部4动力系统维护及时率季/年度动力系统维护及时的次数动力系统应维护的总次数×100%设备动力部5设备保养计划按时完成率季/年度规定时间内完成保养数设备保养计划完成数×100%设备动力部6设备购置计划编制及时率季/年度设备购置计划编制及时的次数设备购置计划编制的总次数×100%设备动力部7主设备完好率季/年度主设备完好台数主设备总台数×100%设备动力部8设备档案归档率季/年度设备档案归档数设备档案总数×100%设备动力部8.2设备能源部关键绩效考核指标序号KPI指标考核周期指标定义/公式资料来源1设备故障停机率季/年度设备故障停机台时实际开动台时+停机台时×100%设备能源部2万元产值维修费用率季/年度维修费用总额总产值(以万元计)×100%财务部第2页共8页第1页共8页编号:时间:2021年x月x日书山有路勤为径,学海无涯苦作舟页码:第2页共8页3设备检修作业计划完成率季/年度设备检修作业完成量检修作业计划量×100%设备能源部4能源供应计划按时完成率季/年度能源供应按时完成量能源供应计划完成量×100%设备能源部5能源消耗定额标准编制准确率季/年度标准编制准确的次数标准编制的总次数×100%设备能源部6设备保养计划按时完成率季/年度规定时间内完成保养数设备保养计划完成数×100%设备能源部7设备购置计划编制及时率季/年度设备购置计划编制及时的次数设备购置计划编制的总次数×100%设备能源部8设备档案归档率季/年度设备档案归档数设备档案总数×100%设备能源部8.3设备维修部经理绩效考核指标量表被考核人姓名职位设备维修部经理部门设备维修考核人姓名职位总经理部门序号KPI指标权重绩效目标值考核得分1部门工作计划完成率20%考核期内部门工作计划完成率达到100%2部门管理费用控制15%考核期内管理费用控制在预算范围之内3单位产量维修费用10%考核期内单位产量维修费用控制在元以下4外委维修费用控制10%年度外委维修费用控制在万元以内5设备检修计划完成率10%考核期内设备检修计划完成率在%以上6设备保养计划按时完成率10%考核期内设备保养计划按时完成率达到%7设备购置计划编制及时率10%考核期内设备购置计划编制及时率达到100%8设备故障停机率5%考核期内设备故障停机率控制在%以下9设备故障修复率5%考核期内设备故障修复率在%以上10员工管理5%考核期内部门员工绩效考核得分平均在分以上第3页共8页第2页共8页编号:时间:2021年x月x日书山有路勤为径,学海无涯苦作舟页码:第3页共8页本次考核总得分考核指标说明1.单位产量维修费用单位产量维修费用=总维修费用总产量×100%(总维修费用=故障维修费用+主动预防维修费用)2.外委维修费用外委维修指将已过保修期的设备委托第三方专业维修机构进行修理所发生的费用被考核人考核人复核人签字:日期:签字:日期:签字:日期:8.4设备采购部经理绩效考核指标量表被考核人姓名职位设备采购部经理部门设备采购部考核人姓名职位总经理部门序号K...

1、当您付费下载文档后,您只拥有了使用权限,并不意味着购买了版权,文档只能用于自身使用,不得用于其他商业用途(如 [转卖]进行直接盈利或[编辑后售卖]进行间接盈利)。
2、本站所有内容均由合作方或网友上传,本站不对文档的完整性、权威性及其观点立场正确性做任何保证或承诺!文档内容仅供研究参考,付费前请自行鉴别。
3、如文档内容存在违规,或者侵犯商业秘密、侵犯著作权等,请点击“违规举报”。

碎片内容

介绍设备管理人员绩效考核

确认删除?
VIP
微信客服
  • 扫码咨询
会员Q群
  • 会员专属群点击这里加入QQ群
客服邮箱
回到顶部