电脑桌面
添加小米粒文库到电脑桌面
安装后可以在桌面快捷访问

15101工作面作业规程VIP免费

15101工作面作业规程_第1页
1/128
15101工作面作业规程_第2页
2/128
15101工作面作业规程_第3页
3/128
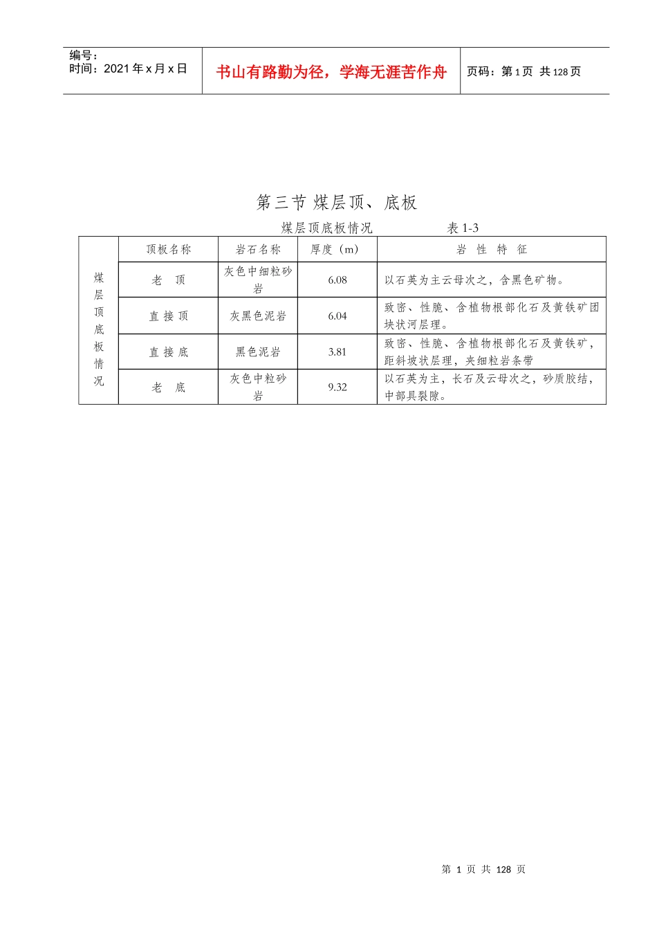
第0页共128页编号:时间:2021年x月x日书山有路勤为径,学海无涯苦作舟页码:第0页共128页第一章概况第一节工作面位置及井上下关系工作面位置及井上下关系表1-1煤层名称15#煤层水平名称600水平采区名称一采区工作面名称15101地面标高(m)950.0-1071.0工作面标高(m)590-640埋藏深度埋藏深度366-433。地面位置本工作面地表位于横梁山西北部、坨辽坡的南部山坡、山梁地带。盖山厚度366-433m,平均约400m。地表无裂隙,无建筑物。井下位置及四邻采掘情况15101工作面位于井田南部,其东部、西部、北部均未采动。停采线位置距切巷710m,距采区轨道巷40m回采对地面设施影响无影响。走向长(m)750倾斜长(m)147面积(m2)110250第二节煤层煤层情况表1-2煤层情况煤层总厚(m)5.84煤层结构煤层倾角(°)3°~8°2.41(0.25)3.61(0.30)0.754°可采指数1变异系数(%)2稳定程度稳定本工作面煤层赋存稳定,结构复杂,陷落柱发育。煤层最薄3.79m,最厚7.9m,平均煤厚5.84m,煤层中含一层夹石,分布在煤层的下部,赋存不稳定。煤质情况MadAdVdafQgr.r.dFCStdY工业牌号0.91%5.69%9.11%29.05MJ/Kg1.45%WY3本面煤质佳,主要由光亮型、半亮型及亮煤条带组成。第1页共128页第0页共128页编号:时间:2021年x月x日书山有路勤为径,学海无涯苦作舟页码:第1页共128页第三节煤层顶、底板煤层顶底板情况表1-3煤层顶底板情况顶板名称岩石名称厚度(m)岩性特征老顶灰色中细粒砂岩6.08以石英为主云母次之,含黑色矿物。直接顶灰黑色泥岩6.04致密、性脆、含植物根部化石及黄铁矿团块状河层理。直接底黑色泥岩3.81致密、性脆、含植物根部化石及黄铁矿,距斜坡状层理,夹细粒岩条带老底灰色中粒砂岩9.32以石英为主,长石及云母次之,砂质胶结,中部具裂隙。第2页共128页第1页共128页编号:时间:2021年x月x日书山有路勤为径,学海无涯苦作舟页码:第2页共128页第3页共128页第2页共128页编号:时间:2021年x月x日书山有路勤为径,学海无涯苦作舟页码:第3页共128页第4页共128页第3页共128页编号:时间:2021年x月x日书山有路勤为径,学海无涯苦作舟页码:第4页共128页第四节地质构造(1)根据现有资料及掘进巷道实测数据,本采区为一单斜构造,呈北东向南西倾斜。煤层倾角最大8°,最小3°,平均倾角4°。。(2)15101工作面巷道掘进中揭露陷落柱3个。陷落柱及冲刷表1-5陷落柱名称距切巷距离(m)长轴(m)短轴(m)推进方向影响长度对回采的影响程度备注X128812660126m对回采有较大影响回风巷揭露X24213636m对回采有一定影响进风行揭露X35673030m对回采有一定影响回风巷揭露(3)瓦斯地质情况根据工作面在掘进期间收集的瓦斯数据、地质构造情况及坑透解释资料,建议矿井在15号煤层开采过程中加强煤层瓦斯含量测定工作,并根据补充测定结果以及采掘方案的调整情况,及时修正矿井瓦斯涌出量预测结果,掌握瓦斯赋存规律,更好地治理矿井瓦斯,保障矿井安全生产。第五节水文地质情况及探放水建议一、本采区水文地质条件简单,煤层冲水通道主要为煤层顶板以上岩石的裂隙、陷落柱、断层及开采后形成的导水裂隙带。不受采空积水影响。二、预计最大涌水量:10m³∕h,预计正常涌水量:2m³∕h三、问题及建议1、1、对于工作面上方局部裂隙含水层水,在工作面推进到低凹处时可能会第5页共128页第4页共128页编号:时间:2021年x月x日书山有路勤为径,学海无涯苦作舟页码:第5页共128页有顶板淋头水及落山出水现象,要做好防排水准备工作。2、工作面有积水时,安设潜水泵,及时排除积水。第六节影响回采的其他因素影响回采的其它因素表1-6瓦斯绝对瓦斯涌出量71.17m3/min,相对涌出量37.58m3/t。煤尘无煤尘爆炸危险性煤的自燃不易再燃地温16.9-23.2°C地压无冲击地压问题及建议1、本回采工作面目前揭露了三个陷落柱,其编号为X1、X2、X3,构造附近煤层疏松,节理发育,瓦斯易于吸附、聚集,当回采至构造段附近时,应加强瓦斯检测及通风管理,并提前做好过构造准备工作,确保安全。2、本工作面揭露三个陷落柱构造,其编号为X1、X2、X3,施工队组要提前做好过构造准备工作,确保安全生产。3、工作面回采期间一定要做好防排水准备工...

1、当您付费下载文档后,您只拥有了使用权限,并不意味着购买了版权,文档只能用于自身使用,不得用于其他商业用途(如 [转卖]进行直接盈利或[编辑后售卖]进行间接盈利)。
2、本站所有内容均由合作方或网友上传,本站不对文档的完整性、权威性及其观点立场正确性做任何保证或承诺!文档内容仅供研究参考,付费前请自行鉴别。
3、如文档内容存在违规,或者侵犯商业秘密、侵犯著作权等,请点击“违规举报”。

碎片内容

15101工作面作业规程

精品中小学文档+ 关注
实名认证
内容提供者

精品资料,值得下载

确认删除?
VIP
微信客服
  • 扫码咨询
会员Q群
  • 会员专属群点击这里加入QQ群
客服邮箱
回到顶部