电脑桌面
添加小米粒文库到电脑桌面
安装后可以在桌面快捷访问

山东省危险化学品从业单位安全标准化标准及考核评级办VIP免费

山东省危险化学品从业单位安全标准化标准及考核评级办_第1页
1/67
山东省危险化学品从业单位安全标准化标准及考核评级办_第2页
2/67
山东省危险化学品从业单位安全标准化标准及考核评级办_第3页
3/67
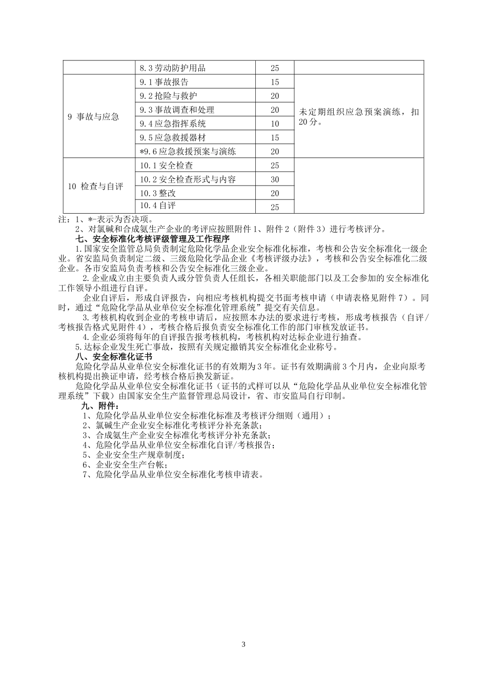
山东省危险化学品从业单位安全标准化标准及考核评级办法(鲁安监发〔2009〕126号)一、本办法适用范围山东省辖区内依法设立的生产、经营、储存和使用危险化学品的企业或者其所属生产、经营、储存和使用危险化学品的独立核算成本的单位。二、申请安全标准化考核评级的企业必须具备以下条件1.依法取得国家规定的相应安全许可;2.依据《危险化学品从业单位安全标准化通用规范》(AQ3013-2008)等3个“AQ标准”和本考核评级办法的要求,开展安全标准化工作并按规定进行了自评;3.至申请之日前一年内未发生死亡事故。三、安全标准化企业等级安全标准化企业分为一级、二级、三级。考核评级标准如下:一级企业:按照国家安监总局有关规定执行;二级企业:安全标准化得分80分(含)以上,且每个A级要素得分在60分(含)以上;三级企业:安全标准化得分70分(含)以上,且每个A级要素得分在60分(含)以上。四、安全标准化A级要素在考核评级中的权重系数1.负责人与责任:0.10;2.风险管理:0.12;3.法律法规与管理制度:0.08;4.培训教育:0.10;5.生产设施及工艺安全:0.20;6.作业安全:0.12;7.产品安全与危害告知:0.08;8.职业危害:0.05;9.事故与应急:0.05;10.检查与绩效考核:0.10。五、安全标准化考核得分计算办法安全标准化考核采取满分为100分。每个A级要素满分为100分,各A级要素的考核得分乘以各自对应的权重系数,然后加和得到安全标准化考核总分值,计算方法如下:M=∑i=1nKi·Mi式中M—总分值;Ki—权重系数;Mi—各要素得分值;n—要素个数。当企业不涉及本规范中的某些要素时为缺项,按零分计。要素得分值折算方法如下:式中Mi实—实得分值;Mi满—扣除缺项后的要素满分值。六、考核分值及否决项的设置一级要素二级要素标准分否决项1负责人与职责1.1负责人201.2方针目标101.3机构设置201.4职责3011.5安全生产投入及工伤保险202风险管理2.1范围与评价方法10重大危险源未进行定期检测或评估或监控,扣20分。2.2风险评价302.3风险控制202.4隐患治理10*2.5重大危险源202.6风险信息更新103法律法规与管理制度3.1法律法规201个岗位无操作规程,扣25分。3.2符合性评价153.3安全生产规章制度25*3.4操作规程253.5修订154培训教育4.1培训教育管理101.主要负责人或安全生产管理人员未取得安全资格证书或证书失效,扣20分。2.1人次未接受三级培训教育而上岗,扣20分。*4.2管理人员培训教育204.3从业人员培训教育20*4.4新从业人员培训教育204.5其他人员培训教育104.6日常安全教育205生产设施及工艺安全*5.1生产设施建设151.采用淘汰落后的工艺、设备的,扣100分。2.未按照有关规定或标准在易燃、易爆、有毒区域设置检测报警设施或在可能发生火灾、爆炸的部位设置防超温、超压安全联锁设施或泄压设施及其它控制设施,扣100分。3.未办理相关手续停用安全联锁设施,扣25分。*5.2安全设施255.3特种设备5*5.4工艺安全255.5关键装置及重点部位55.6检维修155.7拆除和报废106作业安全6.1作业许可25未办理相关作业许可证从事危险性作业活动,扣25分6.2警示标志15*6.3作业环节256.4承包商与供应商156.5变更207产品安全与危害告知7.1危险化学品档案15未按照规定要求进行登记,扣100分7.2化学品分类107.3化学品安全技术说明书和安全标签157.4化学事故应急咨询服务电话10*7.5危险化学品登记307.6危害告知208职业危害8.1职业危害申报25生产区内有人居住扣100分。*8.2作业场所职业危害管理5028.3劳动防护用品259事故与应急9.1事故报告15未定期组织应急预案演练,扣20分。9.2抢险与救护209.3事故调查和处理209.4应急指挥系统109.5应急救援器材15*9.6应急救援预案与演练2010检查与自评10.1安全检查2510.2安全检查形式与内容3010.3整改2010.4自评25注:1、*-表示为否决项。2、对氯碱和合成氨生产企业的考评应按照附件1、附件2(附件3)进行考核评分。七、安全标准化考核评级管理及工作程序1.国家安全监管总局负责制定危险化学品企业安全标准化标准,考核和公告安全标准化一级企业。省安监局负责制定二级、三级危险化学品企业《考核评级办法》,考核和公告安全标准化二级企业。各市安监局...

1、当您付费下载文档后,您只拥有了使用权限,并不意味着购买了版权,文档只能用于自身使用,不得用于其他商业用途(如 [转卖]进行直接盈利或[编辑后售卖]进行间接盈利)。
2、本站所有内容均由合作方或网友上传,本站不对文档的完整性、权威性及其观点立场正确性做任何保证或承诺!文档内容仅供研究参考,付费前请自行鉴别。
3、如文档内容存在违规,或者侵犯商业秘密、侵犯著作权等,请点击“违规举报”。

碎片内容

山东省危险化学品从业单位安全标准化标准及考核评级办

精品中小学文档+ 关注
实名认证
内容提供者

精品资料,值得下载

确认删除?
VIP
微信客服
  • 扫码咨询
会员Q群
  • 会员专属群点击这里加入QQ群
客服邮箱
回到顶部