电脑桌面
添加小米粒文库到电脑桌面
安装后可以在桌面快捷访问

人员密集场所消防安全标准化管理评定细则VIP专享VIP免费

人员密集场所消防安全标准化管理评定细则_第1页
1/9
人员密集场所消防安全标准化管理评定细则_第2页
2/9
人员密集场所消防安全标准化管理评定细则_第3页
3/9
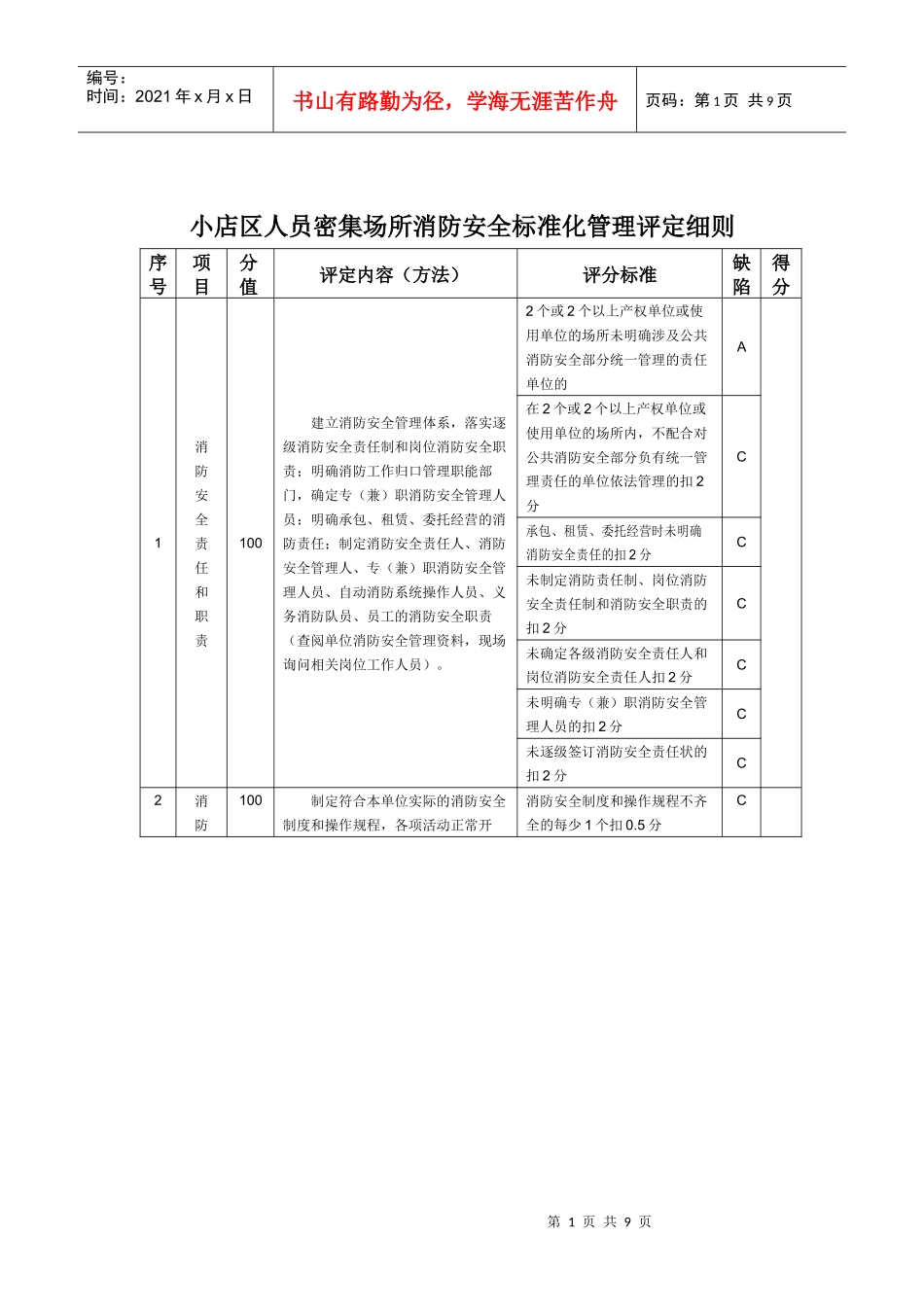
第1页共9页编号:时间:2021年x月x日书山有路勤为径,学海无涯苦作舟页码:第1页共9页小店区人员密集场所消防安全标准化管理评定细则序号项目分值评定内容(方法)评分标准缺陷得分1消防安全责任和职责100建立消防安全管理体系,落实逐级消防安全责任制和岗位消防安全职责;明确消防工作归口管理职能部门,确定专(兼)职消防安全管理人员;明确承包、租赁、委托经营的消防责任;制定消防安全责任人、消防安全管理人、专(兼)职消防安全管理人员、自动消防系统操作人员、义务消防队员、员工的消防安全职责(查阅单位消防安全管理资料,现场询问相关岗位工作人员)。2个或2个以上产权单位或使用单位的场所未明确涉及公共消防安全部分统一管理的责任单位的A在2个或2个以上产权单位或使用单位的场所内,不配合对公共消防安全部分负有统一管理责任的单位依法管理的扣2分C承包、租赁、委托经营时未明确消防安全责任的扣2分C未制定消防责任制、岗位消防安全责任制和消防安全职责的扣2分C未确定各级消防安全责任人和岗位消防安全责任人扣2分C未明确专(兼)职消防安全管理人员的扣2分C未逐级签订消防安全责任状的扣2分C2消防100制定符合本单位实际的消防安全制度和操作规程,各项活动正常开消防安全制度和操作规程不齐全的每少1个扣0.5分C第2页共9页第1页共9页编号:时间:2021年x月x日书山有路勤为径,学海无涯苦作舟页码:第2页共9页安全制度和操作规程展。单位消防安全制度应包括消防安全例会制度、消防组织管理制度、消防安全教育培训制度、防火巡查、检查制度、火灾隐患整改制度、消防(控制室)值班制度、安全疏散设施管理制度、燃气、电气设备和用火、用电安全管理制度、消防设施器材维护管理制度、灭火和应急疏散演练制度、消防安全工作考评和奖惩制度。操作规程应包括消防设施操作规程(包括消防控制室、消防水泵房、消防电梯等)、变配电设备操作规程(包括总配电间、分配电间)、电气线路安装操作规程、电焊气焊操作规程等(查阅单位消防安全管理制度和操作规程、各项工作记录)。制度和规程内容不符合要求的每个扣0.1分C序号项目分值评定内容(方法)评分标准缺陷得分3消防安全措施通项安全布局和耐火等级建筑结构、耐火等级、总平面布局必须符合国家消防技术规范的具体要求,人员密集场所的设置应符合《建规》和《高规》等要求(检查单位主体建筑和人员密集场所)。建筑耐火等级和安全布局不符合要求A安全疏散70安全疏散设施设置符合国家消防技术标准要求。安全出口数目符合规范要求;安全出口间距不小于5m;安全出口疏散门设置符合规范要求;单层、多层建筑楼梯和走道净宽不小于1.1m,高层的不小于1.2m;疏散楼梯间形式和楼梯间的疏散门符合规范要求;地下、半地下室与地上层共用楼梯间时应按规范要求进行防火分隔;疏散指示标志和火灾应急照明设置符合标准要求(检查单位主体建筑和人员密集场所的安全疏散设施)。缺少安全出口A疏散楼梯间形式不符合规范要求A需要控制人员随意出入的安全出口、疏散门,或设有门禁系统的,不能保证火灾时不用钥匙等任何工具即能易于从内部打开的A未在安全出口、疏散门的显著位置设置“紧急出口”标识和门禁系统使用提示的扣2分B未按标准要求设置火灾应急照明和疏散指示标志的,扣2分B第3页共9页第2页共9页编号:时间:2021年x月x日书山有路勤为径,学海无涯苦作舟页码:第3页共9页同一防火分区相邻安全出口或疏散出口最近边缘之间的水平距离小于5m的扣2分B地下、半地下室与地上共用楼梯间不符合要求的扣2分B疏散宽度不足的扣1分B内部装修30建筑内部装修符合国家消防技术规范要求(检查单位主体建筑和人员密集场所的内部装修情况)。歌舞娱乐场所内部装修不符合江西省地方标准的A内装修影响安全疏散的扣2分B内装修影响消防设施正常使用的扣2分B序号项目分值评定内容(方法)评分标准缺陷得分3消防安全措施通项消防设施70消火栓系统、自动喷水灭火设施、火灾自动报警系统、防排烟系统和灭火器配置符合国家消防技术规范要求。(检查单位主体建筑和人员密集场所的消防设施设置情况)。应设置消火栓系统、自动喷水灭火系统、火灾自动报警系统、...

1、当您付费下载文档后,您只拥有了使用权限,并不意味着购买了版权,文档只能用于自身使用,不得用于其他商业用途(如 [转卖]进行直接盈利或[编辑后售卖]进行间接盈利)。
2、本站所有内容均由合作方或网友上传,本站不对文档的完整性、权威性及其观点立场正确性做任何保证或承诺!文档内容仅供研究参考,付费前请自行鉴别。
3、如文档内容存在违规,或者侵犯商业秘密、侵犯著作权等,请点击“违规举报”。

碎片内容

人员密集场所消防安全标准化管理评定细则

确认删除?
VIP
微信客服
  • 扫码咨询
会员Q群
  • 会员专属群点击这里加入QQ群
客服邮箱
回到顶部