电脑桌面
添加小米粒文库到电脑桌面
安装后可以在桌面快捷访问

第八届全国设备管理优秀单位推荐表汇编VIP免费

第八届全国设备管理优秀单位推荐表汇编_第1页
1/8
第八届全国设备管理优秀单位推荐表汇编_第2页
2/8
第八届全国设备管理优秀单位推荐表汇编_第3页
3/8
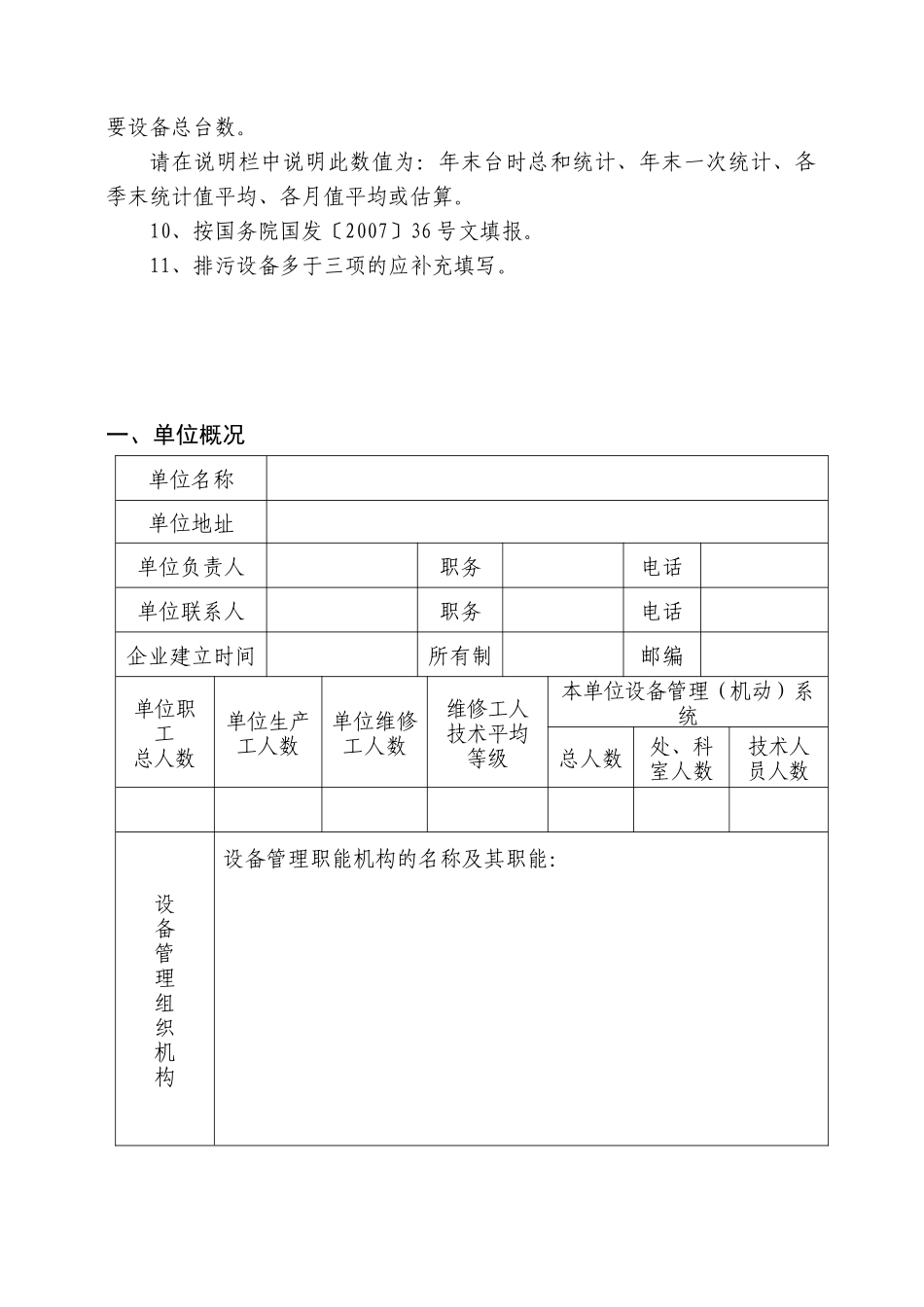
第八届全国设备管理优秀单位推荐表企业名称(盖章)经理(厂长)姓名(盖章)推荐单位中国电力设备管理协会(盖章)报送日期年月日中国设备管理协会印制填表说明1、本表请按企业情况如实填写,数字准确。填写时一律用钢笔或打印,字迹工整、清晰。2、企业及设备管理的主要业绩,按照表彰条件由企业简明扼要填写,篇幅1200字以内,并应说明曾获得哪些设备管理方面的奖励。本项内容将作为《全国设备管理优秀单位介绍汇编》出版。3、封面推荐单位指的是省、自治区、直辖市及行业设备管理协会,未成立设备管理协会的地方或行业,由省或行业主要部门推荐。4.单位名称应按工商行政管理局登记注册的法定代表人全名填写,如系集团公司下的二级法人,请写出集团公司全名及单位全名,非注册法人不得申报。5、主要生产设备利用率=全年主要设备实际工作时间/全年主要设备制度时间×100%。6、年实际使用设备维修费用,包括从日常维护到大修的全部维修费用。7.全年主要设备故障停机率=全年主要设备因故障(含修理)停机分时/设备实际开动台时+设备故障(含修理)停机台时×100%。8、设备新度系数=年末设备固定资产净值/年末设备固定资产原值。9、主要设备完好率=主要设备总台数-故障停机台数-带病运行台数/主要设备总台数。请在说明栏中说明此数值为:年末台时总和统计、年末一次统计、各季末统计值平均、各月值平均或估算。10、按国务院国发〔2007〕36号文填报。11、排污设备多于三项的应补充填写。一、单位概况单位名称单位地址单位负责人职务电话单位联系人职务电话企业建立时间所有制邮编单位职工总人数单位生产工人数单位维修工人数维修工人技术平均等级本单位设备管理(机动)系统总人数处、科室人数技术人员人数设备管理组织机构设备管理职能机构的名称及其职能:系统企业维修工程外包的情况及比例;主要承包单位名称、资质、等级及承包范围。二、企业主要经济指标及设备资产基本情况项目2007年2008年备注企业年度利润(万元)企业年度税金总计(万元)固定资产原值(万元)其中:设备固定资产原值(万元)财政部门核定的折旧方式及折旧率年应提设备折旧金额(万元)年实提设备折旧金额(万元)其中:用于设备更新、改造(万元)三、设备管理指标项目2007年备注主要生产设备利用率(%)年实际使用设备维修费用(万元)全年主要设备故障停机率(%)设备新度系数年度主要设备完好率(%)说明:(如填不下可附页)四、节能、排污、安全考核指标节能考核指标节能目标分值:分值节能措施分值:主要排污设备运行考核指标设备名称设计运行能力实际运行能力达到设计的%安全考核指标有无特别重大及重大事故事故内容五、企业及设备管理的主要业绩介绍单位全称:单位地址:联系人:邮编:联系电话:六、省、自治区、直辖市或行业设备管理协会及有关部门推荐单位:推荐单位负责人签字推荐单位(盖章)联系人:电话:年月日七、中国设备管理协会专家组抽查、审核的综合意见:专家组负责人签字年月日八、中国设备管理协会审定意见:(盖章)年月日

1、当您付费下载文档后,您只拥有了使用权限,并不意味着购买了版权,文档只能用于自身使用,不得用于其他商业用途(如 [转卖]进行直接盈利或[编辑后售卖]进行间接盈利)。
2、本站所有内容均由合作方或网友上传,本站不对文档的完整性、权威性及其观点立场正确性做任何保证或承诺!文档内容仅供研究参考,付费前请自行鉴别。
3、如文档内容存在违规,或者侵犯商业秘密、侵犯著作权等,请点击“违规举报”。

碎片内容

第八届全国设备管理优秀单位推荐表汇编

精品中小学文档+ 关注
实名认证
内容提供者

精品资料,值得下载

确认删除?
VIP
微信客服
  • 扫码咨询
会员Q群
  • 会员专属群点击这里加入QQ群
客服邮箱
回到顶部