电脑桌面
添加小米粒文库到电脑桌面
安装后可以在桌面快捷访问

XXXX年福建移动GSM网络质量现场测试规范书V6VIP免费

XXXX年福建移动GSM网络质量现场测试规范书V6_第1页
1/38
XXXX年福建移动GSM网络质量现场测试规范书V6_第2页
2/38
XXXX年福建移动GSM网络质量现场测试规范书V6_第3页
3/38
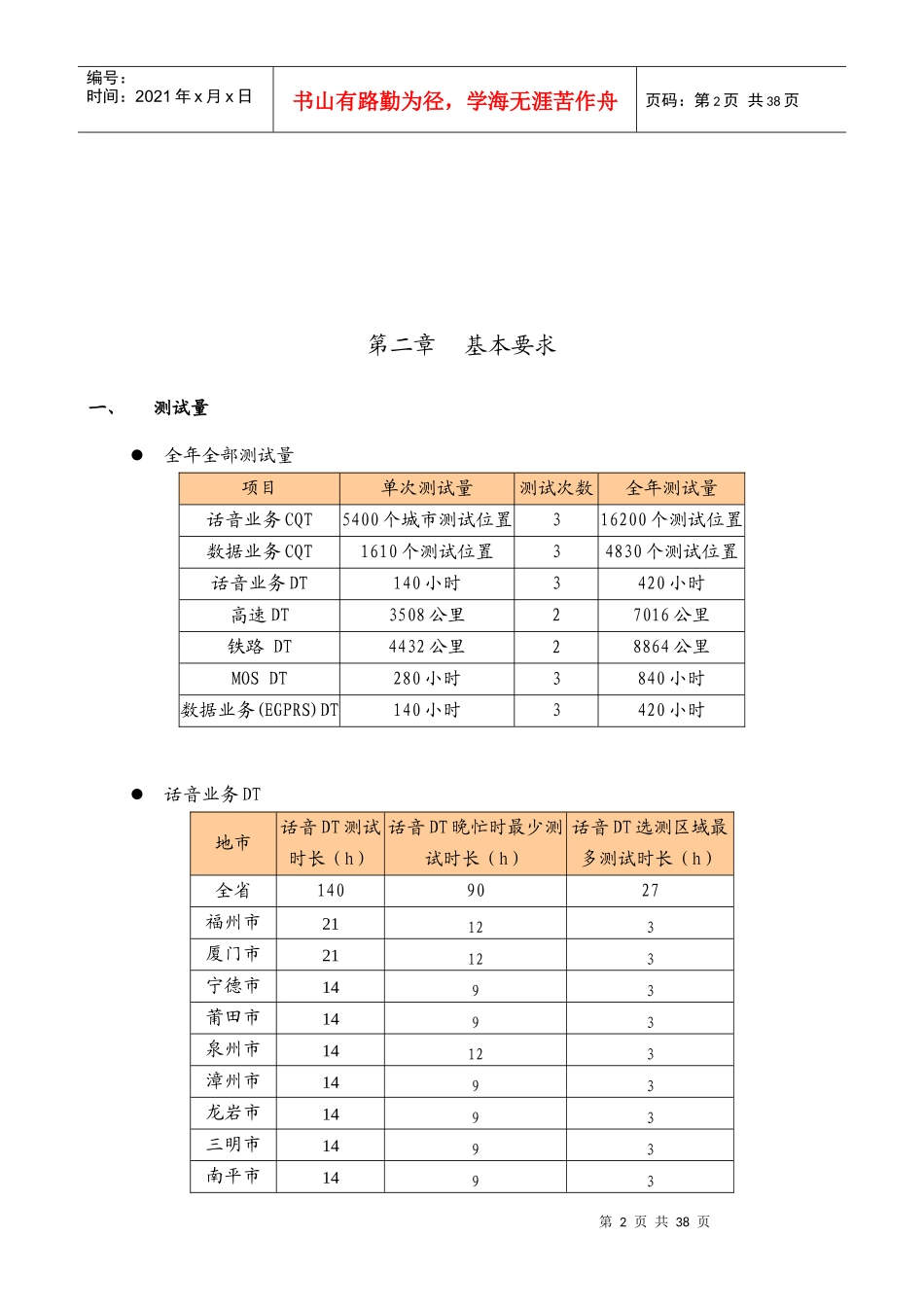
第1页共38页编号:时间:2021年x月x日书山有路勤为径,学海无涯苦作舟页码:第1页共38页2010年中国移动福建公司网络质量现场测试规范第一章总则一、话音业务测试项目包括深度覆盖CQT、城区DT、交通干线DT三个部分。所有GSM测试项目都将与联通GSM、电信CDMA进行对比测评。二、数据业务测试主要进行EGPRS业务测试,项目包括CQT和DT测试。CQT包括短信、彩信、Attach测试、PDP激活测试、WAP登录、WAP页面刷新、WAP图铃下载测试、ping测试、FTP下载、WEB方式邮件上传和下载测试、KJava下载测试等业务。DT包括FTP下载和WAP业务。其中,CQT测试中点对点短信接通率、彩信端到端接通率、手机上网的首页登陆成功率、手机上网的首页时长、手机上网的页面刷新成功率、手机上网的页面刷新时长等六项指标进行与电信CDMA对比测试,另外数据业务的所有测试项目指标包括CQT和DT,都进行与联通GPRS对比测试。三、本测试规范可以根据中国移动集团公司2010年测试规范要求进行适当修改。四、本测试规范的解释权和修改权归中国移动通信集团福建有限公司网管中心所有。第2页共38页第1页共38页编号:时间:2021年x月x日书山有路勤为径,学海无涯苦作舟页码:第2页共38页第二章基本要求一、测试量全年全部测试量项目单次测试量测试次数全年测试量话音业务CQT5400个城市测试位置316200个测试位置数据业务CQT1610个测试位置34830个测试位置话音业务DT140小时3420小时高速DT3508公里27016公里铁路DT4432公里28864公里MOSDT280小时3840小时数据业务(EGPRS)DT140小时3420小时话音业务DT地市话音DT测试时长(h)话音DT晚忙时最少测试时长(h)话音DT选测区域最多测试时长(h)全省1409027福州市21123厦门市21123宁德市1493莆田市1493泉州市14123漳州市1493龙岩市1493三明市1493南平市1493第3页共38页第2页共38页编号:时间:2021年x月x日书山有路勤为径,学海无涯苦作舟页码:第3页共38页数据业务(EGPRS)DT测试总时长(h)晚忙时最少测试时长(h)WAPDT最少测试时长(h)FTPDT最少测试时长(h)全省140544545福州市21666厦门市21666宁德市1464.54.5莆田市1464.54.5泉州市14666漳州市1464.54.5龙岩市1464.54.5三明市1464.54.5南平市1464.54.5MOSDTMOSDT测试时长(h)MOSDT晚忙时最少测试时长(h)全省14060福州市219厦门市216宁德市146莆田市146泉州市149漳州市146龙岩市146三明市146南平市146第4页共38页第3页共38页编号:时间:2021年x月x日书山有路勤为径,学海无涯苦作舟页码:第4页共38页高速DT线路具体起止单程里程(KM)往返里程(KM)沈海线福鼎分水关闽浙边界-诏安分水关闽粤边界,福安连接线(出口过桥至国道返回)、厦门连接线(出口至厦门大桥西口返回)6931386漳龙线漳州江东互通-龙岩龙门收费站117234福银线福州白湖亭收费站-闽侯青口兰圃互通-三明沙县际口互通-三明沙县夏茂-三明将乐-三明泰宁朱洋-南平邵武肖家坊-南平邵武沙塘隘闽赣边界,南平连接线(出口为南平北出口)、三明连接线(出口至过桥至国道返回)、邵武连接线380760蒲南线蒲城-建阳-南平255510龙赣线龙岩-长汀出口(往江西方向)130260泉三线三明-泉州264528莆秀线莆田-秀屿23.5847.16全省1884.583769.16铁路DT(需测往返)线路类别具体起止单程里程(KM)往返里程(KM)测试时间福厦铁路高铁福州南站-厦门西站273546上/下半年龙厦铁路高铁龙岩-厦门140280上半年温福铁路高铁浙江苍南-福建福州(浙江温州-福建福州)267.475534.95上/下半年厦深铁路高铁福建厦门-广东深圳5501100峰福铁路普通“外福线”和“横南线”已合并改名为“峰福线”656.6681313.336上/下半年外福铁路普通福建来舟-福建福州186.668373.336横南铁路普通江西横峰-福建南平231462鹰厦铁路普通江西资溪-福建厦门(江西鹰潭-福建厦门)6431286上/下半年漳泉肖铁路普通福建漳平梅水-福建泉州湄洲湾肖厝港263.8527.6上半年赣龙铁路普通江西瑞金-福建龙岩(江西赣州-福建龙岩)157.8315.6上半年梅坎铁路普通广东大埔县-福建坎市(广东梅州-龙岩永定坎市)82164上半年漳龙铁路普通福建漳平-福建永定坎市98196上半年5163.4863680.2868843.772第5...

1、当您付费下载文档后,您只拥有了使用权限,并不意味着购买了版权,文档只能用于自身使用,不得用于其他商业用途(如 [转卖]进行直接盈利或[编辑后售卖]进行间接盈利)。
2、本站所有内容均由合作方或网友上传,本站不对文档的完整性、权威性及其观点立场正确性做任何保证或承诺!文档内容仅供研究参考,付费前请自行鉴别。
3、如文档内容存在违规,或者侵犯商业秘密、侵犯著作权等,请点击“违规举报”。

碎片内容

XXXX年福建移动GSM网络质量现场测试规范书V6

精品中小学文档+ 关注
实名认证
内容提供者

精品资料,值得下载

确认删除?
VIP
微信客服
  • 扫码咨询
会员Q群
  • 会员专属群点击这里加入QQ群
客服邮箱
回到顶部