电脑桌面
添加小米粒文库到电脑桌面
安装后可以在桌面快捷访问

建筑行业预应力实心整间大楼板安装交底记录 VIP免费

建筑行业预应力实心整间大楼板安装交底记录 _第1页
1/6
建筑行业预应力实心整间大楼板安装交底记录 _第2页
2/6
建筑行业预应力实心整间大楼板安装交底记录 _第3页
3/6
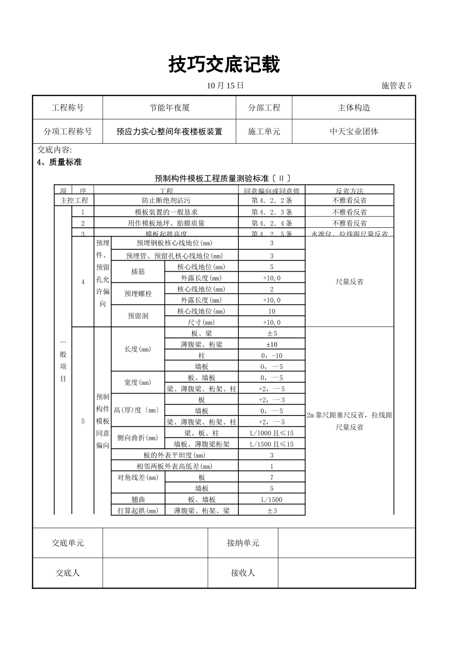
技巧交底记载10月15日施管表5工程称号节能年夜厦分部工程主体构造分项工程称号预应力实心整间年夜楼板装置施工单元中天宝业团体交底内容:1、按照标准:《修建工程施工质量验收一致标准》GB50300-2001《钢筋混凝土构造工程施工质量验收标准》GB50204-2002《高层修建混凝土技巧规程》JGJ3-2002《一般混凝土共同比打算规程》JGJ55-2000《砌筑砂浆共同比打算规程》JGJ98-2000《一般混凝土用砂质量标准及测验方法》JGJ52-92《一般混凝土用碎石跟卵石质量标准及测验方法》GJ53-92《混凝土外加剂运用技巧标准》GBJ119-882、施工预备材料及要紧机具:年夜楼板:无裂纹、翘曲等缺点。应有构件出厂及格证。水泥:标号为425号硅酸盐水泥、一般硅酸盐水泥、矿渣硅酸盐水泥。应有出厂及格证,按规则做复试。砂:中砂。要紧东西:钢筋板子、撬棍、套管、钢管支持、100mm×100mm木方等。功课前提:按现场施工立体图恳求将堆放园地修缮平坦夯实,第一块年夜板上面放置通长垫木,每块板间垫短垫木。当年夜楼板板宽≤3170mm时,垫木长400mm,板宽为3770mm时,垫木长500mm。垫木厚≥50mm,垫木平行板长边放置。见图4-41。垫木要高低对齐,垫平垫实,不得有一角脱空景象。每垛堆放最多为9块。年夜楼板运输时在车内堆放情况也应与此一样。反省年夜楼板能否有出厂及格证。而后对年夜楼板外表质量进展反省,凡不契合质量恳求的不得运用,交底单元接纳单元交底人接收人技巧交底记载10月15日施管表5工程称号节能年夜厦分部工程主体构造分项工程称号预应力实心整间年夜楼板装置施工单元中天宝业团体交底内容:如年夜楼板板面或凸键有裂纹或破坏的,均不得运用。反省墙体轴线及标高,比照吊装图核查年夜楼板型号、规格。查清年夜楼板上洞口偏向与图纸能否一样。修缮现浇混凝土墙体高度,墙体高度应低于板底标高10~20mm,如混凝土墙体高度低时,应补混凝土寻平;如混凝土墙体超过板底标高时应剔凿,以保障楼板上外表标高契合恳求。墙体轴线偏移过多,应进展调剂,以保障年夜楼板搭墙长度契合恳求。3、操纵工艺工艺流程:抹砂浆寻平层或硬架支模→吊装年夜楼板→调剂板地位→拾掇绑扎钢筋。抹砂浆寻平层或硬架支模:装置年夜楼板之前,按照墙体混凝土标高在墙顶抹寻平层,寻平层水泥砂浆共同比为1﹕3。如采纳硬架支模时,墙顶混凝土标高应下落1~2cm。吊装年夜楼板:吊装前起首查清年夜楼板洞口地位〔包含暖卫、煤气、电器管线洞口〕及年夜楼板偏向标记;再比照打算图纸查清每个房间所用年夜楼板的型号能否精确。装置时板端瞄准墙身渐渐下落,落稳后再脱钩。调剂板地位:调剂好年夜楼板四边搭接长度使其契合打算恳求,而后将相邻两块板的6φ12拉结筋互相焊接,焊缝长度应≥90mm,焊接质量应契合焊接规程的规则。拾掇绑扎钢筋:伸出板四周的预应力钢筋弯成圆弧状,锚在板缝、圈梁或墙体中,不得直弯硬拐,作法见图4-42。内横墙厚d1内纵墙厚d2在横墙上a在纵墙上b在山墙上c多层14016051015高层160160151015图4-42交底单元接纳单元交底人接收人技巧交底记载10月15日施管表5工程称号节能年夜厦分部工程主体构造分项工程称号预应力实心整间年夜楼板装置施工单元中天宝业团体交底内容:4、质量标准预制构件模板工程质量测验标准〔Ⅱ〕项序工程同意偏向或同意值反省方法主控工程防止断绝剂沾污第4.2.2条不雅看反省—般项目l模板装置的一般恳求第4.2.3条不雅看反省2用作模板地坪、胎膜质量第4.2.4条不雅看反省3模板起拱高度第4.2.5条水准仪、拉线跟尺量反省4预埋件、预留孔允许偏向预埋钢板核心线地位(mm)3尺量反省预埋管、预留孔核心线地位(mm)3插筋核心线地位(mm)5外露长度(mm)+10,0预埋螺栓核心线地位(mm)2外露长度(mm)+10,0预留洞核心线地位(mm)10尺寸(mm)+10,05预制构件模板同意偏向长度(mm)板、梁±52m靠尺跟塞尺反省,拉线跟尺量反省薄腹梁、桁梁±10柱0,-10墙板O,一5宽度(mm)板、墙板0,一5梁、薄腹梁、桁架、柱+2,一5高(厚)度〔mm〕板+2,一3墙板0,一5梁、薄腹梁、桁架、柱+2,一5侧向曲折(mm)梁、板、柱L/l000且≤15墙板、薄腹梁桁架L/1500且≤15板的外表平坦度(mm)3相邻两板外表高低差(mm)1对...

1、当您付费下载文档后,您只拥有了使用权限,并不意味着购买了版权,文档只能用于自身使用,不得用于其他商业用途(如 [转卖]进行直接盈利或[编辑后售卖]进行间接盈利)。
2、本站所有内容均由合作方或网友上传,本站不对文档的完整性、权威性及其观点立场正确性做任何保证或承诺!文档内容仅供研究参考,付费前请自行鉴别。
3、如文档内容存在违规,或者侵犯商业秘密、侵犯著作权等,请点击“违规举报”。

碎片内容

建筑行业预应力实心整间大楼板安装交底记录

您可能关注的文档

确认删除?
VIP
微信客服
  • 扫码咨询
会员Q群
  • 会员专属群点击这里加入QQ群
客服邮箱
回到顶部