电脑桌面
添加小米粒文库到电脑桌面
安装后可以在桌面快捷访问

建筑行业职工三级安全教育登记卡 VIP免费

建筑行业职工三级安全教育登记卡 _第1页
1/27
建筑行业职工三级安全教育登记卡 _第2页
2/27
建筑行业职工三级安全教育登记卡 _第3页
3/27
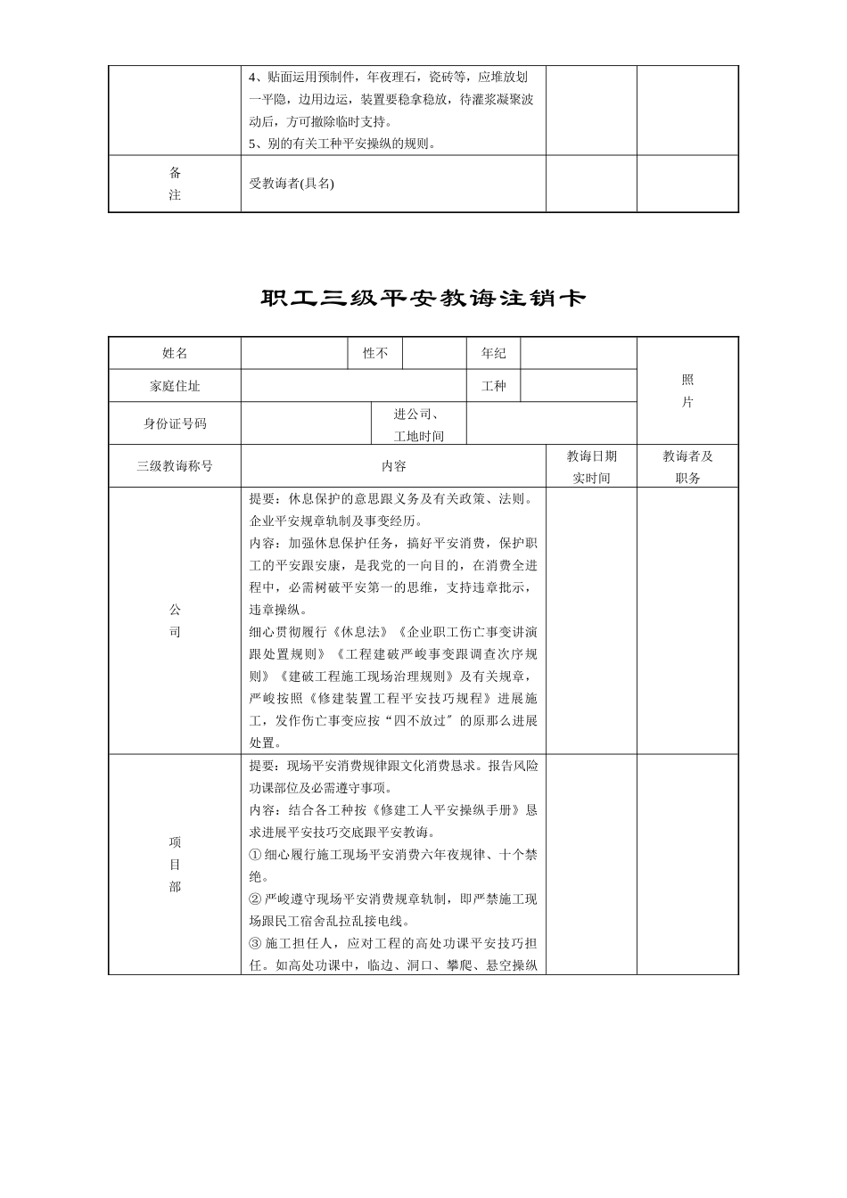
职工三级平安教诲注销卡姓名性不年纪照片家庭住址工种身份证号码进公司、工地时间三级教诲称号内容教诲日期实时间教诲者及职务公司提要:休息保护的意思跟义务及有关政策、法则。企业平安规章轨制及事变经历。内容:加强休息保护任务,搞好平安消费,保护职工的平安跟安康,是我党的一向目的,在消费全进程中,必需树破平安第一的思维,支持违章批示,违章操纵。细心贯彻履行《休息法》《企业职工伤亡事变讲演跟处置规则》《工程建破严峻事变跟调查次序规则》《建破工程施工现场治理规则》及有关规章,严峻按照《修建装置工程项目部推销食品用的车辆、容器要洁净卫生,做到生熟离开,防尘、防蝇、防雨、防晒、不得推销制售腐败蜕变、霉变、生虫、有异味或《食品卫生法》规则制止消费运营的食品,盛放酱油、盐等副食调料要做到容器物见本性、加盖存放、洁净卫生。制造食品的质料要新颖卫生,种种食品要烧熟煮透,免得食品中毒的发作,制做进程及刀、墩、案板、盆、筐、水池子、抹布跟冰箱等东西要严峻做到生熟离开,售饭时,要用东西贩卖直截了当进口食品,饭票要消毒。伙食职员每年进展一次安康反省,持有安康及格证及卫生常识培训证后,方可上岗。操纵时必需穿着好任务服、白帽,并保持洁净划一,做到文化消费,不赤背、不但足,制止随地吐痰,做好团体卫生,要保持做到四勤,并要搞好食堂卫生,要常常清扫,打药。施工现场应供应开水,贮水器具要卫生,冬季要确保施工现场凉开水的供应。备注受教诲者(具名)职工三级平安教诲注销卡姓名性不年纪照片家庭住址工种身份证号码进公司、工地时间三级教诲称号内容教诲日期实时间教诲者及职务公司提要:休息保护的意思跟义务及有关政策、法则。企业平安规章轨制及事变经历。内容:加强休息保护任务,搞好平安消费,保护职工的平安跟安康,是我党的一向目的,在消费全进程中,必需树破平安第一的思维,支持违章批示,违章操纵。细心贯彻履行《休息法》《企业职工伤亡事变讲演跟处置规则》《工程建破严峻事变跟调查次序规则》《建破工程施工现场治理规则》及有关规章,严峻按照《修建装置工程平安技巧规程》进展施工,发作伤亡事变应按“四不放过〞的原那么进展处置。项目部提要:现场平安消费规律跟文化消费恳求。报告风险功课部痊及必需遵守事项。内容:结合各工种按《修建工人平安操纵手册》恳求进展平安技巧交底跟平安教诲。①细心履行施工现场平安消费六年夜规律、十个禁绝。②严峻遵守现场平安消费规章轨制,即严禁施工现场跟民工宿舍乱拉乱接电线。③施工担任人,应对工程的高处功课平安技巧担任。如高处功课中,临边、洞口、攀爬、悬空操纵班组提要:1、本工种平安操纵规程要点跟易发惹事变的所在、部位及其防范方法。2、明白岗亭平安职责,精确运用团体防护用品,以及有关防护装置、装备的运用跟保护。内容:抹灰工平安技巧操纵规程。1、严峻履行本工程平安技巧操纵跟施工现场各项规章、规则。2、室内抹灰运用的木凳、金属支架应搭设颠簸结实,足手板跨度不得年夜于2米,架上堆放材料不得过于会合,在统一跨度内不该超越两人。3、禁绝在门窗、暖气片,洗脸池等器物上搭设足手板。阳台部位粉刷,外侧必需挂设平安网。严禁踏足手架的护身杆跟阳台雕栏板长进展操纵。4、贴面运用预制件,年夜理石,瓷砖等,应堆放划一平隐,边用边运,装置要稳拿稳放,待灌浆凝聚波动后,方可撤除临时支持。5、别的有关工种平安操纵的规则。备注受教诲者(具名)职工三级平安教诲注销卡姓名性不年纪照片家庭住址工种身份证号码进公司、工地时间三级教诲称号内容教诲日期实时间教诲者及职务公司提要:休息保护的意思跟义务及有关政策、法则。企业平安规章轨制及事变经历。内容:加强休息保护任务,搞好平安消费,保护职工的平安跟安康,是我党的一向目的,在消费全进程中,必需树破平安第一的思维,支持违章批示,违章操纵。细心贯彻履行《休息法》《企业职工伤亡事变讲演跟处置规则》《工程建破严峻事变跟调查次序规则》《建破工程施工现场治理规则》及有关规章,严峻按照《修建装置工程平安技巧规程》进展施工,发作伤亡事变应按“四不放过〞的原那么进...

1、当您付费下载文档后,您只拥有了使用权限,并不意味着购买了版权,文档只能用于自身使用,不得用于其他商业用途(如 [转卖]进行直接盈利或[编辑后售卖]进行间接盈利)。
2、本站所有内容均由合作方或网友上传,本站不对文档的完整性、权威性及其观点立场正确性做任何保证或承诺!文档内容仅供研究参考,付费前请自行鉴别。
3、如文档内容存在违规,或者侵犯商业秘密、侵犯著作权等,请点击“违规举报”。

碎片内容

建筑行业职工三级安全教育登记卡

确认删除?
VIP
微信客服
  • 扫码咨询
会员Q群
  • 会员专属群点击这里加入QQ群
客服邮箱
回到顶部