电脑桌面
添加小米粒文库到电脑桌面
安装后可以在桌面快捷访问

建筑行业旋喷加固施工方案 VIP免费

建筑行业旋喷加固施工方案 _第1页
1/16
建筑行业旋喷加固施工方案 _第2页
2/16
建筑行业旋喷加固施工方案 _第3页
3/16
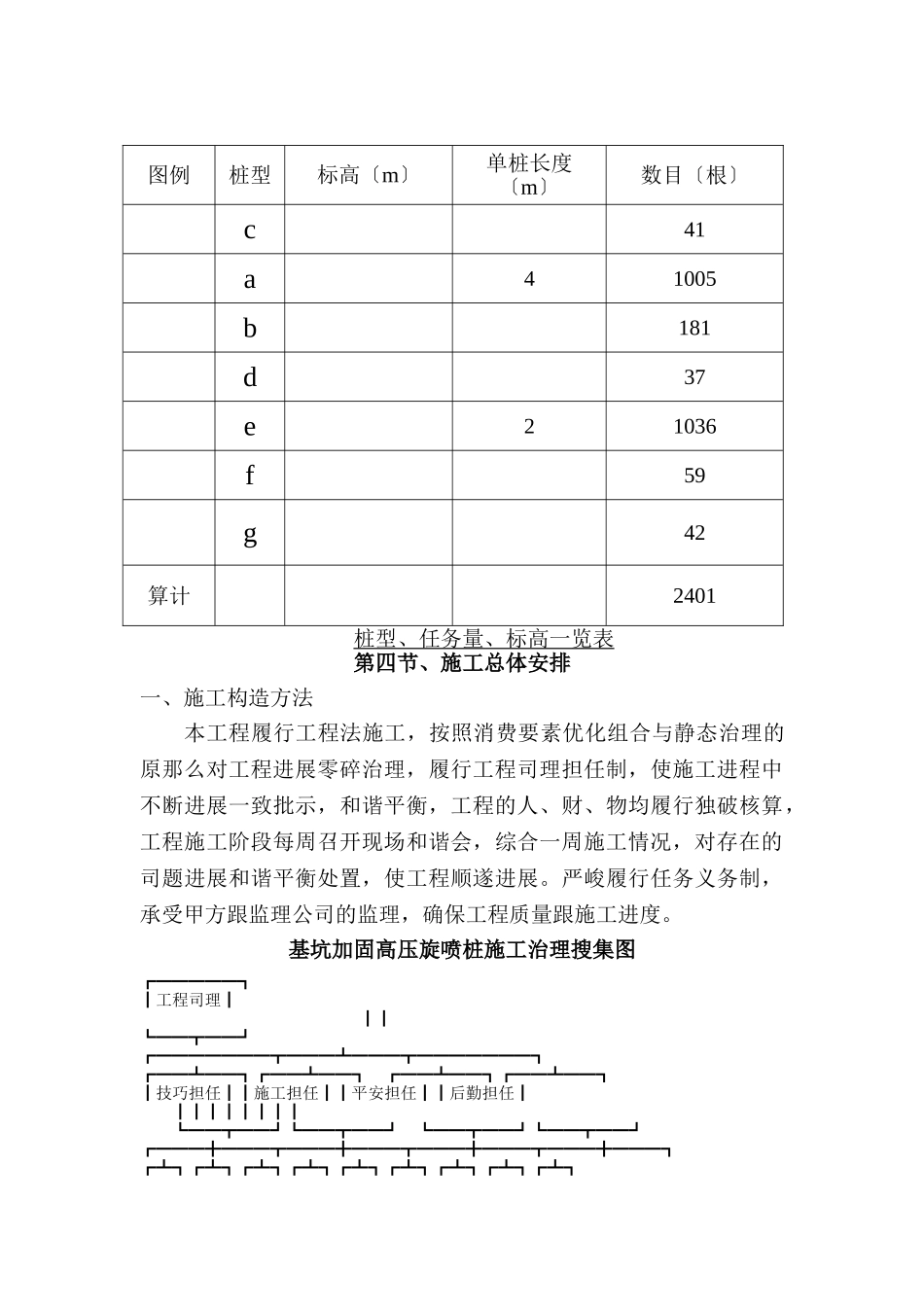
中国人寿数据核心基坑围护高压旋喷桩施工组织设计二00九年八月目录第一节工程概略第二节工程地质概略第三节加固发生概略、施工道理及任务量第四节施工总体安排第五节施工工艺第六节施工技巧保障方法第七节施工质量标准跟质量治理轨制第八节施工总进度打算第九节工程质量保障方法第十节平安消费与文化施工第十一节工程验收及动人为料供应第一节、工程概略本工程位于上海市银行卡工业区二期13-2、13-3、13-4、13-5号地块,经三路以东,虹盛北路以西,锦锈东路以南,纬三路以北,占空中积约53039平方米,修建面积为128298平方米〔含地下车库部分〕,此中,消费楼38353平方米,治理办公楼15625平方米,专家值宿楼13982平方米,装备用房2068平方米,裙房10309平方米,地下修建面积47961平方米。现场部分地区有暗浜、明浜。桩基已施工终了。北侧〔地下一层〕周边广泛开挖深度为,中部东侧〔地下一层〕周边广泛开挖深度为,中部西侧〔地下一层〕周边广泛开挖深度为,南侧〔地下二层〕周边广泛开挖深度为。±为相对标高。第二节、工程地质概略拟建场位置于上海市张江高科技园区银行卡工业园,地貌形状为滨海平原地貌范例。本场区填土要紧为杂填土,要紧由碎混凝土块、砖头、石子等修建渣滓构成。自地表至85.0m深度范畴内所揭穿的土层,由粘性土、粉性土跟砂土构成,存在成层散布的特色。按照勘探单元供应的勘探讲演,本基地的土层可分8层,此中第①、⑤层又按照土性变更分为假设干亚层,缺掉上海市标准层第⑥层。各土层的土性特点详见《地层特点表》。地层特点表第三节、加固发生概略、施工道理及任务量1、园地内根本情况:如今本工程已片面进入土方开挖阶段,停顿2009年8月14日,本工程南北两侧土钉围护构造部位土方已根本开挖至坑底,货色两侧地下室一层地区也已进入畸形挖土流程,且由周边向两头逐步收底。关于如今现场土方开挖情况〔土方留坡位置等〕我工程部已绘制破体图〔见后附图〕2、本次加固发生的缘故:由于本工程后期底板构造变更较年夜,上海院不时在后期调剂底板安排方法,直至7月中下旬方断定终极底板构造蓝图,次此修正比较本来构造底板图纸,多处深坑均有较年夜修正〔或移位或加深〕,在此根底上,华东打算院经业主的恳求修正了部分坑内加固部位,并于7月尾从新出具了新的坑内加固安排图,故惹起本次变卦。3、施工道理及任务量:本工程本次加固打算原那么对开挖深度超越的部分深坑进展加固打算,方法均采纳高压旋喷桩方法进展打算,加固地区为深坑落深处,高压旋喷桩为Φ1000800,加固深度由坑底以下2米~8米不等。高压旋喷桩直径1000mm,搭接长度200mm,算计2401根,m3。所谓高压旋喷注浆,确实是应用钻机把带有喷嘴的注浆管钻至土层的预定位置后,以高压装备使浆液或水成为20—28MPa阁下的高压流从喷嘴中放射出来,打击毁坏土体。当能量年夜、速率快跟呈脉动状的放射流的动压超越土体构造强度时,土粒便从土体剥落上去。一部分粗年夜的土粒跟着浆液冒出水面,其他土粒在放射流的打击力、向心力跟重力等感化下,与浆液搅拌混杂,并按必定的浆土比例跟质量巨细有法则的从新陈列。浆液凝聚后,便在土中构成一个凝聚体。凝聚体的形状跟放射流的偏向有关。本工程采纳改变放射(简称旋喷)的注浆方法。旋喷时,喷嘴一面放射一面改变跟晋升,凝聚体呈圆柱状,从而加固地基,进步地基的抗剪强度、改良土的变形性子。高压旋喷法通过在脆弱土层中构成水泥凝聚体与桩间土一同构成复合地基,从而进步地基的承载力,增加地基的沉落变形,到达地基加固目的。图例桩型标高〔m〕单桩长度〔m〕数目〔根〕c41a41005b181d37e21036f59g42算计2401桩型、任务量、标高一览表第四节、施工总体安排一、施工构造方法本工程履行工程法施工,按照消费要素优化组合与静态治理的原那么对工程进展零碎治理,履行工程司理担任制,使施工进程中不断进展一致批示,和谐平衡,工程的人、财、物均履行独破核算,工程施工阶段每周召开现场和谐会,综合一周施工情况,对存在的司题进展和谐平衡处置,使工程顺遂进展。严峻履行任务义务制,承受甲方跟监理公司的监理,确保工程质量跟施工进度。基坑加固高压旋喷桩...

1、当您付费下载文档后,您只拥有了使用权限,并不意味着购买了版权,文档只能用于自身使用,不得用于其他商业用途(如 [转卖]进行直接盈利或[编辑后售卖]进行间接盈利)。
2、本站所有内容均由合作方或网友上传,本站不对文档的完整性、权威性及其观点立场正确性做任何保证或承诺!文档内容仅供研究参考,付费前请自行鉴别。
3、如文档内容存在违规,或者侵犯商业秘密、侵犯著作权等,请点击“违规举报”。

碎片内容

建筑行业旋喷加固施工方案

学海无涯书城+ 关注
实名认证
内容提供者

热爱教育事业,爱好互联网行业

确认删除?
VIP
微信客服
  • 扫码咨询
会员Q群
  • 会员专属群点击这里加入QQ群
客服邮箱
回到顶部