电脑桌面
添加小米粒文库到电脑桌面
安装后可以在桌面快捷访问

建筑行业仪表方案 VIP免费

建筑行业仪表方案 _第1页
1/17
建筑行业仪表方案 _第2页
2/17
建筑行业仪表方案 _第3页
3/17
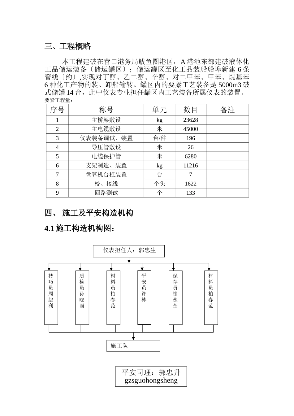
目录一、体例说明--------------------------------------------1二、体例按照--------------------------------------------1三、工程概略-------------------------------------------1四、施工及平安构造机构-----------------------------2五、施工方法--------------------------------------------3六、休息力计划--------------------------------------17七、要紧施工机器计划-------------------------------18八、平安保障计划--------------------------------------19九、质量保障计划---------------------------------------23一、体例说明本计划是针对中国石油西南化工贩卖公司鲅鱼圈海运直达基地工程储运罐区仪控零碎装置工程工程体例,工程要紧内容是仪表装置,仪控零碎的装置任务对保障罐区装备临时畸形运转存在极为主要的意思。在进展装置前的施工预备阶段,应熟习仪控零碎的全体图纸及文件,理解本零碎所配用的种种仪表、阀门及其余配件的装置恳求,并按供货范畴预备好装置施工所需的种种材料及配件。为了平安、精确、高效的实现仪控零碎装置任务,特体例此施工计划。二、体例按照1.《中国石油西南化工贩卖公司鲅鱼圈海运直达基地储运罐区工程施工图纸》FB0747-01-K-12.《中国石油西南化工贩卖公司鲅鱼圈海运直达基地储运罐区消防事变池工程施工图纸》FB0747-01-K-23.《主动化仪表工程施工及验收标准》GB50093-20024.《石油化工仪表工程施工技巧规程》SH3521-19995.《现场装备、产业管道焊接施工及验收标准》GB50236-986.《主动化仪表装置工程质量测验评定标准》GBJ131-907.《石油化工仪表工程技巧规程》SHJ521-91三、工程概略本工程建破在营口港务局鲅鱼圈港区,A港池东部建破液体化工品储运装备〔储运罐区〕;储运罐区至化工品装船船埠新建6条管线〔约〕,实现对丁醇、乙二醇、辛醇、对二甲苯、甲苯、烷基苯6种化工产物的装、卸船输转。罐区内的要紧工艺装备是5000m3破式储罐14台,此中仪表专业担任罐区内工艺装备所属仪表的装置。要紧工程量:序号称号单元数目备注1主桥架敷设kg236282主电缆敷设米450003仪表装备调试、装置台/件1964导压管敷设米265电缆保护管米62806支架制造、装置kg112167盘算机台柜装置台78校、接线个头16229回路测试个133四、施工及平安构造机构4.1施工构造机构图:技巧员周起利质检员孙晓雨材料员柏春范平安员许林保存员崔永奎材料员柏春范施工队平安司理:郭忠升gzsguohongsheng仪表担任人:郭忠生五、施工方法1、施工步调:2、施工预备:2.1在开箱测验时,应由甲方、供货商、监理及我方四方参加独特开箱验货,按照技巧协议、装箱单细心核查数目及规格、型号,防止遗漏任何装备或相关部件,当装箱单与实践到货有收支时,应破即报告并尽快查明缘故,保障现场装备及材料的精确到货。2.2当资揣测货时,应由供货商供给一份残缺、正式、无效的质量证明文件、产物及格证、到货清单。由甲方、供货商、我方三方独特确认材质、数目、规格、型号,确认无误后,材料方可入库运用,三方各保存一份复印件以待备查。2.3中石油吉林化建营口工程部已在施工前提供给甲方一套残缺的各工程的工艺部分开工讲演,我专业将按照现场需求递交一份仪表专业的开工讲演。2.4在施工前,应详细核查图纸,在图纸会审时与计划及业主独特处置图纸中存在的征询题,同时将集会内容记载在案,便于当前备查。仪表装备、资揣测货验收仪表装置桥架敷设电动阀、仪表单体调试接线箱、支架制安电动阀装置导压管装置穿线管敷设电缆敷设、接线仪表管线试压吹扫平安员:许林施工预备图纸会审、施工计划体例DCS机柜根底制安零碎调试联动试车DCS机柜装置仪表装备、材料、配件、阀门的测验仪表装备的反省.1仪表开箱反省时,应无变形、损害、受潮、零配件丧掉等缺点,形状尺寸契合计划恳求。.2铭牌及什物的型号、材质、丈量范畴、刻度契合计划恳求,仪表法兰及垫片应无损害,打仗严密。.3端子、讨论、结实应残缺。.4及格证、说明书等技巧文件完全。.5做好仪表装备到货测验记载。对仪表用阀门要进展100%的测验,测验内容包含对阀体强度及阀芯严密性试验,试验介质是洁清水,阀体强度试验...

1、当您付费下载文档后,您只拥有了使用权限,并不意味着购买了版权,文档只能用于自身使用,不得用于其他商业用途(如 [转卖]进行直接盈利或[编辑后售卖]进行间接盈利)。
2、本站所有内容均由合作方或网友上传,本站不对文档的完整性、权威性及其观点立场正确性做任何保证或承诺!文档内容仅供研究参考,付费前请自行鉴别。
3、如文档内容存在违规,或者侵犯商业秘密、侵犯著作权等,请点击“违规举报”。

碎片内容

建筑行业仪表方案

确认删除?
VIP
微信客服
  • 扫码咨询
会员Q群
  • 会员专属群点击这里加入QQ群
客服邮箱
回到顶部