电脑桌面
添加小米粒文库到电脑桌面
安装后可以在桌面快捷访问

建筑行业XX工程钢结构施工组织设计方案 VIP免费

建筑行业XX工程钢结构施工组织设计方案 _第1页
1/34
建筑行业XX工程钢结构施工组织设计方案 _第2页
2/34
建筑行业XX工程钢结构施工组织设计方案 _第3页
3/34
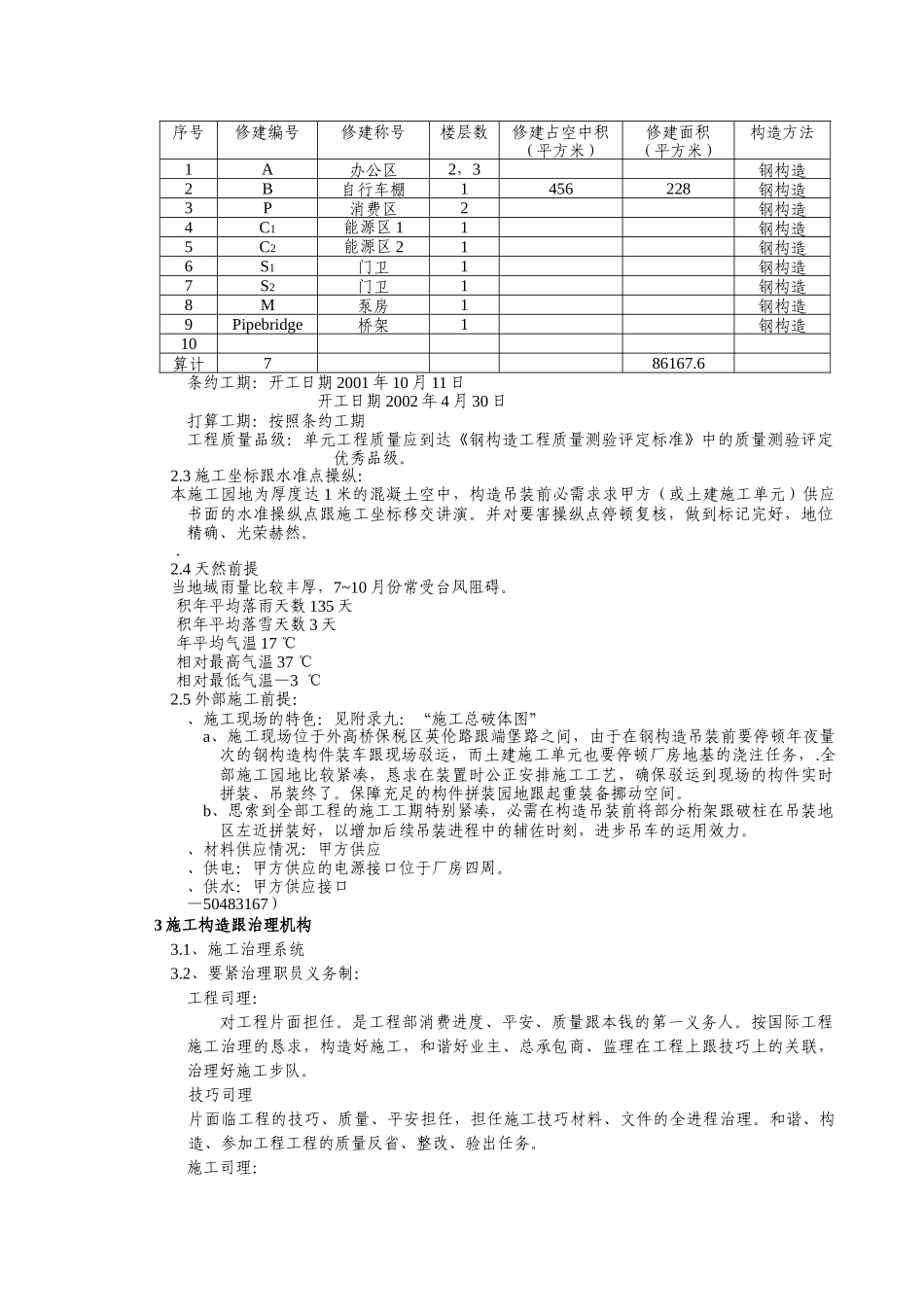
目录0、体例说明…………………………………………………………………………..21、体例按照…………………………………………………………………………..22、工程综述…………………………………………………………………………..23、施工构造跟治理机构……………………………………………………………..34、施工总体安排跟施工打算………………………………………………………..55、施工总体进度打算及保障方法…………………………………………………..166、质量治理……………………………………………………………………………207、平安治理……………………………………………………………………………318、文化施工…………………………………………………………………………..339、落低本钱方法……………………………………………………………………..3410、附录…………………………………………………………………………………………….35附录1:施工进度打算表附录2:P区施工工艺说明附录3:C区施工工艺说明附录4:A区施工工艺说明附录5:钢承板施工工艺说明附录6:装置质量测验打算表附录7:施工总破体图附录8:施工现场临时装备安排图附录9:临时供电安排图附录10:消防破体安排图0.1体例目的:(1)构造跟指点工程施工(2)改良跟进步工程治理程度(3)进步工程质量跟获得经济效益0.2相关说明:本工程施工构造打算按照XX公司供应的部分施工图编写,相关内容将在正式施1.体例按照:1.1工程承包条约:条约编号:XX签订日期:1.2施工图纸:XX厂房施工图纸接纳时刻:2001.8.15(如今只收到部分正式图纸)1.3施工标准跟验收标准:a、《钢构造工程施工及验收标准》GB50205-95b、《钢构造工程质量测验评定标准》GB50221-95d、Havens供应的相关标准。E、起重操纵及测验(APS)。1.4本公司企业标准:a、《质量保障手册(C版)》QG/AZ-ZBSC-1998b、《质量次序文件(C版)》QG/AZ-ZLCX-1998c、《功课指点书》QG/AZ-ZYZD-1996d、《工程部工程技巧质量治理标准》GQ/AZJZ01-20012.工程综述:2.1工程概略:XX厂房钢构造装置工程工程所在:XX区XX路XX号工程范围:该钢构造工程占空中积为:47849平方米业主:XX公司施工单元:上海XXXX工程公司监理单元:上海XX修建工程征询监理部总承包商:XX公司2.2工程承包条约的要紧内容:工程内容:工程工程一览表序号修建编号修建称号楼层数修建占空中积(平方米)修建面积(平方米)构造方法1A办公区2,3钢构造2B自行车棚1456228钢构造3P消费区2钢构造4C1能源区11钢构造5C2能源区21钢构造6S1门卫1钢构造7S2门卫1钢构造8M泵房1钢构造9Pipebridge桥架1钢构造10算计786167.6条约工期:开工日期2001年10月11日开工日期2002年4月30日打算工期:按照条约工期工程质量品级:单元工程质量应到达《钢构造工程质量测验评定标准》中的质量测验评定优秀品级。2.3施工坐标跟水准点操纵:本施工园地为厚度达1米的混凝土空中,构造吊装前必需求求甲方(或土建施工单元)供应书面的水准操纵点跟施工坐标移交讲演。并对要害操纵点停顿复核,做到标记完好,地位精确、光荣赫然。.2.4天然前提当地域雨量比较丰厚,7~10月份常受台风阻碍。积年平均落雨天数135天积年平均落雪天数3天年平均气温17℃相对最高气温37℃相对最低气温—3℃2.5外部施工前提:、施工现场的特色:见附录九:“施工总破体图”a、施工现场位于外高桥保税区英伦路跟端堡路之间,由于在钢构造吊装前要停顿年夜量次的钢构造构件装车跟现场驳运,而土建施工单元也要停顿厂房地基的浇注任务,.全部施工园地比较紧凑,恳求在装置时公正安排施工工艺,确保驳运到现场的构件实时拼装、吊装终了。保障充足的构件拼装园地跟起重装备挪动空间。b、思索到全部工程的施工工期特别紧凑,必需在构造吊装前将部分桁架跟破柱在吊装地区左近拼装好,以增加后续吊装进程中的辅佐时刻,进步吊车的运用效力。、材料供应情况:甲方供应、供电:甲方供应的电源接口位于厂房四周。、供水:甲方供应接口—50483167)3施工构造跟治理机构3.1、施工治理系统3.2、要紧治理职员义务制:工程司理:对工程片面担任。是工程部消费...

1、当您付费下载文档后,您只拥有了使用权限,并不意味着购买了版权,文档只能用于自身使用,不得用于其他商业用途(如 [转卖]进行直接盈利或[编辑后售卖]进行间接盈利)。
2、本站所有内容均由合作方或网友上传,本站不对文档的完整性、权威性及其观点立场正确性做任何保证或承诺!文档内容仅供研究参考,付费前请自行鉴别。
3、如文档内容存在违规,或者侵犯商业秘密、侵犯著作权等,请点击“违规举报”。

碎片内容

建筑行业XX工程钢结构施工组织设计方案

确认删除?
VIP
微信客服
  • 扫码咨询
会员Q群
  • 会员专属群点击这里加入QQ群
客服邮箱
回到顶部