电脑桌面
添加小米粒文库到电脑桌面
安装后可以在桌面快捷访问

建筑行业STB环氧地坪综合技术施工组织设计方案 VIP免费

建筑行业STB环氧地坪综合技术施工组织设计方案 _第1页
1/5
建筑行业STB环氧地坪综合技术施工组织设计方案 _第2页
2/5
建筑行业STB环氧地坪综合技术施工组织设计方案 _第3页
3/5
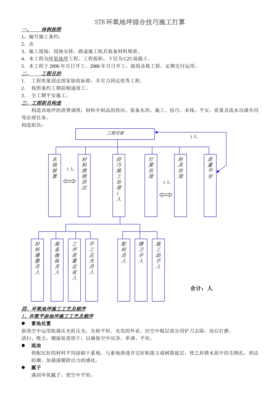
STB环氧地坪综合技巧施工打算一、体例按照1,编号施工条约。2.由3.施工现场,园地安排,路途施工机具装备材料堆放。4.本工程为环氧地坪工程。工程面积,下层为C25混凝土。5.本工程于2006年月日开工,2006年月日开工,做到及格工程,定期交付运用。二、工程目的1.工程质量到达国家验收标准,并尽力到达优秀工程。2.按照条约工期前顺遂竣工。3.全工期平安施工。三、工程职员构造构造该地坪的消费调理,材料半制品的供应,装备东西、施工、技巧、本钱、平安、质量及流水功课共同等治理任务。构造职员:四、环氧地坪施工工艺及顺序1、环氧平涂地坪施工工艺及顺序素地处置新浇空中运用机器压光机压光,失掉平坦、光亮的外表。旧空中脱层部分用铲刀去除,而后打磨、清扫、吸尘,潮湿处需烘干,以确保空中洁净、单调、平坦。底油将配比好的材料平均涂刷于素地,与素地渗透并完好粘接玉成树脂底层,使之封锁水泥中的毛细孔,到达防潮、加强漆膜附出力的感化。腻子满刮环氧腻子,使空中平坦。工程司理本钱核算料具治理质量平安打算治理技巧施工治理1人材料推销供应1人材料播撒员人装备操纵员人工序质量反省人手工压光员人配料员人镘刀手人施工助手人合计:人1人1人面涂将空中打磨光滑后用配比好的材料滚涂2遍,构成亮丽的面层。(5道工序)环氧砂浆地坪施工工艺及顺序素地处置新浇空中运用机器压光机压光,失掉平坦、光亮的外表。旧空中脱层部分用铲刀去除,而后打磨、清扫、吸尘,潮湿处需烘干,以确保空中洁净、单调、平坦。底油将配比好的材料平均涂刷于素地1-2遍,与素地渗透并完好粘接玉成树脂底层,使之封锁水泥中的毛细孔,到达防潮、加强漆膜附出力的感化。砂浆用环氧底漆参与过量石英砂,搅拌均后,倒于地上刮平,起到进步平坦度,加强耐磨性的感化。腻子待砂浆固化,满刮2遍环氧腻子,以确保空中平坦。面涂将空中打磨光滑后用配比好的材料滚涂2遍,构成亮丽的面层。〔7-8道工序〕环氧自流高山坪施工工艺〔一〕产物构造图〔6-7道工序〕〔二〕产物特色钻石机跟手工打磨砂浆层。腻子2-3遍施工腻子。钻石机跟手工打磨腻子层。面涂〔2遍〕砂浆素地新浇混凝土运用机器抹光机压光,失掉密实、平坦的基面。旧空中用打磨机跟手工打磨平坦,清算、吸尘。底油确保素地单调、洁净后刮涂底油。如一楼下层无防水层可施工防湿底油。底油干固后施工砂浆层。腻子层中涂砂浆自流立体涂层素地底涂层腻子钻石机跟手工打磨。面涂素地新浇混凝土运用机器抹光机压光,失掉密实、平坦的基面。旧空中用打磨机跟手工打磨平坦,清算、吸尘。底油确保素地单调、洁净后刮涂底油。环氧自流高山板产品特点1、雅不雅、防尘、易洁净2、与基面粘结结实,膨胀率小、耐磨、耐用3、存在必定的韧性,不脆裂,能耐较重载荷4、存在较好的抗压性及抗打击功能5、耐化学腐化功能优秀6、表不雅后果佳,有镜面后果〔三〕技巧参数环氧自流高山板单调时间表干〔h〕4实干〔d〕4抗压强度〔Mpa〕80抗弯强度〔Mpa〕50抗打击性〔〕50附出力〔级〕1铅笔硬度〔H〕3耐磨性〔g〕≤26(750g/1000r)耐机油、柴油60天无变更耐20%硫酸20天无清楚变更耐20%氢氧化钠30天无变更耐甲苯、酒精60天无清楚变更运用年限5-10年注:以上数据系按照实验室标准前提制样检测所得,仅供参考〔四〕施工步调环氧自流高山板施工步骤1、基面清算打磨,恳求洁净、单调、平坦(假设待施工空中为一楼或地下室,那么需作防水、防潮处置,否那么易起兴起泡)2、平均涂刷底油3、用环氧树脂中涂配过量精细骨料镘刮中涂层4、细磨、除尘5、用公用镘刀施工环氧自流立体涂6、用带齿滚筒消泡7、构成厚膜镜面外表养护期养护2-7天〔养护时期不要自行运用〕施工前提素地根本平坦,2米标尺内,平坦度不该年夜于3毫米,全体粉光并养护28天以上;水泥结合结实,无空鼓,不起砂,无龟裂、无水泥浮浆;素地外表含水率小于8%;施工时气氛绝对湿度不年夜于70%,情况温度不底于10℃;封锁情况下施工;弗成穿插施工;施工终了,24-48小时后可步行、7-10天后完好固化,可畸形运用。五、施工装备、东西、材料工程型号单元数目备注钻石打磨机台台吸尘吸水机台...

1、当您付费下载文档后,您只拥有了使用权限,并不意味着购买了版权,文档只能用于自身使用,不得用于其他商业用途(如 [转卖]进行直接盈利或[编辑后售卖]进行间接盈利)。
2、本站所有内容均由合作方或网友上传,本站不对文档的完整性、权威性及其观点立场正确性做任何保证或承诺!文档内容仅供研究参考,付费前请自行鉴别。
3、如文档内容存在违规,或者侵犯商业秘密、侵犯著作权等,请点击“违规举报”。

碎片内容

建筑行业STB环氧地坪综合技术施工组织设计方案

您可能关注的文档

确认删除?
VIP
微信客服
  • 扫码咨询
会员Q群
  • 会员专属群点击这里加入QQ群
客服邮箱
回到顶部