电脑桌面
添加小米粒文库到电脑桌面
安装后可以在桌面快捷访问

EDSS神经功能状况评估VIP免费

EDSS神经功能状况评估_第1页
1/12
EDSS神经功能状况评估_第2页
2/12
EDSS神经功能状况评估_第3页
3/12
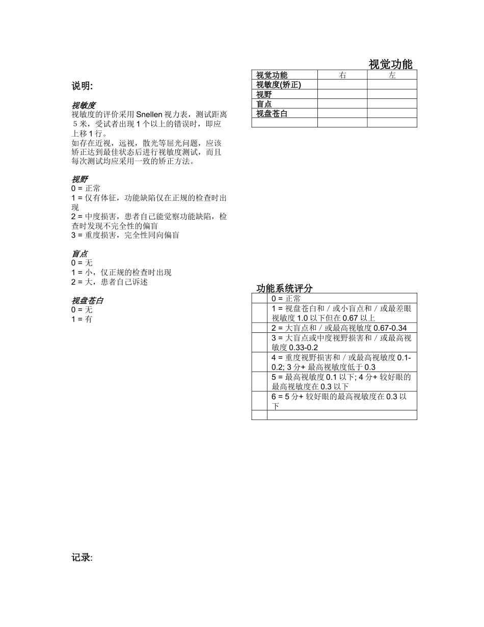
神经功能状况评估标准化神经系统检查,Kurtzke功能系统评分,EDSS医院患者姓名病案号诊断评估人评估日期简介EDSS是临床应用最普遍的多发性硬化的评估量表,也是临床试验中广泛采用的评价指标。EDSS评分以中枢神经系统八个功能系统的评价为基础,低级别的得分侧重于评价了下列系统的功能障碍,如面部或手指的麻木、视力障碍。高级别的得分则侧重评价了运动系统的功能障碍,主要是行走困难。为避免对照的临床试验偏倚,应该由不知晓患者临床状况的医护人员进行评估;行动不受限的患者必需行走足够的距离,以便评估者做细致的观察;神经功能状况神经功能状况评估中,‘仅有体征’是指检查发现神经系统阳性体征而患者没有自己能觉察的神经功能缺陷;功能系统评价功能系统评价中1分代表患者没有自己能觉察的神经功能缺陷,或阳性体征不影响患者正常的日常活动(视神经,植物神经,和大脑功能除外)EDSSEDSS评分不应该低于功能系统评价的最高分,与MS无关的症状在评估中不予考虑,但应记录备案。视觉功能说明:视敏度视敏度的评价采用Snellen视力表,测试距离5米,受试者出现1个以上的错误时,即应上移1行。如存在近视,远视,散光等屈光问题,应该矫正达到最佳状态后进行视敏度测试,而且每次测试均应采用一致的矫正方法。视野0=正常1=仅有体征,功能缺陷仅在正规的检查时出现2=中度损害,患者自己能觉察功能缺陷,检查时发现不完全性的偏盲3=重度损害,完全性同向偏盲盲点0=无1=小,仅正规的检查时出现2=大,患者自己诉述视盘苍白0=无1=有记录:视觉功能右左视敏度(矫正)视野盲点视盘苍白功能系统评分0=正常1=视盘苍白和/或小盲点和/或最差眼视敏度1.0以下但在0.67以上2=大盲点和/或最高视敏度0.67-0.343=大盲点或中度视野损害和/或最高视敏度0.33-0.24=重度视野损害和/或最高视敏度0.1-0.2;3分+最高视敏度低于0.35=最高视敏度0.1以下;4分+较好眼的最高视敏度在0.3以下6=5分+较好眼的最高视敏度在0.3以下脑干功能说明:脑干缺陷和残疾状况评价0=正常1=仅有体征,临床上可以发现麻木,颜面肌肉无力或颅神经损害但患者自己不能自觉2=轻度:临床上可以发现麻木,颜面肌肉无力,枸音障碍或颅神经损害,患者能自觉3=中度:复视伴有不完全的眼球活动障碍,三叉神经第1,2支支配区域不能分辨锐/顿,三叉神经痛(最近的24小时内至少有1次发作),闭目无力,听力减退,明显的构音障碍4=重度(显著):在一个方向上完全性的眼球活动受限,单侧或双侧三叉神经支配区域不能分辨锐/顿或完全性感觉丧失,单侧或双侧面瘫伴舌瘫或吞咽困难,饮水呛咳,构音障碍眼球震颤0=正常1=仅有体征2=注视诱发眼震,达不到中度眼震的标准(相当于功能系统评分1分)3=中度,30°水平或垂直注视出现持续眼震,但在原位时无眼震,患者伴或不伴有功能紊乱的症状(相当于功能系统评分1分)4=重度,原位时即可见持续眼震或向各方向均有的粗大眼震影响视力,完全性核间性眼肌麻痹伴有持续外展眼震,眼球摆动记录:颅神经检查右左EOM眼球震颤三叉神经面瘫听力减退构音障碍吞咽障碍其它功能系统评分0=正常1=仅有体征2a=中度眼震和/或2b=其它轻度的颅神经损害3a=重度眼震和/或3b=明显的眼球运动障碍和/或3c=其它中度的颅神经损害4a=明显的构音障碍和/或4b=其它重度的颅神经损害5=无法吞咽或讲话锥体功能说明:*=可选项反射0=消失,1=弱,2=正常,3=亢进,4=阵挛,5=inexhaustible(左右区分用<或>)跖反射0=屈,1=中性,2=伸皮肤反射0=正常,1=弱,2=缺失*掌下颌反射0=阴性,1=阳性肢体肌力以一组肌肉中肌力最差的肌肉的肌力作为本组肌力的计分。评价3-5度的肌力建议采用单足跳,脚尖脚跟行走等方式评估BMRC计分0=无运动,1=见肌肉收缩,无关节位置变化2=有水平运动,不能抗重力3=能抗重力,但不能抗阻力4=能抗阻力,但不完全5=正常肌力功能性试验*轻瘫试验0=阴性,1=轻度,2=显著*脚尖脚跟行走0=正常,1=不稳,2=不能*单足跳0=正常,1=6–10次,2=1–5次,3=不能肢体痉挛0=正常,1=轻度,仅在快速活动肢体时出现肌张力增加,2=中度,3=严重,快速屈曲肢体时出现可克服的肌阵,4=持续肌肉收缩步态僵硬0=正常,1=仅能觉察,2=显著,运动功能轻度受损,3=持久的剪刀步...

1、当您付费下载文档后,您只拥有了使用权限,并不意味着购买了版权,文档只能用于自身使用,不得用于其他商业用途(如 [转卖]进行直接盈利或[编辑后售卖]进行间接盈利)。
2、本站所有内容均由合作方或网友上传,本站不对文档的完整性、权威性及其观点立场正确性做任何保证或承诺!文档内容仅供研究参考,付费前请自行鉴别。
3、如文档内容存在违规,或者侵犯商业秘密、侵犯著作权等,请点击“违规举报”。

碎片内容

EDSS神经功能状况评估

您可能关注的文档

确认删除?
VIP
微信客服
  • 扫码咨询
会员Q群
  • 会员专属群点击这里加入QQ群
客服邮箱
回到顶部