电脑桌面
添加小米粒文库到电脑桌面
安装后可以在桌面快捷访问

单侧墙体模板支架施工技术VIP免费

单侧墙体模板支架施工技术_第1页
1/5
单侧墙体模板支架施工技术_第2页
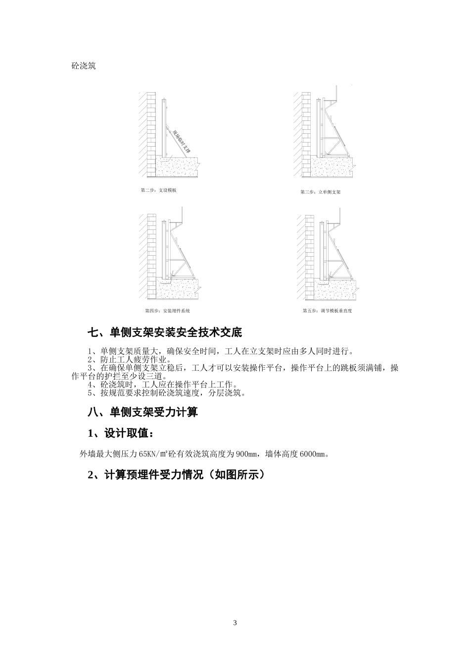
2/5
单侧墙体模板支架施工技术_第3页
3/5
单侧墙体模板支架施工技术朱雪峰王祥朱金顺(江苏江都建设工程有限公司北京公司)[摘要]:利用单侧模板支架施工技术大大提高了,现场无施工场地的深基坑建筑地下外墙的施工质量,同时节省了施工费用缩短了工期。[关键词]:单侧模板螺栓支架埋件螺母连杆一、工程概况:北京汇佳国际教育中心科研办公楼工程,,右北京汇佳职业学院投资新建,设计单位为北京市建筑设计研究院,该工程地点位于北京市朝阳区亮马桥路口,南侧距离市区主干道4米,西侧距离施工中的地铁站8米,东侧和北侧距离已建工程5米,现场几乎没有施工场地。该楼为地下三层为剪力墙结构,地下一层层高为6m、二、三层为4.8m、地下一层夹层层高为2.95m,基坑开挖深度为19米。为了解决施工现场场地狭小的这一局面,我公司与北京天元模板有限公司共同研究商定决定采用单侧模板支架施工技术。二、单侧模板支架的组成单侧支架又由埋件系统部分和架体两部分组成,其中:埋件系统包括:地脚螺栓、内连接、连接螺母、外连杆、外螺母和横梁。架体部分按高度分为三种规格:H=3600标准节、H=500加高节、H=1600加高节和H=3200加高节。护坡砖墙防水保护导墙底板垫层操作平台模板单侧支架埋件系统调节丝杆支架装配示意图三、性能及特点该单侧支架具有刚度大,施工方便,安全性能高、质量容易保证且大大降低了施工成本等特点四、工作原理单侧支架为单面墙体模板的受力支撑系统,当墙体模板采用单侧支架后,模板无需再拉穿墙螺栓。单侧支架通过一个45度的高强受力螺栓,一端与地脚螺栓连接,另一端斜拉住单侧模1板支架,因斜拉螺栓受斜拉锚力F后分为一个垂直方向的力F2和一个水平方向的力F1,其中垂直方向F2的力抵抗了支架的上浮力,水平力F1则保证支架不会产生侧移。.受力原理图五、模板安装的工艺1、埋件部分安装1.1地脚螺栓出地面处与砼墙面距离为120mm,各埋件杆相互之间的距离为300mm。1.2地脚螺栓裸露端距结构面距离L=模板厚+50mm,埋件与地面成45度的角度,现场埋件预埋时要求拉通线,保证埋件在同一条直线上,同时,埋件角度必须按45度预埋,可做一个45度的可靠尺进行质量控制。1.3地脚螺栓在预埋前应对螺纹采取保护措施,用塑料布包裹并绑牢,以免施工时砼粘附在丝扣上影响上连接螺母。1.4因地脚螺栓不能直接与结构主筋点焊,为保证砼浇筑时埋件不跑位或偏斜,要求在相应部位增加附加钢筋,地脚螺栓点焊在附加钢筋上,点焊时,注意不要损坏埋件的有效直径。地脚螺栓第一步:预埋地脚螺栓2、模板及单侧支架安装安装流程:钢筋绑扎并验收后→弹外墙边线→合外墙模板→单侧支架吊装到位→安装单侧支架→安装加强钢管(单侧支架斜撑部位的附加钢管,现场自备)→安装压梁槽钢→安装埋件系统→调节支架垂直度→安装上操作平台→再紧固检查一次埋件系统→验收合格后2砼浇筑六、模板及支架拆除1、外墙砼浇筑完24小时后,先松动支架后支座,后松动埋件部分。2、彻底拆除埋件部分,并分类码放保存好。3、吊走单侧支架,模板继续贴靠在墙面上,临时用钢管撑上。4、砼浇筑完36小时后,拆模板。七、单侧支架安装安全技术交底1、单侧支架质量大,确保安全时间,工人在立支架时应由多人同时进行。2、防止工人疲劳作业。3、在确保单侧支架立稳后,工人才可以安装操作平台,操作平台上的跳板须满铺,操作平台的护拦至少设三道。4、砼浇筑时,工人应在操作平台上工作。5、按规范要求控制砼浇筑速度,分层浇筑。八、单侧支架受力计算1、设计取值:外墙最大侧压力65KN/㎡砼有效浇筑高度为900mm,墙体高度6000mm。2、计算预埋件受力情况(如图所示)3第二步:支设模板第三步:立单侧支架现场临时支撑第四步:安装埋件系统第五步:调节模板垂直度分析支架受力情况:取o点的力矩为0则:1.1F1×2700=F2×(5000+1000/3)+F3×2500=26×(5000+1000/3)+260×2500F1=273KN1.2据最大强度理论计算则预埋件最大拉力:F总=404KN,根预埋件最大拉力:F=404×300/800=152KN3、强度验算预埋件为‖级螺纹钢d=25mm,有效截面积A=314mm2轴心受拉强度:σ=F/A=152×σ=F/A=152×103/314=483N/mm2<f=510N/mm2符合要求十一、技术优势1、传统深基坑外墙做法:1.1护坡...

1、当您付费下载文档后,您只拥有了使用权限,并不意味着购买了版权,文档只能用于自身使用,不得用于其他商业用途(如 [转卖]进行直接盈利或[编辑后售卖]进行间接盈利)。
2、本站所有内容均由合作方或网友上传,本站不对文档的完整性、权威性及其观点立场正确性做任何保证或承诺!文档内容仅供研究参考,付费前请自行鉴别。
3、如文档内容存在违规,或者侵犯商业秘密、侵犯著作权等,请点击“违规举报”。

碎片内容

单侧墙体模板支架施工技术

确认删除?
VIP
微信客服
  • 扫码咨询
会员Q群
  • 会员专属群点击这里加入QQ群
客服邮箱
回到顶部