电脑桌面
添加小米粒文库到电脑桌面
安装后可以在桌面快捷访问

醋酸工作危害分析VIP免费

醋酸工作危害分析_第1页
1/17
醋酸工作危害分析_第2页
2/17
醋酸工作危害分析_第3页
3/17
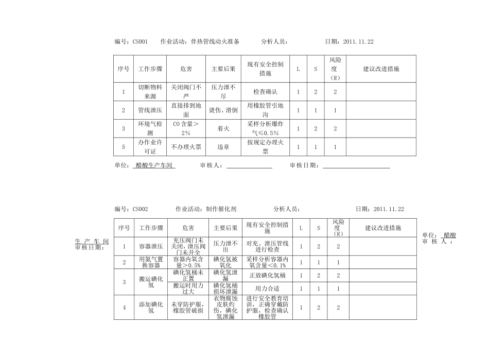
编号:CS001作业活动:伴热管线动火准备分析人员:日期:2011.11.22序号工作步骤危害主要后果现有安全控制措施LS风险度(R)建议改进措施1切断物料来源关闭阀门不严压力泄不尽检查确认1222管线泄压直接排到地面烫伤、滑倒用橡胶管引地沟1113环境气检测CO含量>2%着火采样分析爆炸气≤0.5%1225办作业许可证不办理火票违章按规定办理火票111单位:醋酸生产车间审核人:审核日期:编号:CS002作业活动:制作催化剂分析人员:日期:2011.11.22单位:醋酸生产车间审核人:审核日期:序号工作步骤危害主要后果现有安全控制措施LS风险度(R)建议改进措施1容器泄压充压阀门未关闭,泄压阀门未开全压力泄不出对充、泄压管线进行检查1222用氮气置换容器容器内氧含量>0.5%碘化氢被氧化采样分析容器内氧含量<0.1%1113搬运碘化氢碘化氢桶未正置碘化氢泄漏正放碘化氢桶122搬运时用力过大碘化氢桶损坏泄漏用力合适1114添加碘化氢未穿防护服,橡胶管破损衣物腐蚀皮肤灼伤,碘化氢泄漏进行安全教育培训,正确穿戴防护服,检查确认橡胶管122编号:CS003作业活动:切换备用泵分析人员:日期:2011.11.22单位:醋酸生产车间审核人:审核日期:序号工作步骤危害主要后果现有安全控制措施LS风险度(R)建议改进措施1切换泵的准备不按劳保着装违章按要求着防静电服111油质、油位达不到标准泵损坏可到规定标准211地面不清洁摔伤清理地面122备用泵未盘车机器损坏按规定盘车224接地不良着火爆炸定期电工接地1552关闭在用泵进出口阀门不按顺序开关阀门设备损坏严格按操作规程操作122用力过猛扭伤均匀用力1223关闭在用泵电源用力过猛手指扭伤均匀用力1224打开备用泵进口阀门不使用专用工具擦伤使用防爆工具122用力过猛扭伤均匀用力1225启动电源按扭损坏人身伤害更换新的按钮224用力过猛手指扭伤均匀用力1226打开泵出口阀门不使用专用工具擦伤使用防爆工具224用力过猛扭伤均匀用力133编号:CS004作业活动:开催化剂泵分析人员日期:2011.11.22单位:醋酸生产车间审核人:审核日期:序号工作步骤危害主要后果现有安全控制措施LS风险度(R)建议改进措施1开机前检查油位达不到规定位置机器损坏指定操作工加油224润滑油型号不对机器损坏指定操作工换油122不按标准盘车机器损坏指定操作工盘车224电机无接地线爆炸、着火定期检查155开机前没有排凝机器损坏按操作规程操作224未按规定着装违章按要求着着装、戴安全帽2242打通系统流程未使用防爆工具闪爆准备防爆工具133没开冲洗酸机封损坏按操作规程操作133密封水未投用机封损坏按操作规程操作122循环水未投用机器损坏按操作规程操作224用力过猛扭伤均匀用力122安全阀未投用机器损坏按操作规程操作224阀门管线管件泄漏着火爆炸检修泄漏位置1444启动电机、运行电机轴承超温机器损坏按时测温122电机振动机器损坏联系电工检查122电机声音异常机器损坏及时维修224压力表失灵机器损坏更换压力表224编号:CS005作业活动:停催化剂泵分析人员:日期:2011.11.22序号工作步骤危害主要后果现有安全控制措施LS风险度(R)建议改进措施1停机前准备未使用防爆工具静电引起闪爆使用防爆工具144未按规定着装违章按规定着装2242缓慢打开回流切阀阀门、管线、管件泄漏泄漏着火停工处理224不按规定开关阀门损坏机器严格按操作规程操作1223切断电源转数未按要求下降损坏机器按操作规程要求操作1334关进出口阀阀门未关严反应液排不净校正阀门,确认已关闭2245密封系统停用冲洗酸阀门未关反应液倒流按操作规程要求操作122密封水阀门未关反应液倒流按操作规程要求操作1226泵体物料排放催化剂沉淀浪费催化剂,损坏机封按操作规程要求操作224单位:醋酸生产车间审核人:审核日期:编号:CS006作业活动:精制塔的检查分析人员:日期:2011.11.22单位:醋酸生产车间审核人:审核日期:编号:CS007作业活动:脱羰基铁塔的填装分析人员:日期:2011.11.22序号工作步骤危害或潜在事件主要后果现有安全控制措施LS风险度(R)建议改进措施1准备工作未加盲板泄漏导致人身伤亡断开所有管线155塔内氧含量<19.5%人进入后窒息死亡采样分析氧含量19.5%~23.5%155塔内可燃气>2%闪爆、伤人分析可燃气<0...

1、当您付费下载文档后,您只拥有了使用权限,并不意味着购买了版权,文档只能用于自身使用,不得用于其他商业用途(如 [转卖]进行直接盈利或[编辑后售卖]进行间接盈利)。
2、本站所有内容均由合作方或网友上传,本站不对文档的完整性、权威性及其观点立场正确性做任何保证或承诺!文档内容仅供研究参考,付费前请自行鉴别。
3、如文档内容存在违规,或者侵犯商业秘密、侵犯著作权等,请点击“违规举报”。

碎片内容

醋酸工作危害分析

确认删除?
VIP
微信客服
  • 扫码咨询
会员Q群
  • 会员专属群点击这里加入QQ群
客服邮箱
回到顶部