电脑桌面
添加小米粒文库到电脑桌面
安装后可以在桌面快捷访问

NPK(MSDS)VIP专享VIP免费

NPK(MSDS)_第1页
1/4
NPK(MSDS)_第2页
2/4
NPK(MSDS)_第3页
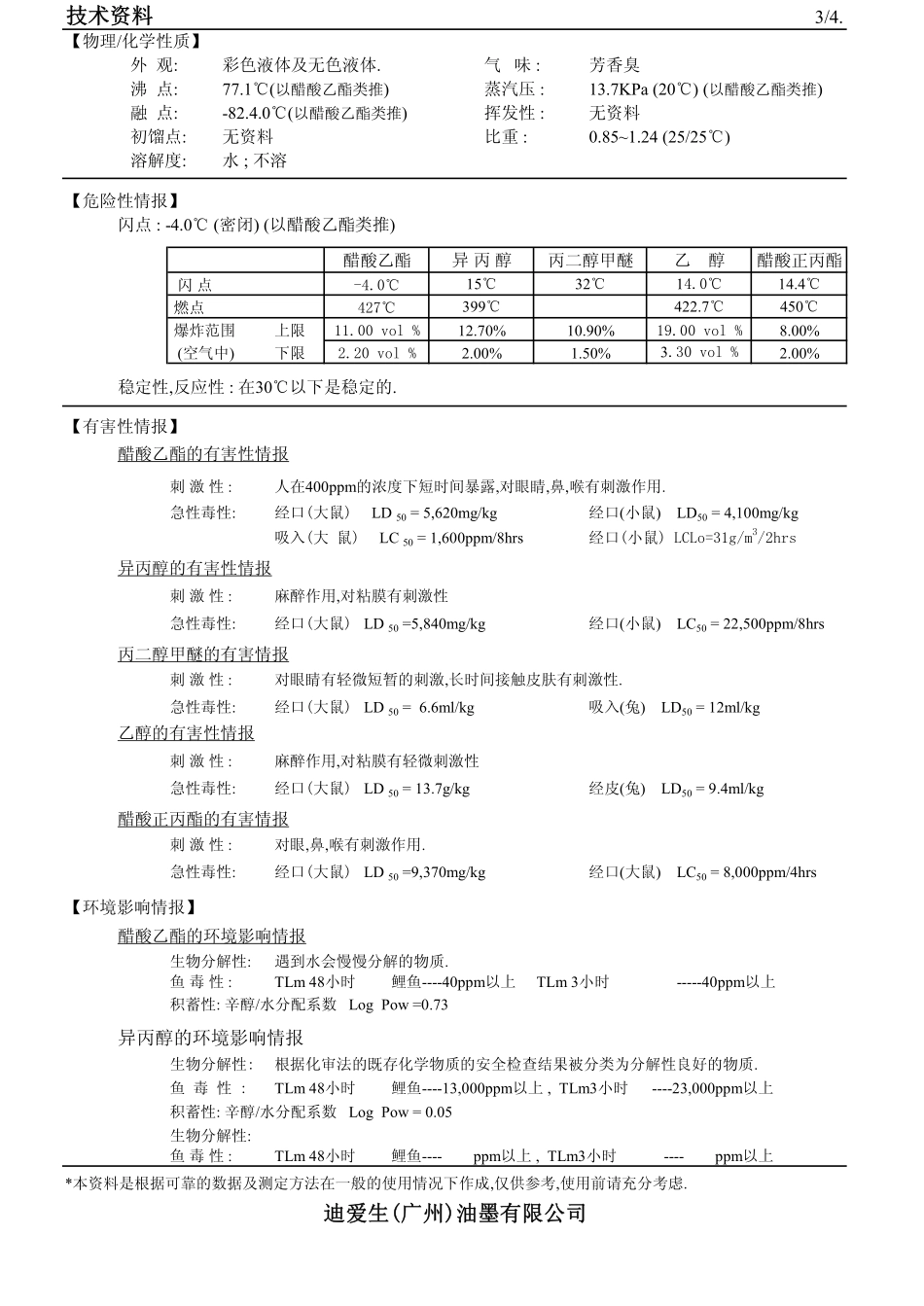
3/4
技术资料1/4.制品安全资料(MSDS)制造公司名:迪爱生(广州)油墨有限公司地址:广州经济技术开发区永和经济区新庄2路77号担当部门:技术部联系电话:020-32223200传真:020-32223201紧急联系电话:020-32223200作成日期:2007年3月1日.【制品名】(化学名,商品名):NPK【物质的特性】单一制品.混合制品分类:混合物该制品的一般名称:凹版油墨化学分子结构式0~30--------------------------------CH3CH2OHCH3COOC2H5醋酸正丙酯CH3COOC3H7异丙醇(CH3)2CHOH丙二醇甲醚CH3OCH2CH2CHOH其他----------------【危险有害性分类】分类名称:易燃性液体,急性毒性物质.危险性:易燃性液体(消防法:危险物第四类第一石油类.非水溶性液体)(指定数量:200升)有害性:其蒸汽对眼,喉有刺激;对中枢神经系统有抑制作用.环境影响:醋酸乙酯,异丙醇,丙二醇甲醚,醋酸正丙酯,乙醇在化审法的既存化学物质的安全检查结果中分类为分解性良好的物质.【应急措施】进入眼睛的场合:立刻用大量的水清洗至少15分钟,速送往专科医生诊治.附着在皮肤的场合:用大量温水冲洗,并用肥皂洗净皮肤.吸入的场合:立刻把受害人移至空气清鲜场所.用毛巾被覆盖身体保温,保持安定.呼吸困难时候,输氧并立刻送专科医生诊治.喝入的场合:用水洗净口舌.吐出后反而危险增加,立刻送专科医生诊治.【火灾时的措施】灭火方法:切断燃烧源,使用灭火剂顺着风向灭火,避免使用水.为防止受热燃烧,向建筑物洒水冷却,迅速转移可移动的容器至安全场所.不能移动的场合,向容器及周围洒水冷却.灭火剂:二氧化碳,泡沫,干粉,砂土.*本资料是根据可靠的数据及测定方法在一般的使用情况下作成,仅供参考,使用前请充分考虑.迪爱生(广州)油墨有限公司含量(%)18~2315~20化学物质名颜料合成树脂醋酸乙酯乙醇5~15CASNo有有141-78-667-63-0有5~1264-17-5109-60-410~20〈5107-98-22~4技术资料2/4.【泄漏时的措施】少量的场合:迅速去除附近的着火源.用碎布等非活性吸附剂吸附,回收到可密封的容器.大量的场合:逆风的人赶快逃离.泄漏场所的周边拉起绳子圈起来,禁止人进入.迅速去除附近的着火源.漏出液用密闭的容器收集起来,残留液用土,砂,硅藻土,木屑等非活性吸附剂吸附.防止泄漏物流入河流,水沟.作业中着用保护用具.【使用及保管上的注意事项】使用:避免皮肤接触,使用中禁烟.使用场所要通风良好.着用适当的保护用具.避免暴露.防止泄漏,溢出,飞散.采取防静电措施.机器电机采用防爆型.使用防火花型工具.保管:储存在通风,阴暗地方(10-25℃),保管在特定的场所.遵从危险物消防法规.远离热源,着火源,避免阳光直射.劳动卫生上的注意事项:防止泄漏,抑制蒸汽散发.控制作业环境浓度.实施健康诊断.定期检查,整理防护用具.实施关于使用上的安全卫生教育.公告使用上的注意事项,对人体的作用,发生中毒时的应急措施.避免皮肤接触.【防止暴露措施】醋酸乙酯,异丙醇,丙二醇甲醚,正丙醇,醋酸正丙酯的管理浓度及允许浓度.成份醋酸乙酯异丙醇丙二醇甲醚乙醇醋酸正丙酯管理浓度日本产业卫生学会允TWA许ACGIH浓TWA400ppm400ppm1,000ppm1,400mg/m3983mg/m31,880mg/m3度(1996~97).(1996~7).STEL现在已经没有500ppm1,230mg/m3(1993~94).注:TWA:平均时间重量STEL:短时间暴露限度设备对策:使用时,采用密闭装置或局部排气装置.保护用具:呼吸用保护用具-----有机气体用防毒面具保护眼镜--------------带侧面型保护手套--------------防静电型,耐溶剂橡胶制.保护服-----------------防静电保护服保护鞋-----------------防静电安全鞋*本资料是根据可靠的数据及测定方法在一般的使用情况下作成,仅供参考,使用前请充分考虑.迪爱生(广州)油墨有限公司(1994).200ppm(1994).250ppm200ppm200ppm(1994).720mg/m3(1996).980mg/m3100ppm100ppm(1994).400ppm400ppm(1994).100ppm(1994).400ppm200ppm150ppm(1996).1,000ppm1000ppm1,880mg/m3(1995).(1995).技术资料3/4.【物理/化学性质】外观:彩色液体及无色液体.气味:芳香臭沸点:77.1℃(以醋酸乙酯类推)蒸汽压:13.7KPa(20℃)(以醋酸乙酯类推)融点:-82.4.0℃(以醋酸乙酯类推)挥发性:无资料初馏点:无资料比重:0.85~1.24(25/25℃)溶解度:水;不溶【危险性情报】闪点:-4.0℃(密闭)(以醋酸...

1、当您付费下载文档后,您只拥有了使用权限,并不意味着购买了版权,文档只能用于自身使用,不得用于其他商业用途(如 [转卖]进行直接盈利或[编辑后售卖]进行间接盈利)。
2、本站所有内容均由合作方或网友上传,本站不对文档的完整性、权威性及其观点立场正确性做任何保证或承诺!文档内容仅供研究参考,付费前请自行鉴别。
3、如文档内容存在违规,或者侵犯商业秘密、侵犯著作权等,请点击“违规举报”。

碎片内容

确认删除?
VIP
微信客服
  • 扫码咨询
会员Q群
  • 会员专属群点击这里加入QQ群
客服邮箱
回到顶部