电脑桌面
添加小米粒文库到电脑桌面
安装后可以在桌面快捷访问

PE管外观检查VIP免费

PE管外观检查_第1页
1/15
PE管外观检查_第2页
2/15
PE管外观检查_第3页
3/15
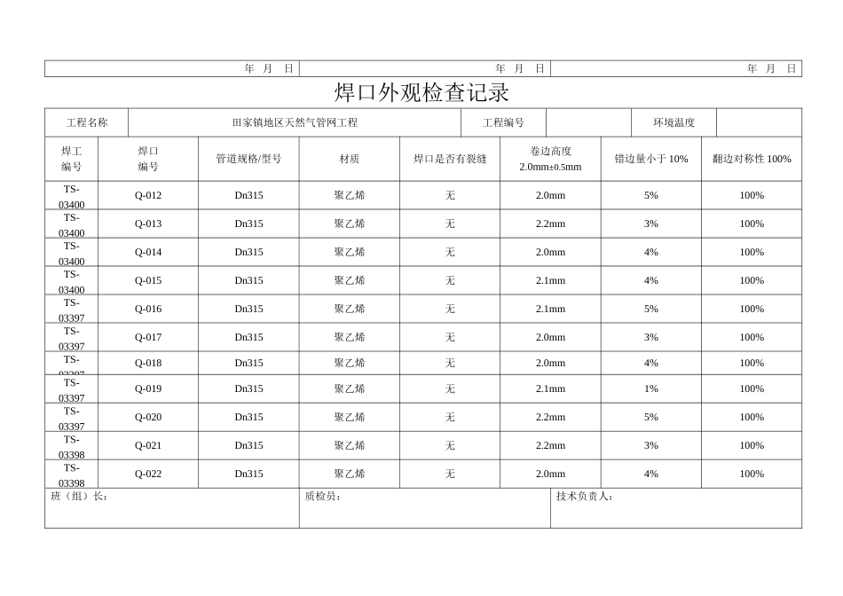
焊口外观检查记录工程名称田家镇地区天然气管网工程工程编号环境温度焊工编号焊口编号管道规格/型号材质焊口是否有裂缝卷边高度2.0mm±0.5mm错边量小于10%翻边对称性100%TS-03399Q-001Dn315聚乙烯无2.2mm5%100%TS-03399Q-002Dn315聚乙烯无2.0mm3%100%TS-03399Q-003Dn315聚乙烯无2.0mm4%100%TS-03399Q-004Dn315聚乙烯无2.0mm4%100%TS-03399Q-005Dn315聚乙烯无2.0mm5%100%TS-03400Q-006Dn315聚乙烯无2.1mm3%100%TS-03400Q-007Dn315聚乙烯无2.2mm4%100%TS-03400Q-008Dn315聚乙烯无2.1mm1%100%TS-03400Q-009Dn315聚乙烯无2.1mm5%100%TS-03400Q-010Dn315聚乙烯无2.2mm3%100%TS-03400Q-011Dn315聚乙烯无2.0mm4%100%班(组)长:质检员:技术负责人:年月日年月日年月日焊口外观检查记录工程名称田家镇地区天然气管网工程工程编号环境温度焊工编号焊口编号管道规格/型号材质焊口是否有裂缝卷边高度2.0mm±0.5mm错边量小于10%翻边对称性100%TS-03400Q-012Dn315聚乙烯无2.0mm5%100%TS-03400Q-013Dn315聚乙烯无2.2mm3%100%TS-03400Q-014Dn315聚乙烯无2.0mm4%100%TS-03400Q-015Dn315聚乙烯无2.1mm4%100%TS-03397Q-016Dn315聚乙烯无2.1mm5%100%TS-03397Q-017Dn315聚乙烯无2.0mm3%100%TS-03397Q-018Dn315聚乙烯无2.0mm4%100%TS-03397Q-019Dn315聚乙烯无2.1mm1%100%TS-03397Q-020Dn315聚乙烯无2.2mm5%100%TS-03398Q-021Dn315聚乙烯无2.2mm3%100%TS-03398Q-022Dn315聚乙烯无2.0mm4%100%班(组)长:质检员:技术负责人:年月日年月日年月日焊口外观检查记录工程名称田家镇地区天然气管网工程工程编号环境温度焊工编号焊口编号管道规格/型号材质焊口是否有裂缝卷边高度2.0mm±0.5mm错边量小于10%翻边对称性100%TS-03398Q-023Dn315聚乙烯无2.0mm5%100%TS-03398Q-024Dn315聚乙烯无2.0mm3%100%TS-03398Q-025Dn315聚乙烯无2.2mm4%100%TS-03398Q-026Dn315聚乙烯无2.0mm4%100%TS-03398Q-027Dn315聚乙烯无2.2mm5%100%TS-03398Q-028Dn315聚乙烯无2.2mm3%100%TS-03398Q-029Dn315聚乙烯无2.0mm4%100%TS-03398Q-030Dn315聚乙烯无2.0mm1%100%TS-03400Q-031Dn315聚乙烯无2.1mm5%100%TS-03400Q-032Dn315聚乙烯无2.1mm3%100%TS-03400Q-033Dn315聚乙烯无2.2mm4%100%班(组)长:年月日质检员:年月日技术负责人:年月日焊口外观检查记录工程名称田家镇地区天然气管网工程工程编号环境温度焊工编号焊口编号管道规格/型号材质焊口是否有裂缝卷边高度2.0mm±0.5mm错边量小于10%翻边对称性100%TS-03400Q-034Dn315聚乙烯无2.0mm5%100%TS-03400Q-035Dn315聚乙烯无2.0mm3%100%TS-03400Q-036Dn315聚乙烯无2.0mm4%100%TS-03400Q-037Dn315聚乙烯无2.0mm4%100%TS-03400Q-038Dn315聚乙烯无2.2mm5%100%TS-03400Q-039Dn315聚乙烯无2.1mm3%100%TS-03400Q-040Dn315聚乙烯无2.1mm4%100%TS-03397Q-041Dn315聚乙烯无2.2mm1%100%TS-03397Q-042Dn315聚乙烯无2.0mm5%100%TS-03397Q-043Dn315聚乙烯无2.0mm3%100%TS-03397Q-044Dn315聚乙烯无2.1mm4%100%班(组)长:年月日质检员:年月日技术负责人:年月日焊口外观检查记录工程名称田家镇地区天然气管网工程工程编号环境温度焊工编号焊口编号管道规格/型号材质焊口是否有裂缝卷边高度2.0mm±0.5mm错边量小于10%翻边对称性100%TS-03397Q-045Dn315聚乙烯无2.1mm5%100%TS-03397Q-046Dn315聚乙烯无2.0mm3%100%TS-03397Q-047Dn315聚乙烯无2.0mm4%100%TS-03397Q-048Dn315聚乙烯无2.0mm4%100%TS-03397Q-049Dn315聚乙烯无2.0mm5%100%TS-03397Q-050Dn315聚乙烯无2.2mm3%100%TS-03399Q-051Dn315聚乙烯无2.2mm4%100%TS-03399Q-052Dn315聚乙烯无2.1mm1%100%TS-03399Q-053Dn315聚乙烯无2.0mm5%100%TS-03399Q-054Dn315聚乙烯无2.2mm3%100%TS-03399Q-055Dn315聚乙烯无2.0mm4%100%班(组)长:年月日质检员:年月日技术负责人:年月日焊口外观检查记录工程名称田家镇地区天然气管网工程工程编号环境温度焊工编号焊口编号管道规格/型号材质焊口是否有裂缝卷边高度2.0mm±0.5mm错边量小于10%翻边对称性100%TS-03397Q-056Dn315聚乙烯无2.3mm5%100%TS-03397Q-057Dn315聚乙烯无2.0mm3%100%TS-03397Q-058Dn315聚乙...

1、当您付费下载文档后,您只拥有了使用权限,并不意味着购买了版权,文档只能用于自身使用,不得用于其他商业用途(如 [转卖]进行直接盈利或[编辑后售卖]进行间接盈利)。
2、本站所有内容均由合作方或网友上传,本站不对文档的完整性、权威性及其观点立场正确性做任何保证或承诺!文档内容仅供研究参考,付费前请自行鉴别。
3、如文档内容存在违规,或者侵犯商业秘密、侵犯著作权等,请点击“违规举报”。

碎片内容

PE管外观检查

海纳百川+ 关注
实名认证
内容提供者

热爱教学事业,对互联网知识分享很感兴趣

确认删除?
VIP
微信客服
  • 扫码咨询
会员Q群
  • 会员专属群点击这里加入QQ群
客服邮箱
回到顶部