电脑桌面
添加小米粒文库到电脑桌面
安装后可以在桌面快捷访问

设备二级巡检VIP免费

设备二级巡检_第1页
1/64
设备二级巡检_第2页
2/64
设备二级巡检_第3页
3/64
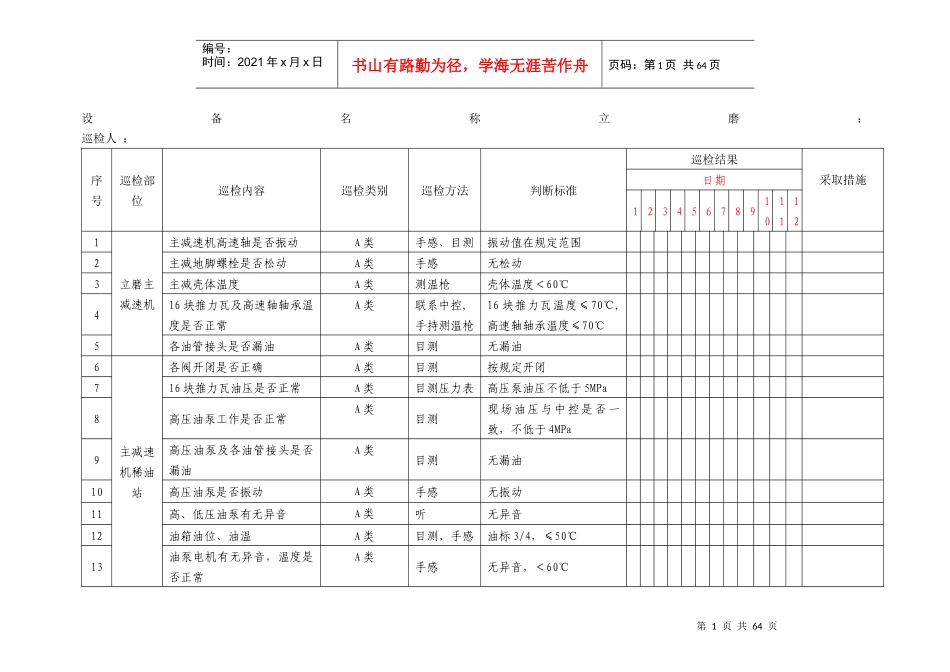
第1页共64页编号:时间:2021年x月x日书山有路勤为径,学海无涯苦作舟页码:第1页共64页设备名称立磨:巡检人:序号巡检部位巡检内容巡检类别巡检方法判断标准巡检结果采取措施日期1234567891011121立磨主减速机主减速机高速轴是否振动A类手感、目测振动值在规定范围2主减地脚螺栓是否松动A类手感无松动3主减壳体温度A类测温枪壳体温度<60℃416块推力瓦及高速轴轴承温度是否正常A类联系中控,手持测温枪16块推力瓦温度≤70℃,高速轴轴承温度≤70℃5各油管接头是否漏油A类目测无漏油6主减速机稀油站各阀开闭是否正确A类目测按规定开闭716块推力瓦油压是否正常A类目测压力表高压泵油压不低于5MPa8高压油泵工作是否正常A类目测现场油压与中控是否一致,不低于4MPa9高压油泵及各油管接头是否漏油A类目测无漏油10高压油泵是否振动A类手感无振动11高、低压油泵有无异音A类听无异音12油箱油位、油温A类目测、手感油标3/4,≤50℃13油泵电机有无异音,温度是否正常A类手感无异音,<60℃第2页共64页第1页共64页编号:时间:2021年x月x日书山有路勤为径,学海无涯苦作舟页码:第2页共64页注:1、开机前对各点润滑、螺栓进行检查,巡检时身体任何部位不得接触设备旋转部件。2、停机检查时必须按规定程序切断电机电源并挂警示牌,方可进行检查。3、在正常的范围内打“√”不正常的打“×”能数字化则数字化。设备名称立磨:巡检人:巡检日期序号巡检部位巡检内容巡检类别巡检方法判断标准巡检结果采取措施日期日期日期14主电机3800KW6000V地脚螺栓是否松动A类手感无松动15两端轴瓦温度,有无打火现象A类手感、目测<60℃,无打火现象16轴瓦润滑是否正常A类手感、目测目测轴瓦有无油流,油位1/2油标17稀油站油位、油温A类手感、目测3/4油标,<50℃,无漏油18稀油站油泵运行是否正常A类手感、目测无异音、异振、油压正常19液压张紧装置三个张紧杆伸缩量是否一致A类目测位移测距仪伸缩量应一致20液压缸底座是否完好A类目测关节轴承完好,活动自如21液压站油位、油温A类目测、手感3/4油标,<60℃22液压缸温度A类手感<60℃第3页共64页第2页共64页编号:时间:2021年x月x日书山有路勤为径,学海无涯苦作舟页码:第3页共64页23液压站电机是否频繁起动A类目测半个小时或更长时间启动24液压站油压是否会保压A类目测油压波动范围较小(2Mpa内)无漏油25液压站是否漏油A类目测无漏油26选粉机选粉机轴承温度A类测温枪油温小于70℃27干油泵油量,油管是否完好A类目测不低于1/3内腔,油管完好注:1、开机前对各点润滑、螺栓进行检查,巡检时身体任何部位不得接触设备旋转部件。2、停机检查时必须按规定程序切断电机电源并挂警示牌,方可进行检查。3、在正常的范围内打“√”不正常的打“×”能数字化则数字化。设备名称立磨:巡检人:巡检日期:序号巡检部位巡检内容巡检类别巡检方法判断标准巡检结果采取措施日期日期日期28选粉机减速机润滑、温度A类目测油位3/4,<60℃29减速机自备循环油泵A类目测、手感油泵工作正常无漏油30电机温度、振动A类手感<60℃,无异振31选粉机叶片有无积灰和变形A类目测无积灰,无变形34磨辊润滑站润滑站供油泵自动开停是否正常A类观察现场仪表和面板供油泵的开停时间比例为1:235润滑站油箱温度是否正常A类目测仪表油温<60℃第4页共64页第3页共64页编号:时间:2021年x月x日书山有路勤为径,学海无涯苦作舟页码:第4页共64页36润滑站油位变化是否异常A类目测油标变化幅度小于100mm37磨内情况喷口环有无堵塞或磨损A类目测无堵塞、磨损38磨盘刮料板A类目测磨损正常及螺栓无松动39磨辊螺栓是否松动A类敲击、手感无松动40磨内情况磨辊夹板是否夹实A类敲击有“空”声41磨辊皮有无错位A类目测一块夹板一块辊皮注:1、开机前对各点润滑、螺栓进行检查,巡检时身体任何部位不得接触设备旋转部件。2、停机检查时必须按规定程序切断电机电源并挂警示牌,方可进行检查。3、在正常的范围内打“√”不正常的打“×”能数字化则数字化。设备名称立磨:巡检人:巡检日期:序号巡检部位巡检内容巡检类别巡检方法判断标准巡检结果采取措施日期日期日期42磨内情况磨盘挡料环是否松动A类目测...

1、当您付费下载文档后,您只拥有了使用权限,并不意味着购买了版权,文档只能用于自身使用,不得用于其他商业用途(如 [转卖]进行直接盈利或[编辑后售卖]进行间接盈利)。
2、本站所有内容均由合作方或网友上传,本站不对文档的完整性、权威性及其观点立场正确性做任何保证或承诺!文档内容仅供研究参考,付费前请自行鉴别。
3、如文档内容存在违规,或者侵犯商业秘密、侵犯著作权等,请点击“违规举报”。

碎片内容

设备二级巡检

确认删除?
VIP
微信客服
  • 扫码咨询
会员Q群
  • 会员专属群点击这里加入QQ群
客服邮箱
回到顶部