电脑桌面
添加小米粒文库到电脑桌面
安装后可以在桌面快捷访问

冲击式钻孔桩技术交底记录VIP免费

冲击式钻孔桩技术交底记录_第1页
1/7
冲击式钻孔桩技术交底记录_第2页
2/7
冲击式钻孔桩技术交底记录_第3页
3/7
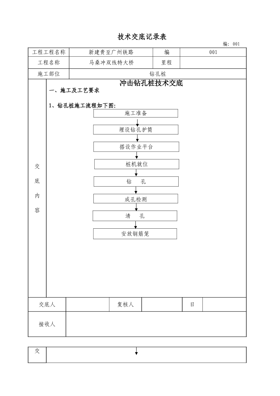
技术交底记录表编:001工程工程名称新建贵至广州铁路编001工程名称马桑冲双线特大桥里程施工部位钻孔桩交底内容冲击钻孔桩技术交底一、施工及工艺要求1、钻孔桩施工流程如下图:施工准备埋设钻孔护筒搭设作业平台桩机就位钻孔成孔检测清孔安放钢筋笼交底人复核人日接收人交底内容安放导浇筑水下混凝土拔出导、护筒基桩检测要求采用整套冲击钻机设备防止使用双筒卷扬机组成的简易钻具。为防止冲击振动导致邻孔孔壁坍塌或影响邻孔已浇灌砼强度,应侍邻孔砼抗压强度到达2.5MPa前方可开钻。2、施工准备在旱地上应去除杂物换除软土平整压实场地位于浅水、陡坡、淤泥中时可采用筑岛、或用枕木或型钢等搭设工作平台;当位于深水时可插打临时桩搭设固定工作平台。工作平台必须巩固稳定能承受施工作业时所有静、活荷载同时还应考虑施工设备能平安进、出场。桩基中心位置测设完成后应在纵横向设护桩以备对桩位进展复核。成孔开场前应充分做好准备工作成孔施工应一次不连续地完成不得无故停钻为以防孔壁周围土质物理性能发生变化。同时应做好施工原始记录。3、埋设钢护筒护筒内径比钻头大40cm护筒埋置深度符合以下规定:黏性土、粉土不小于1m砂类土不小于2m。当表层土松软时将护筒埋置到较坚硬实的土层中至少0.5m。岸滩上埋设护筒在护筒四周回填黏土并分层夯实;护筒顶面中心与设计桩位偏向不大于5cm倾斜度不大于1。水中筑岛护筒宜埋入河床面以下1米。护筒顶面宜高出施工水位或地下水位2m并高出施工地面0.5m。钻孔时孔内水位高出护筒底面0.5m或地下水位以上1.5-2.0m。4、泥浆制备开挖泥浆池选择和备足良好的造浆粘土或膨润土造浆量为2倍的桩的混凝土体积泥浆比重可根据钻进不同地层及时进展调整。泥浆性能指标如下:泥浆比重:岩石不大于1.2砂黏土不大于1.3坚硬大漂石、卵石夹粗砂不宜大于1.4。粘度:一般地层16~22s松散易坍地层19~28s。含砂率:新制泥浆不大于4。胶体率:不小于95。PH值:大于6.5。二、钻孔1、安装钻机安装钻机时要求底部应垫平保持稳定不得产生位移和沉陷顶端用缆风绳对称拉紧钻头在护筒中心偏向不得大于50mm。为保证桩孔垂直度小于1/100施工中首先要使铺设的工作平台程度、坚实并在钻机上设置导向成孔时钻机定位应准确、程度、稳固钻机回转盘中心与护筒中心的允许偏向应不大于20mm。钻机定位后应用钢丝绳将护筒上口挂带在钻机底盘上成孔过程中钻机塔架头部滑轮组回转器与钻头应始终保持在同一铅垂线上并保证钻头在吊紧的状态下钻进。2、钻进开场钻进时进尺应适当控制在护筒刃脚处应短冲程钻进使刃脚处有巩固的泥皮护壁。待钻进深度超过钻头全高加正常冲程后可按土质以正常速度钻进。如护筒外侧土质松软发现漏浆时可提起钻锥向孔中到入粘土再放下钻锥冲击使胶泥挤入孔壁堵住漏浆孔隙稳住泥浆继续钻进。在砂类土或软土层钻进时易坍孔。宜选用平底钻锥、控制进尺、低冲程、稠泥浆钻进。泥浆补充与净化:开场前应调制足够数量的泥浆钻进过程中如泥浆有损耗、漏失应予补充。并应按泥浆检查规定按时检查泥浆指标遇土层变化应增加检查次数并适当调整泥浆指标。每钻进2m或地层变化处应在泥浆槽中捞取钻渣样品查明土类并记录及时排除钻渣并置换泥浆使钻锥经常钻进新颖地层。同时注意土层的变化在岩、土层变化处均应捞取渣样判明土层并记入记录表中以便与地质剖面图核对。3、检孔钻孔完成后用电子孔斜仪或检孔器进展检孔。孔径、孔垂直度、孔深检查合格后再拆卸钻机进展清孔工作否那么重新进展扫孔。4、清孔清孔的目的是使孔底沉碴、泥浆相对度、泥浆中含钻渣量等指标符合要求钻孔到达要求深度后采用灌注桩孔径监测系统进展检查各项指标符合要求后立即进展清孔。三、钢筋笼制作、安装1、钢筋笼分节长度对于较短的桩基钢筋笼宜制作成整体一次吊装就位。对于孔深较大的桩基钢筋笼需要现场焊接的钢筋笼分段长度不宜少于9米〔根据钢筋原材料长度而定〕以减少现场焊接工作量。现场焊接须采用单面帮条焊接。2、钢筋制作制作时按设计尺寸做好加强箍筋标出主筋的位置。把主筋摆放在平整的工作平台上并标出加强筋的位置。焊接时使加强筋上任一主筋的标记对准主筋中部的加强筋标记扶正加强筋并...

1、当您付费下载文档后,您只拥有了使用权限,并不意味着购买了版权,文档只能用于自身使用,不得用于其他商业用途(如 [转卖]进行直接盈利或[编辑后售卖]进行间接盈利)。
2、本站所有内容均由合作方或网友上传,本站不对文档的完整性、权威性及其观点立场正确性做任何保证或承诺!文档内容仅供研究参考,付费前请自行鉴别。
3、如文档内容存在违规,或者侵犯商业秘密、侵犯著作权等,请点击“违规举报”。

碎片内容

冲击式钻孔桩技术交底记录

精品中小学文档+ 关注
实名认证
内容提供者

精品资料,值得下载

确认删除?
VIP
微信客服
  • 扫码咨询
会员Q群
  • 会员专属群点击这里加入QQ群
客服邮箱
回到顶部