电脑桌面
添加小米粒文库到电脑桌面
安装后可以在桌面快捷访问

住宅楼工程安全监理规划VIP免费

住宅楼工程安全监理规划_第1页
1/9
住宅楼工程安全监理规划_第2页
2/9
住宅楼工程安全监理规划_第3页
3/9
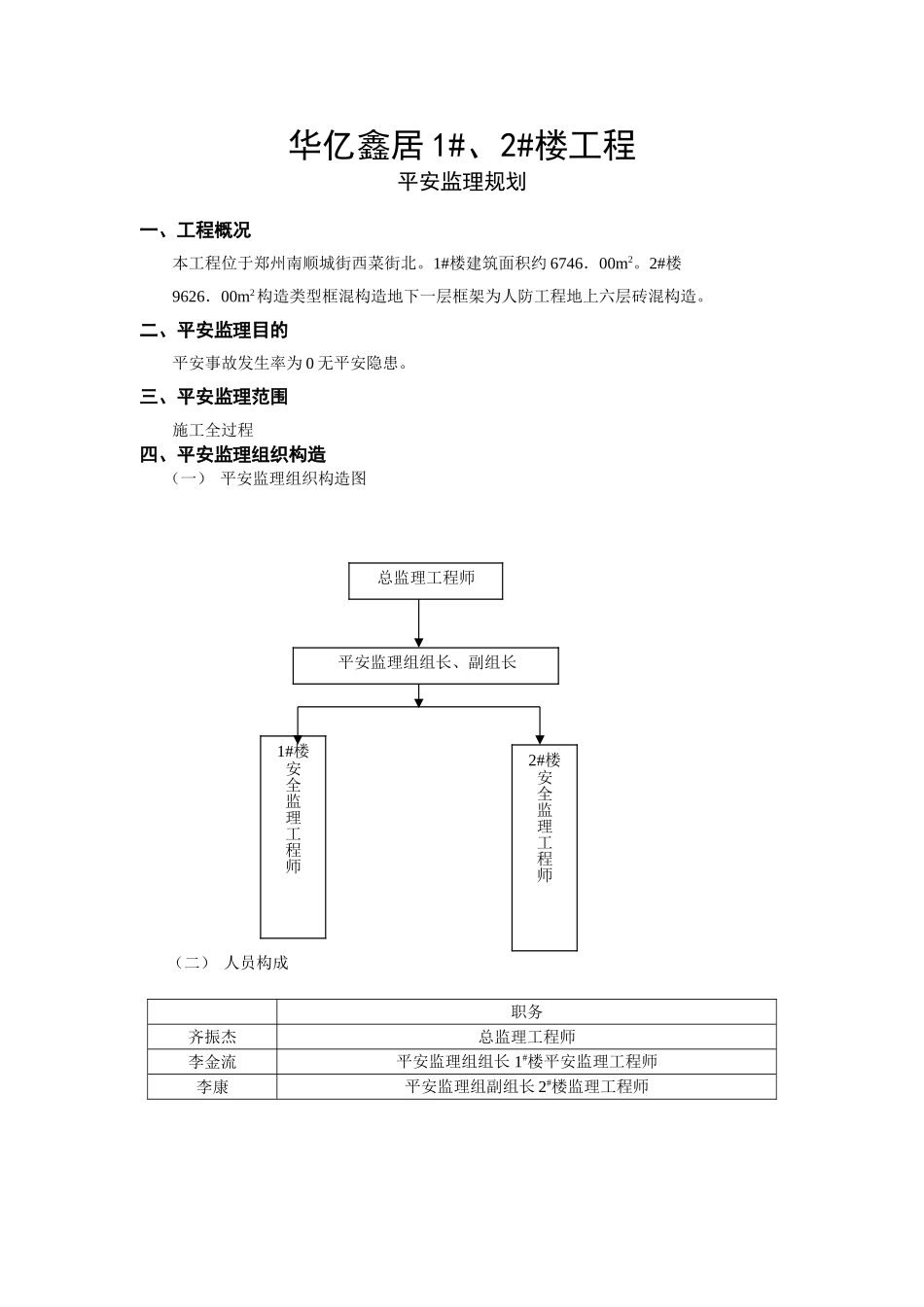
华亿鑫居1#、2#楼工程平安监理规划一、工程概况本工程位于郑州南顺城街西菜街北。1#楼建筑面积约6746.00m2。2#楼9626.00m2构造类型框混构造地下一层框架为人防工程地上六层砖混构造。二、平安监理目的平安事故发生率为0无平安隐患。三、平安监理范围施工全过程四、平安监理组织构造(一)平安监理组织构造图(二)人员构成职务齐振杰总监理工程师李金流平安监理组组长1#楼平安监理工程师李康平安监理组副组长2#楼监理工程师总监理工程师平安监理组组长、副组长1#楼安全监理工程师2#楼安全监理工程师五、平安监理工作内容(一)施工准备阶段1.审查施工有无平安证书。2.审查施工提交的各项平安施工组织设计。3.审查施工拟进驻现场的理人员及特殊工种作业人员上岗证。4.审查施工平安文明施工理体系、平安保证体系及各项平安责任制度是否健全。5.审查施工现场是否具备平安消费条件、机械设备及平安设施到位情况。6.严把开工关。(二)施工阶段1.检查施工平安文明施工理体系和保证体系、人员组成及到位情况。2.检验批及分项工程施工前及工序交接部位严格监视施工进展平安技术交底。3.定、不定检查施工对施工人员进展平安教育情况。4.及时检查施工现场有无平安隐患存在。5.跟踪检查现场施工人员有无违背有关平安操作规程。6.检查施工各项平安责任制度的落实情况。7.监视施工对各类机械设备定检查和保养。六、平安监理程序七、平安监理措施1.组织措施:建立健全平安监理组织完善职责分工及有关制度落实平安控制责任制。2.技术措施:认真审核各专项平安施工组织设计和方案。3.经济措施:建议建立对平安达不到要求且据不整改的给以经济处分。对表现好的工程部给予经济奖励。4.合同措施:平安达不到要求不得进展工序施工对据不整改者不予工程款支付手续。八、各级人员职责与权限1.总监理工程师的职责(1)总监理工程师代表监理履行监理合同中授予的各项权限对监理工作有最后的权。(2)执行监理合同的指和交办的任务组织监理工作开展各项平安监理工作。负开工前施工编制平安施工组织设计组建平安理体系并对现场准备情况进展自检监理工程师对施工报送资料审核并对现场情况审查工序施工准备并作好自检监理工程师审查工序施工整改整改责编制各项平安监理工作方案组织施行并催促检查执行情况。(3)审查施工的施行性平安施工组织设计、平安施工方案。(4)催促检查施工开工准备工作审签开工。(5)参加与所建工程有关的消费、技术、平安、质量等会议或检查。(6)签发工程质量、平安单、工程事故分析及处理、停工。2.平安监理组组长〔副组长〕职责与权限(1)在总监理工程师指导下对平安监理工作进展监视理。(2)执行总监理工程师指和交办的各项监理任务指导和组织各楼监理工程师开展平安检查工作并检查落实情况。(3)组织各楼监理工程师进展平安监视、检查要求把握各类工程平安施工和验收检查施工平安情况提出限整改。3.各楼平安监理工程师职责与权限(1)在平安监理组组长〔副组长〕的指导下负责作好各自楼一切有关平安质量监理工作。(2)现场检查工程质量、平安施行和机械设备的情况。(3)深化现场掌握工程质量、平安消费、文明施工等情况。(4)及时上报上述情况。九、平安监理工作制度1.开工审批制度当工程的主要施工准备工作已完成时施工可提出?工程开工?经监理工程师现场落实后一般工程即可审批并报监理部。2.工程平安检查制度监理工程师对施工平安理有监理责任。〔1〕监理工程师在检查现的平安问题应随时施工及时改正并作好记录。检查不合格时可发出限整改。〔2〕如施工不及时整改情节较严重的监理工程师可报请总监或平安监理组长、副组长负责处理。3.定平安检查制度每周对各楼平安设施和机械设备按时进展检查。4.施工平安监视制度监视施工根据批准的各项平安施工组织设计进展组织施行并监视施工对各项平安制度及施工人员平安教育落实情况。监视施工定和不定对施工现场、机械设备进展平安检查。5.工程平安事故制度发生平安事故后催促施工按照事故类别和等级进展逐级上报并监视施工作好现场保护和事故调查工作。十、平安监理控制重点控制工程控制内容控制要点临时设施工棚、、宿舍加...

1、当您付费下载文档后,您只拥有了使用权限,并不意味着购买了版权,文档只能用于自身使用,不得用于其他商业用途(如 [转卖]进行直接盈利或[编辑后售卖]进行间接盈利)。
2、本站所有内容均由合作方或网友上传,本站不对文档的完整性、权威性及其观点立场正确性做任何保证或承诺!文档内容仅供研究参考,付费前请自行鉴别。
3、如文档内容存在违规,或者侵犯商业秘密、侵犯著作权等,请点击“违规举报”。

碎片内容

住宅楼工程安全监理规划

确认删除?
VIP
微信客服
  • 扫码咨询
会员Q群
  • 会员专属群点击这里加入QQ群
客服邮箱
回到顶部