电脑桌面
添加小米粒文库到电脑桌面
安装后可以在桌面快捷访问

监管部门参考标准-全国安全生产监管机构基础设施建设VIP免费

监管部门参考标准-全国安全生产监管机构基础设施建设_第1页
1/7
监管部门参考标准-全国安全生产监管机构基础设施建设_第2页
2/7
监管部门参考标准-全国安全生产监管机构基础设施建设_第3页
3/7
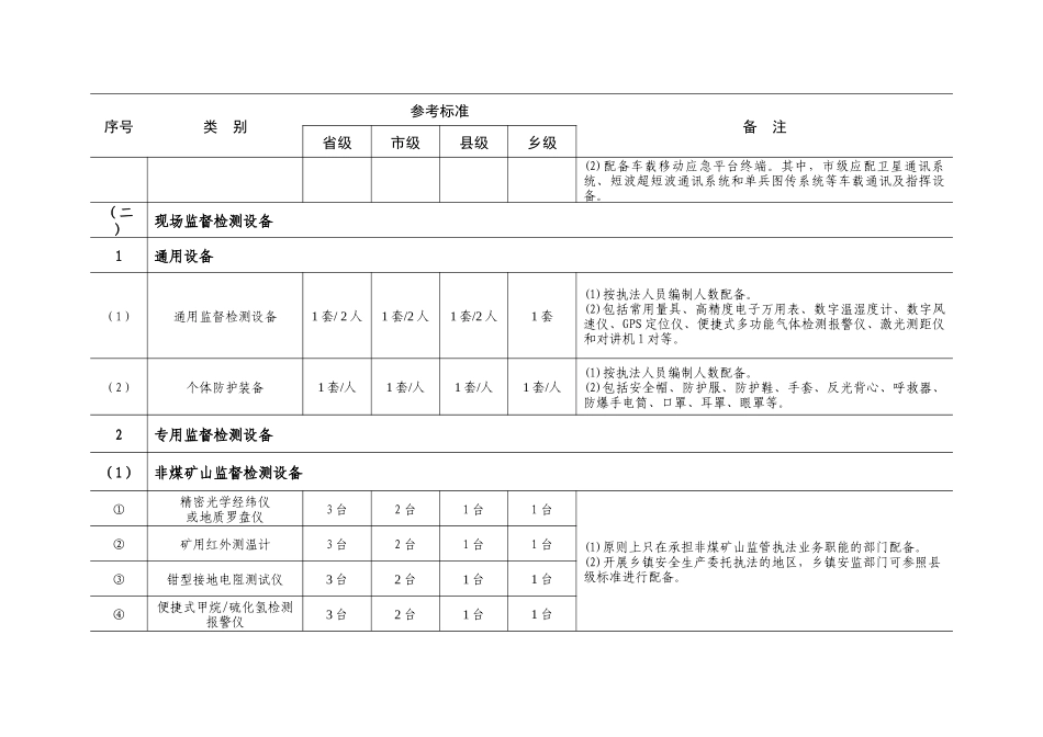
安全监管部门基础设施建设及装备参考标准序号类别参考标准备注省级市级县级乡级一基础设施(一)办公用房24㎡/人18㎡/人12㎡/人60㎡(1)省、市、县级办公及辅助用房依照计投资[1999]2250号文核定。(2)开展乡镇安全生产委托执法的地区,乡镇安监部门可参照县级标准进行配备。(二)业务用房2680㎡1680㎡950㎡120㎡(1)按功能核定。包括事故鉴定与分析用房、执法专用设备保管库、执法文书和行政许可档案室、政务公开办事大厅、安全生产投诉举报受理业务用房、听证室、应急救援指挥业务用房、政府门户网站业务用房和专用车库等。(2)省级编制人数超过80人、市级超过45人、县级超过20人的部门编制人数每增加10人业务用房面积增加8%。(三)保障服务用房1500㎡1100㎡310㎡(1)按功能核定。包括执法人员交流用房、老干部活动用房、执法人员素质拓展用房和信息化建设等其它保障服务用房。(2)省级编制人数超过80人、市级超过45人、县级超过20人的部门编制人数每增加10人保障服务用房面积增加8%。二装备配备(一)交通工具1监管业务车辆2辆/内设监管业务机构2辆/内设监管业务机构1辆/内设监管业务机构1辆(1)按实际承担监管执法业务的内设机构配备。编制人数超过6人时,每增加2人增配1辆。(2)根据当地经济和地理条件确定车型。2应急抢险指挥车1辆1辆1辆(1)选用越野车。序号类别参考标准备注省级市级县级乡级(2)配备车载移动应急平台终端。其中,市级应配卫星通讯系统、短波超短波通讯系统和单兵图传系统等车载通讯及指挥设备。(二)现场监督检测设备1通用设备(1)通用监督检测设备1套/2人1套/2人1套/2人1套(1)按执法人员编制人数配备。(2)包括常用量具、高精度电子万用表、数字温湿度计、数字风速仪、GPS定位仪、便捷式多功能气体检测报警仪、激光测距仪和对讲机1对等。(2)个体防护装备1套/人1套/人1套/人1套/人(1)按执法人员编制人数配备。(2)包括安全帽、防护服、防护鞋、手套、反光背心、呼救器、防爆手电筒、口罩、耳罩、眼罩等。2专用监督检测设备(1)非煤矿山监督检测设备①精密光学经纬仪或地质罗盘仪3台2台1台1台(1)原则上只在承担非煤矿山监管执法业务职能的部门配备。(2)开展乡镇安全生产委托执法的地区,乡镇安监部门可参照县级标准进行配备。②矿用红外测温计3台2台1台1台③钳型接地电阻测试仪3台2台1台1台④便捷式甲烷/硫化氢检测报警仪3台2台1台1台序号类别参考标准备注省级市级县级乡级⑤矿用通风阻力测定系统3套2套1套(2)危化品与烟花爆竹监督检测设备①便携式超声流量探测仪(封闭管道)3台2台1台(1)原则上只在承担危化品与烟花爆竹监管执法业务职能的部门配备。(2)开展乡镇安全生产委托执法的地区,乡镇安监部门可参照县级标准进行配备。②地下管道超声泄漏测试仪3台2台1台③防爆型静电测试仪(带警报装置)3台2台1台1台④钳型接地电阻测试仪3台2台1台1台⑤远距离炸药检测仪(摩尔仪)4台3台2台1台(3)职业危害监督检测设备①便携式数字式测尘仪3台2台1台(1)原则上只在承担职业危害监管执法业务职能的部门配备。(2)开展乡镇安全生产委托执法的地区,乡镇安监部门可参照县级标准进行配备。②声级计3台2台1台1台③便携式数字测振仪3台2台1台④微波漏能检测仪3台2台1台⑤便携式辐射检测仪3台2台1台⑥辐射热计3台2台1台⑦紫外辐射计3台2台1台序号类别参考标准备注省级市级县级乡级⑧放射性个人剂量报警仪3台2台1台(三)应急救援指挥装备1固定卫星站1套1套包括卫星调制解调器、视频会议终端、天线、LNB、上变频器模块、馈源、IP电话网关等。2视频显示系统1套1套DLP大屏幕显示系统。3视频会议系统1套1套1套(1)包括视频会议接入终端、视频会议专用高清摄像机、视频信号处理设备、集中智能控制主机、52寸液晶电视、MCU等。(2)县级安监部门只配备视频会议接入终端。4音频系统1套1套1套包括全频主音箱、低频音箱、效果器、激励器、数字录音设备、反馈抑制器等。5计算机辅助设备1套1套1套包括路由器、交换机、服务器、光端机、带VPN功能硬件防火墙、工作站等网络设备,光纤通道交换机、SATA硬盘、存储处理设备带管理软件等辅助设备和UPS电源及精密空调等。6基础软件系统1套1套1...

1、当您付费下载文档后,您只拥有了使用权限,并不意味着购买了版权,文档只能用于自身使用,不得用于其他商业用途(如 [转卖]进行直接盈利或[编辑后售卖]进行间接盈利)。
2、本站所有内容均由合作方或网友上传,本站不对文档的完整性、权威性及其观点立场正确性做任何保证或承诺!文档内容仅供研究参考,付费前请自行鉴别。
3、如文档内容存在违规,或者侵犯商业秘密、侵犯著作权等,请点击“违规举报”。

碎片内容

监管部门参考标准-全国安全生产监管机构基础设施建设

您可能关注的文档

确认删除?
VIP
微信客服
  • 扫码咨询
会员Q群
  • 会员专属群点击这里加入QQ群
客服邮箱
回到顶部