电脑桌面
添加小米粒文库到电脑桌面
安装后可以在桌面快捷访问

山东省公路工程全套表格VIP专享VIP免费

山东省公路工程全套表格_第1页
1/151
山东省公路工程全套表格_第2页
2/151
山东省公路工程全套表格_第3页
3/151
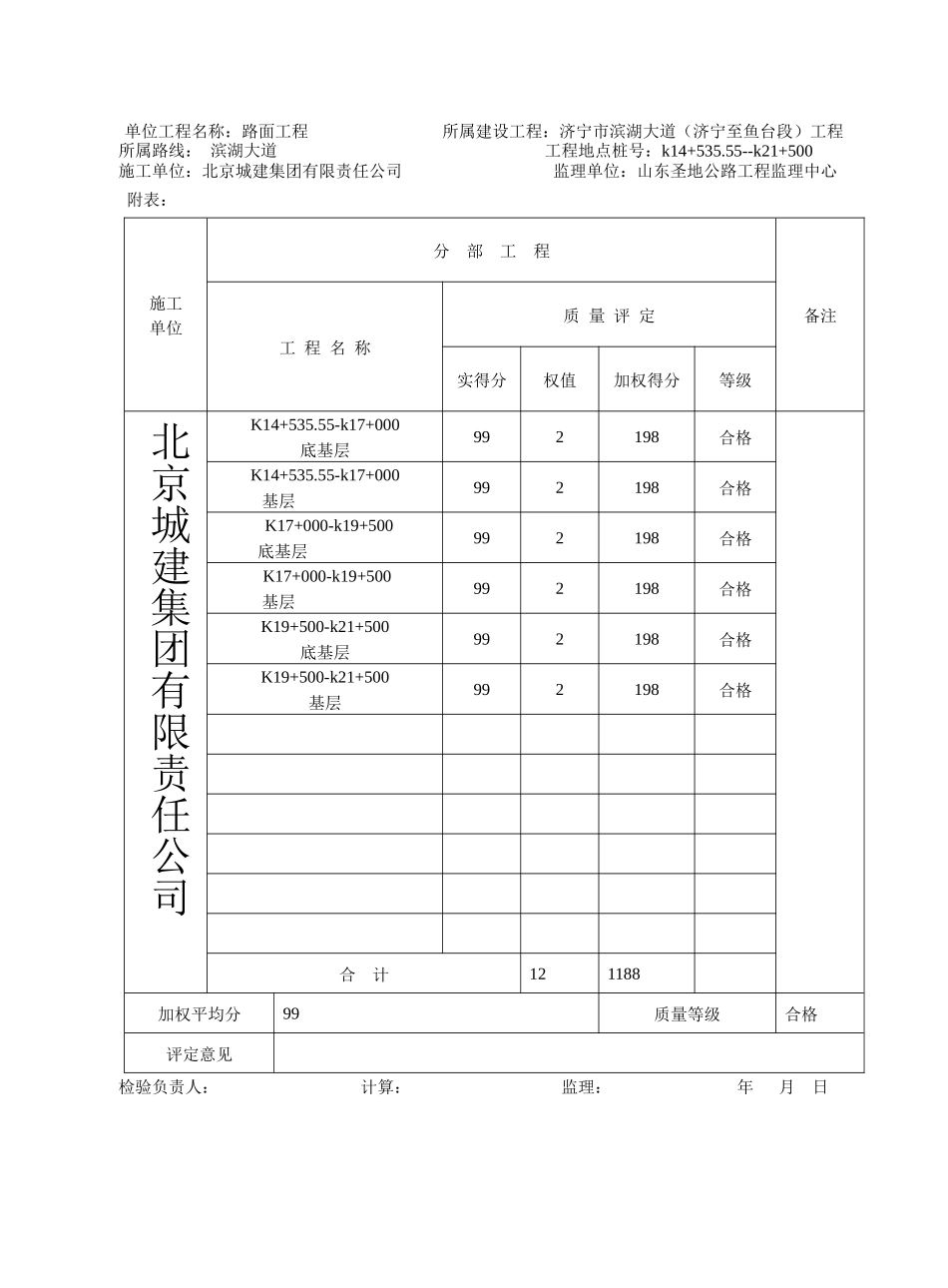
工程竣工资料编制标准表格山东省公路工程建设项目质量检验评定表项目名称:路线名称:起讫桩号:完工日期:合同段实得分投资额(万元)实得分×投资额(万元)质量等级备注合计鉴定得分质量等级检验负责人:计算:复核:年月日山东省公路工程合同段工程质量检验评定表合同段名称:所属建设项目:施工单位:监理单位:起讫桩号:完工日期:单位工程名称实得分投资额(万元)实得分×投资额(万元)质量等级备注合计合同段实测得分内业资料扣分合同段鉴定得分质量等级检验负责人:计算:监理:年月日单位工程质量检验评定表单位工程名称:路面工程所属建设工程:济宁市滨湖大道(济宁至鱼台段)工程所属路线:滨湖大道工程地点桩号:k14+535.55--k21+500施工单位:北京城建集团有限责任公司监理单位:山东圣地公路工程监理中心附表:施工单位分部工程备注工程名称质量评定实得分权值加权得分等级北京城建集团有限责任公司K14+535.55-k17+000底基层992198合格K14+535.55-k17+000基层992198合格K17+000-k19+500底基层992198合格K17+000-k19+500基层992198合格K19+500-k21+500底基层992198合格K19+500-k21+500基层992198合格合计121188加权平均分99质量等级合格评定意见检验负责人:计算:监理:年月日山东省公路工程分部工程质量检验评定表分部工程名称:所属单位工程:所属建设项目:工程部位:(桩号、墩台号、孔号)施工单位:监理单位:施工单位分项工程备注工程名称质量评定实得分权值加权得分等级合计加权平均分质量等级评定意见检验负责人:计算:监理:年月日山东省公路工程分项工程质量检验评定表(一级路)分项工程名称:土方路基所属分部工程名称:路基土石方工程所属建设项目:工程部位:施工单位::(桩号、墩台号、孔号)检验负责人:监理:填表:年月日山东省公路工程分项工程质量检验评定表分项工程名称:管道基础及管节安装所属分部工程名称:排水工程所属建设项目:工程部位:施工单位::(桩号、墩台号、孔号)基本要求管材必须逐节检查,不得有裂缝、破损;基础混凝土强度达到5Mpa以上时,方可进行管节铺设;管节铺设应平顺、稳固,管底坡度不得出现反坡,管节接头处流水面不得大于5mm,管内不得有泥土、砖石、砂浆等杂物;管道内的管口缝,当管径大于750mm时,应在管内作整圈勾缝;管口内缝砂浆平整密实,不得有裂缝、空鼓现象。抹带前管口必须洗刷干净,管口表面应平整密实,无裂缝现象。抹带后应及时覆盖养生;设计中要求防渗漏的排水管必须做渗漏试验,渗漏量应符合要求。实测项目项次检查项目规定值或允许偏差实测值或实测偏差值质量评定12345678910平均、代表值合格率%权值得分1混凝土抗压强度或砂浆强度(MPa)在合格标准内32管轴线偏位(mm)1523管内底高程(mm)±1024基础厚度(mm)不小于设计15管座肩宽(mm)+10,-51肩高(mm)±1016抹带宽度不小于设计2厚度不小于设计2合计外观鉴定减分监理意见质量保证资料减分工程质量评定等级得分:质量等级:检验负责人:监理:填表:年月日山东省公路工程分项工程质量检验评定表分项工程名称:检查(雨水)井所属分部工程名称:排水工程所属建设项目:工程部位:施工单位::(桩号、墩台号、孔号)基本要求井基混凝土强度达到5Mpa以上时方可砌筑井体,砌筑砂浆配合比准确,井壁砂浆饱满,灰缝平整。园形检查井内壁应园顺,抹面压实光滑,踏步安装牢靠;井框、井盖安装必须平稳,井口周围不得有积水。实测项目项次检查项目规定值或允许偏差实测值或实测偏差值质量评定12345678910平均、代表值合格率%权值得分1砂浆强度(MPa)在合格标准内32轴线偏位(mm)5013园井直径或方井长、宽(mm)±2014井底高程(mm)±1515井盖与相邻路面高差(mm)雨水井+0,-42检查井+4,-02合计外观鉴定减分监理意见质量保证资料减分工程质量评定等级得分:质量等级:检验负责人:监理:填表:年月日山东省公路工程分项工程质量检验评定表分项工程名称:浆砌排水沟所属分部工程名称:排水工程所属建设项目:工程部位:施工单位::(桩号、墩台号、孔号)基本要求砌体砂浆配合比准确,砌缝内砂浆均匀饱满,勾缝密实;浆砌片(块)石、砼预...

1、当您付费下载文档后,您只拥有了使用权限,并不意味着购买了版权,文档只能用于自身使用,不得用于其他商业用途(如 [转卖]进行直接盈利或[编辑后售卖]进行间接盈利)。
2、本站所有内容均由合作方或网友上传,本站不对文档的完整性、权威性及其观点立场正确性做任何保证或承诺!文档内容仅供研究参考,付费前请自行鉴别。
3、如文档内容存在违规,或者侵犯商业秘密、侵犯著作权等,请点击“违规举报”。

碎片内容

山东省公路工程全套表格

确认删除?
VIP
微信客服
  • 扫码咨询
会员Q群
  • 会员专属群点击这里加入QQ群
客服邮箱
回到顶部