电脑桌面
添加小米粒文库到电脑桌面
安装后可以在桌面快捷访问

参考答案-汽车机械基础形成性作业VIP免费

参考答案-汽车机械基础形成性作业_第1页
1/11
参考答案-汽车机械基础形成性作业_第2页
2/11
参考答案-汽车机械基础形成性作业_第3页
3/11
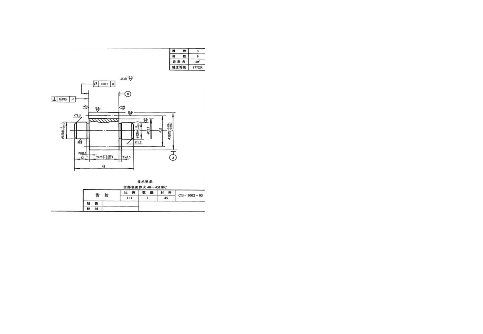
汽车机械基础形成性作业(一)参考答案一.填空题(每空1分,共15分)1.绘图的比例是图样中图形与其实物相应要素的线性尺寸之比。2.工程制图采用的是正投影法,正投影的基本特性有真实性、积聚性、类似性。3.三视图中尺寸的三等关系是:主、俯视图长对正,主、左视图高平齐,俯、左视图宽相等。4.零件图有一组视图、完整的尺寸、技术要求、标题栏等四项内容。5.配合的种类有间隙配合,过盈配合,过渡配合等三种。二.判断题(每题2分,共30分)1.图纸上所标注的尺寸,是物体的真实尺寸,与绘图的比例无关。(√)2.螺纹的大径是指外螺纹的牙底或内螺纹的牙顶所在圆柱面的直径。(X)3.旋向不同的螺杆和螺母能旋合在起。(X)4.螺纹的五个要素必须完全相同时,才能正确旋合在一起。(√)5.导程是相邻两牙对应点之间的轴向距离。(X)6.同一零件的剖视图,剖面线应与水平成45O,方向可以不同,间隔也可以不等。(X)7.n是螺纹的线数,螺纹的螺距P与导程L的关系是:P=L×n(X)8.模数m反映了齿形的大小,模数越大,齿形也越大,承载能力就越小。(X)9.半剖视图适用于对称零件,一半画成视图,以反映外形,一半画成剖视,以反映内形。(√)10.齿轮的分度圆是指轮齿的齿厚s和齿槽e相等处的圆。(√)11.标准公差有20个等级,代号为IT01、IT0、IT1、IT2、……IT18,精度按代号顺序依次降低。(√)12.公差带越宽,尺寸公差的数值就越小,允许尺寸的变动量也越小。(X)13.基本偏差是指上偏差或下偏差中远离零线的那个偏差。(X)14.零件图中的技术要求包括尺寸公差、形位公差、表面粗糙度等内容。(√)15.基孔制中孔的基本偏差代号是H,其上偏差为0。(X)三.选择题(每题2分,共28分)1.图样中选用的比例2:1是(B)的比例。A缩小B放大C原值2.图样上的虚线用来表示(C)。A圆的中心线B可见轮廓线C不可见轮廓线3.国标规定,机械图样中的尺寸不加注明的尺寸单位均是(B)。AmBmmCcm4.普通螺纹的公称直径是指螺纹的(A)。A大径B中径C小径5.轮齿的齿厚S与齿槽宽e相等的圆是(C)。A齿顶圆B齿根圆C分度圆6.轮齿的齿顶高ha比齿根高hf(C)。A长B相等C短7.当孔的实际尺寸(C)轴的实际尺寸时,是间隙配合。A小于B等于C大于8.从公差带图上看,孔的公差带在轴的公差带之下时,属于(B)配合。A间隙B过盈C过渡9.表面粗糙度的参数值越(A),其表面光洁度越高,加工成本也越大。A小B大C多10.螺纹的画法规定,在垂直于轴线的视图圆中,表示牙底的细实线画(B)。A1/2圈B3/4圈C一整圈11.普通螺纹的牙型角是(B)的三角形。A55OB60OC30O12.在标注尺寸Φ60f7中的f是轴的(C)代号。A基本尺寸B公差等级C基本偏差13.公差带图中的零线是表示(C)的一条直线。A上偏差B下偏差C基本尺寸14.图样上标注的尺寸是(A)。A装配图上有配合关系的尺寸B单一零件的尺寸C无配合关系的尺寸四.识图题(每空2分,共18分)1.已知主视图和左视图,选择正确的俯视图,在括弧里打√。3142.根据立体图,找出正确的三视图,并补画视图中的缺线。3.根据立体图,选择正确的剖视图(A)。4.下面螺纹孔的画法,正确的是(B)。5.局部剖视图正确的是(A)。ABC五.解释螺纹代号(3分)M10×1.5-5g6g-L它表示公称直径为10㎜,螺距为1.5㎜,左旋的普通螺纹,中径公差代号为5g,顶径公差代号为6g,中等旋合长度。六.读零件图,并填空回答问题(每题2分,共6分)1.这个零件的名称是齿轮,图形采用的是局部剖视图,采用的比例是1:1。2.图中,是齿轮的齿顶圆直径,它的最大极限尺寸是φ35.975,最小极限尺寸是φ35.950,公差值是0.025。3.图中形位公差代号中的位置公差项目符号⊥是垂直度,被测要素是齿轮的左端面,基准要素A是的轴线,公差数值是0.015。⊥0.015A《汽车机械基础》形成性作业(二)一、填空题(每空1分,共20分)1.力的三要素是力的大小、力的方向、力的作用点。2.平衡状态是指物体相对于地面保持静止或作匀速运动的状态。3.四杆机构中“死点”的位置是:当摇杆为主动件时,在连杆与曲柄共线的两个极限位置,连杆传给曲柄的力通过了其转动中心,此时,传动力等于零。所以出现卡死现象。4.凸轮机构中的...

1、当您付费下载文档后,您只拥有了使用权限,并不意味着购买了版权,文档只能用于自身使用,不得用于其他商业用途(如 [转卖]进行直接盈利或[编辑后售卖]进行间接盈利)。
2、本站所有内容均由合作方或网友上传,本站不对文档的完整性、权威性及其观点立场正确性做任何保证或承诺!文档内容仅供研究参考,付费前请自行鉴别。
3、如文档内容存在违规,或者侵犯商业秘密、侵犯著作权等,请点击“违规举报”。

碎片内容

参考答案-汽车机械基础形成性作业

确认删除?
VIP
微信客服
  • 扫码咨询
会员Q群
  • 会员专属群点击这里加入QQ群
客服邮箱
回到顶部