电脑桌面
添加小米粒文库到电脑桌面
安装后可以在桌面快捷访问

冷凝泵机械结构及工作原理VIP免费

冷凝泵机械结构及工作原理_第1页
1/5
冷凝泵机械结构及工作原理_第2页
2/5
冷凝泵机械结构及工作原理_第3页
3/5
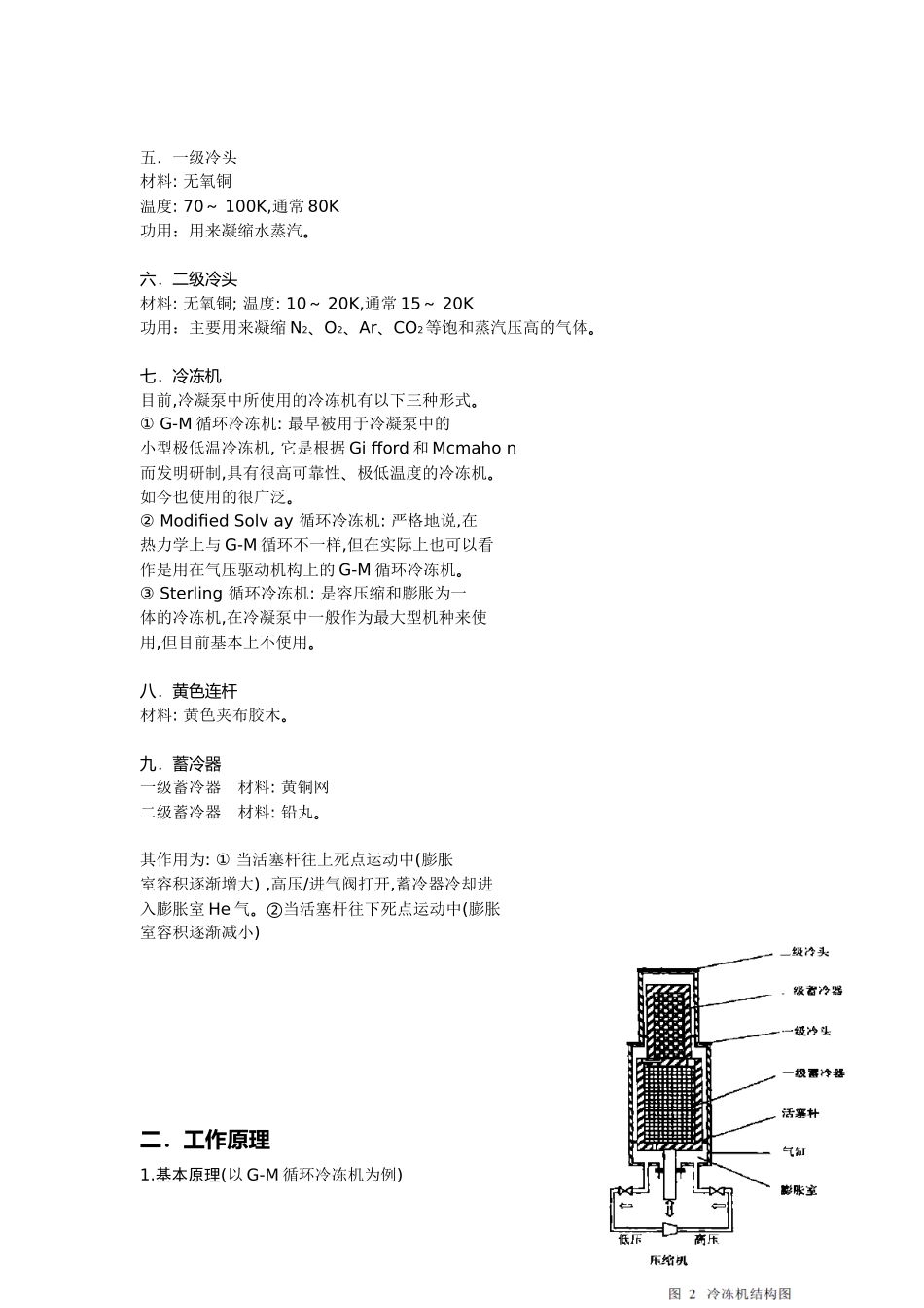
冷凝泵机械结构及工作原理一、简介冷凝泵工作原理是通过冷凝或者俘获分子来实现真空。它由一些低温的表面(-193oC--255)来冷凝气体分子。另外,冷凝泵也通过带有活性炭的表面吸收不能被冷冻的气体分子。一.冷凝泵机械结构1.压缩机将氦气压缩之后送到冷冻机里2.冷冻机使被压缩的氦气在冷冻机里膨胀,冷却作用3.泵壳泵体内(挡板处)将气体凝固,使气体被吸空获得真空上述的三个系统组成一个整体的冷凝泵系统运转。二、冷凝泵机械部件结构及功能一.导流板材料:无氧铜;温度:80K(一级冷头温度)结构:人字纹形,百叶窗形。功用:1.凝缩排除水蒸汽(H2O),有机物(CO2)2.防止热辐射进入辐射找二.辐射罩材料:无氧铜温度:80K。功用:1.辐射罩包裹着冷头2.阻挡外来的热辐射,外侧为了反射热辐射,因为实施了反射率很高的镍喷涂,内侧为了阻挡热辐射反射到冷板,实施了能吸收辐射能的黑化处理涂层。三.冷板材料:无氧铜温度:15K(二级冷头温度)结构:9片柱形,5片锥形功用:分为外表面冷凝排除气体部分和内表面活性炭吸附排除气体部分1.O2,N2,Ar等气体分子挡在冷板外表面并凝缩,H2分子在冷板外表面被反射,被活性炭吸附。四、温度计结构:1.H2蒸汽压温度计2.半导体温度计五.一级冷头材料:无氧铜温度:70~100K,通常80K功用;用来凝缩水蒸汽。六.二级冷头材料:无氧铜;温度:10~20K,通常15~20K功用:主要用来凝缩N2、O2、Ar、CO2等饱和蒸汽压高的气体。七.冷冻机目前,冷凝泵中所使用的冷冻机有以下三种形式。①G-M循环冷冻机:最早被用于冷凝泵中的小型极低温冷冻机,它是根据Gifford和Mcmahon而发明研制,具有很高可靠性、极低温度的冷冻机。如今也使用的很广泛。②ModifiedSolvay循环冷冻机:严格地说,在热力学上与G-M循环不一样,但在实际上也可以看作是用在气压驱动机构上的G-M循环冷冻机。③Sterling循环冷冻机:是容压缩和膨胀为一体的冷冻机,在冷凝泵中一般作为最大型机种来使用,但目前基本上不使用。八.黄色连杆材料:黄色夹布胶木。九.蓄冷器一级蓄冷器材料:黄铜网二级蓄冷器材料:铅丸。其作用为:①当活塞杆往上死点运动中(膨胀室容积逐渐增大),高压/进气阀打开,蓄冷器冷却进入膨胀室He气。②当活塞杆往下死点运动中(膨胀室容积逐渐减小)二.工作原理1.基本原理(以G-M循环冷冻机为例)驱动He气通过压缩机的压缩后,以高压形态供给冷冻机,将蓄冷器和气缸的室温侧连在一起,借助切换阀接在He气压缩机的高压与低压侧。此外,再将蓄冷器和气缸切换到低温侧,气缸内有一个活塞连杆,借助曲柄连杆机构上下移动。为使G-M循环冷冻机更小型化紧凑化,在活塞杆内采用了蓄冷器构造(如图2所示)用活塞密封被隔气缸内的压缩气体,通过活塞的上下移动,使里面的被隔气体膨胀,就可使其吸收外部的热量。如果,从外部传入的热量较少或者根本没有,处于断热状态,气体本身就会降温。这种吸收外部热量下降自身温度的过程,从能量守恒的角度来分析,正好与活塞对外做的功相等。这就是制冷的基本原理。①活塞杆在低温侧状态时,高压侧的阀门打开。那么,膨胀室(气缸的低温侧)的容积和压力变化,是从A—B的移动(P—V曲线图)。②高压侧的阀门仍处于开启状态,活塞杆向室温侧移动。由室温侧通过蓄冷器的He气被变为低温气体,向膨胀室移动(B—C的移动)。③低压侧的阀门打开,高压侧阀门关闭。膨胀室内的He气在移动过程中,一边膨胀一边通过蓄冷器。此时,就产生了冷冻(C—D的移动)。④残留的低压He气,在活塞杆的作用下返回到压缩机的低压侧(D—A的移动)。冷凝泵的整个工作过程为:膨胀、吸热、制冷。压缩机的整个工作过程为:压缩、放热、冷却。3.低温环境的形成①低温凝缩(冷凝)冷凝温度气体种类80K水等20KN2、O2、Ar、CO2等如表格所示,除He、H2、Ne以外的所有气体,由于其饱和蒸汽压低,故会被液化,冷冻在一、二级冷头上。通过对泵的再生,借助前级泵而排出泵体。如蒸汽压曲线所示(略),除He、H2、Ne以外的所有气体,由于其饱和蒸汽压低,故会被液化,冷冻在一、二级冷头上。通过对泵的再生,借助前级泵而排出泵体。②低温吸附由于He、H2、Ne在10K时,饱和蒸汽压也很高。而在冷凝泵可能达到的温度10~20K时,亦不能被液化冷冻,只有依靠活性碳的吸附作用来加以吸附,而达到排气的目的。

1、当您付费下载文档后,您只拥有了使用权限,并不意味着购买了版权,文档只能用于自身使用,不得用于其他商业用途(如 [转卖]进行直接盈利或[编辑后售卖]进行间接盈利)。
2、本站所有内容均由合作方或网友上传,本站不对文档的完整性、权威性及其观点立场正确性做任何保证或承诺!文档内容仅供研究参考,付费前请自行鉴别。
3、如文档内容存在违规,或者侵犯商业秘密、侵犯著作权等,请点击“违规举报”。

碎片内容

冷凝泵机械结构及工作原理

确认删除?
VIP
微信客服
  • 扫码咨询
会员Q群
  • 会员专属群点击这里加入QQ群
客服邮箱
回到顶部