电脑桌面
添加小米粒文库到电脑桌面
安装后可以在桌面快捷访问

维护照明工程2011年5月30日VIP免费

维护照明工程2011年5月30日_第1页
1/39
维护照明工程2011年5月30日_第2页
2/39
维护照明工程2011年5月30日_第3页
3/39
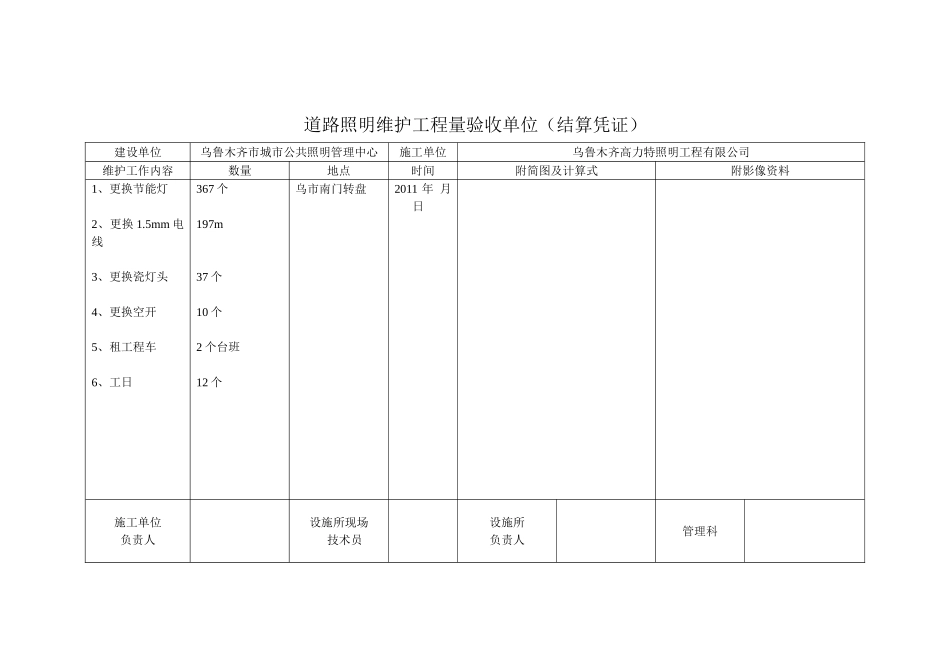
道路照明维护工程量验收单位(结算凭证)建设单位乌鲁木齐市城市公共照明管理中心施工单位乌鲁木齐高力特照明工程有限公司维护工作内容数量地点时间附简图及计算式附影像资料1、更换节能灯2、更换1.5mm电线3、更换瓷灯头4、更换空开5、租工程车6、工日367个197m37个10个2个台班12个乌市南门转盘2011年月日施工单位负责人设施所现场技术员设施所负责人管理科道路照明维护工程量验收单位(结算凭证)建设单位乌鲁木齐市城市公共照明管理中心施工单位乌鲁木齐高力特照明工程有限公司维护工作内容数量地点时间附简图及计算式附影像资料1、施工现场土方开挖无法采用机械,均采用人工开挖回填。单侧抛土,余土外运2、基槽开挖、回填3、敷设VLV5*16电缆4、租工程车5、工日余土外运10公里37m89m0.5个台班5个南湖东路北六巷2011年5月11日施工单位负责人设施所现场技术员设施所负责人管理科道路照明维护工程量验收单位(结算凭证)建设单位乌鲁木齐市城市公共照明管理中心施工单位乌鲁木齐高力特照明工程有限公司维护工作内容数量地点时间附简图及计算式附影像资料1、施工现场土方开挖无法采用机械,均采用人工开挖回填。单侧抛土,余土外运2、基槽开挖、回填3、敷设VLV5*16电缆4、租工程车6、工日余土外运10公里19m43m0.5个台班4个南湖东路北七巷2011年5月11日施工单位负责人设施所现场技术员设施所负责人管理科道路照明维护工程量验收单位(结算凭证)建设单位乌鲁木齐市城市公共照明管理中心施工单位乌鲁木齐高力特照明工程有限公司维护工作内容数量地点时间附简图及计算式附影像资料1、施工现场土方开挖无法采用机械,均采用人工开挖回填。单侧抛土,余土外运2、架空电缆3、人工开挖沥青路面(宽400*厚200)4、恢复砼路面5、租工程车6、工日余土外运10公里86m9m9m0.5个台班4个长春路五巷2011年5月11日施工单位负责人设施所现场技术员设施所负责人管理科道路照明维护工程量验收单位(结算凭证)建设单位乌鲁木齐市城市公共照明管理中心施工单位乌鲁木齐高力特照明工程有限公司维护工作内容数量地点时间附简图及计算式附影像资料1、施工现场土方开挖无法采用机械,均采用人工开挖回填。单侧抛土,余土外运2、基槽开挖、回填3、敷设GA108钢管4、敷设VLV5*25电缆5、敷设63PE管(钢管施工方提供)6、用氧焊机切割灯杆7、租工程车余土外运10公里88m48m89m92m7个1个台班南路东路市政2011年5月11日8、工日10个施工单位负责人设施所现场技术员设施所负责人管理科道路照明维护工程量验收单位(结算凭证)建设单位乌鲁木齐市城市公共照明管理中心施工单位乌鲁木齐高力特照明工程有限公司维护工作内容数量地点时间附简图及计算式附影像资料1、施工现场土方开挖无法采用机械,均采用人工开挖回填。单侧抛土,余土外运2、4个路灯井清进污泥,绿化带基槽开挖、回填3、换损坏电缆VLV5*254、租工程车5、工日余土外运10公里39m279m1个台班7个喀什路和长春路口2011年5月12日施工单位负责人设施所现场技术员设施所负责人管理科道路照明维护工程量验收单位(结算凭证)建设单位乌鲁木齐市城市公共照明管理中心施工单位乌鲁木齐高力特照明工程有限公司维护工作内容数量地点时间附简图及计算式附影像资料1、施工现场土方开挖无法采用机械,均采用人工开挖回填。单侧抛土,余土外运2、更换电缆VLV5*163、人工拆除花砖4、恢复花砖5、租工程车6、工日余土外运10公里48m12m12m0.5个台班3个杭州路大德豪厅2011年5月13日施工单位负责人设施所现场技术员设施所负责人管理科道路照明维护工程量验收单位(结算凭证)建设单位乌鲁木齐市城市公共照明管理中心施工单位乌鲁木齐高力特照明工程有限公司维护工作内容数量地点时间附简图及计算式附影像资料1、施工现场土方开挖无法采用机械,均采用人工开挖回填。单侧抛土,余土外运2、基槽开挖、回填3、敷设VLV5*16电缆4、租工程车5、工日余土外运10公里8m39m0.5个台班3个天津路与坑州路口2011年5月13日施工单位负责人设施所现场技术员设施所负责人管理科道路照明维护工程量验收单位(结算凭证)建设单位乌鲁木齐市城市公共照明管理中心施工单位乌鲁木齐高力特照明工程有限公司...

1、当您付费下载文档后,您只拥有了使用权限,并不意味着购买了版权,文档只能用于自身使用,不得用于其他商业用途(如 [转卖]进行直接盈利或[编辑后售卖]进行间接盈利)。
2、本站所有内容均由合作方或网友上传,本站不对文档的完整性、权威性及其观点立场正确性做任何保证或承诺!文档内容仅供研究参考,付费前请自行鉴别。
3、如文档内容存在违规,或者侵犯商业秘密、侵犯著作权等,请点击“违规举报”。

碎片内容

维护照明工程2011年5月30日

海纳百川+ 关注
实名认证
内容提供者

热爱教学事业,对互联网知识分享很感兴趣

确认删除?
VIP
微信客服
  • 扫码咨询
会员Q群
  • 会员专属群点击这里加入QQ群
客服邮箱
回到顶部