电脑桌面
添加小米粒文库到电脑桌面
安装后可以在桌面快捷访问

钢管贝雷梁支架在高速公路立交及施工栈桥中的应用VIP专享VIP免费

钢管贝雷梁支架在高速公路立交及施工栈桥中的应用_第1页
1/9
钢管贝雷梁支架在高速公路立交及施工栈桥中的应用_第2页
2/9
钢管贝雷梁支架在高速公路立交及施工栈桥中的应用_第3页
3/9
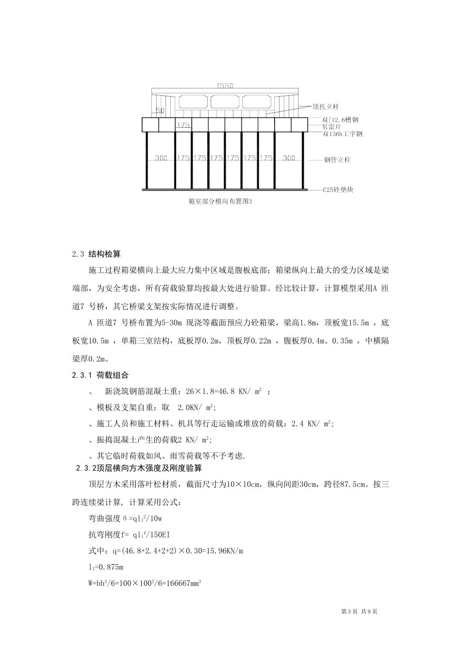
钢管贝雷梁支架在高速公路立交及施工栈桥中的应用1.工程概况该桥为我单位承建的连霍国道主干线天水至定西高速公路TD19合同段的定西北互通立交桥,具体桩号为SK329+195.15(XK329+128.82),立交采用喇叭形(B型),有A、D、E匝道桥三座,桥梁总长965.622m,需同时跨越陇海铁路及312国道。桥梁基础采用钻孔灌注桩基础,柱式墩身,上部构造为现浇预应力砼连续箱梁,单箱三室结构,跨越陇海铁路采用钢砼组合梁。具体桥跨布置为:A匝道桥:16×25m+42m+5×30m;D匝道桥:2×20m+45m+4×30m;E匝道桥:17m+16.662m+45m+3×30m。预应力砼连续箱梁采用现浇法施工。现浇箱梁完工达到强度要求后,即进行钢箱梁的架设。1.1定西北互通立交平面位置图2支架设计及验算2.1支架设计现浇箱梁采用钢管贝雷片支架,立柱采用Φ273×4mm钢管制作,支架按桥面全宽+两侧各留1m施工通道搭设,立柱顶面用双I36b工字钢做横梁,横梁顶面铺设贝雷片,贝雷片采用国产型号(高1.5m,跨径3m),布置形式具体见图1~3。贝雷片顶面设置横向双[12.6槽钢做分配梁,纵向间距60cm。为提高立柱稳定性,在立柱间采用[10槽钢分别做横向、斜向支撑。考虑箱梁施工前支架调平和施工完毕后落架需要,在分配梁上设置碗扣式脚手架立杆,立杆与分配梁采用焊接连接,立杆上安放顶托,顶托上铺设纵向方木,间距为0.875m,截面为15×15cm,纵向方木上铺横向方木,间距为30cm,截面10cm×10cm。翼缘板下横向铺设15cm×15cm方木,间距30cm,纵向采用6cm×9cm方木,间第1页共9页距20cm。横向方木上铺设底模,底模采用1.2cm厚竹胶板。梁侧模、内模及端模均采用1.2cm厚竹胶板,并用6cm×9cm方木做加劲肋,间距30cm。考虑现场实际情况,我标段根据桥梁墩柱高度调整支架布置形式,当墩高h>12.2时,在钢管贝雷梁上搭设钢管脚手架;h<12.2时,支架采用钢管贝雷梁支架。2.2支架布置图1-3第2页共9页2.3结构检算施工过程箱梁横向上最大应力集中区域是腹板底部;箱梁纵向上最大的受力区域是梁端部,为安全考虑,所有荷载验算均按最大处进行验算。经比较计算,计算模型采用A匝道7号桥,其它桥梁支架按实际情况进行调整。A匝道7号桥布置为5-30m现浇等截面预应力砼箱梁,梁高1.8m,顶板宽15.5m,底板宽10.5m,单箱三室结构,底板厚0.2m,顶板厚0.22m,腹板厚0.4m、0.35m,中横隔梁厚0.2m。2.3.1荷载组合、新浇筑钢筋混凝土重:26×1.8=46.8KN/m2;、模板及支架自重:取2.0KN/m2;、施工人员和施工材料、机具等行走运输或堆放的荷载:2.4KN/m2;、振捣混凝土产生的荷载2KN/m2;、其它临时荷载如风、雨雪荷载等不予考虑.2.3.2顶层横向方木强度及刚度验算顶层方木采用落叶松材质,截面尺寸为10×10cm,纵向间距30cm,跨径87.5cm。按三跨连续梁计算,计算采用公式:弯曲强度б=ql12/10w抗弯刚度f=ql14/150EI式中:q=(46.8+2.4+2+2)×0.30=15.96KN/ml1=0.875mW=bh2/6=100×1002/6=166667mm3第3页共9页I=bh3/12=100×1003/12=8333333mm4弯曲强度б=15.96×8752/(10×166667)=7.4MPa<14.5MPa抗弯刚度f=ql14/150EI=15.96×8754/(150×11×103×8333333)=0.7mm<2.2mm(L/400=875/400=2.2)根据计算结果,顶层横向方木满足要求。2.3.3底层纵向方木强度及刚度验算纵向方木采用落叶松材质,截面尺寸为15×15cm,跨径60cm,横向间距间距87.5cm,则由顶层方木传递的集中力F=53.2×0.3×0.875=13.965KN;Mmax=0.267Fl=0.267×13.965×0.6=2.24KN·m;E=11×103MPa;W=bh2/6=150×1502/6=562500mm3;I=bh3/12=150×1503/12=42187500mm4;弯曲强度б=Mmax/W=2.24×106/562500=3.98MPa<14.5MPa挠度f=1.883FL2/100EI=1.883×13.965×103×6002/(100×11×103×42187500)=2.0×10-4mm<1.5(桥梁施工规范规定L/400即600/400=1.5mm)根据计算结果,底层纵向方木满足要求.2.3.4顶托立杆(钢管支架立杆)强度计算顶托立杆采用Φ48×3.0mm钢管,立杆横向间距0.875m,纵向间距0.6m,因此每平米内有立杆1/(0.875×0.6)=1.9根。则每根立杆承受的轴向压力为N=(46.8+2+2.4+2)/1.9=28.0KN顶托立杆长度设计为0.6m,所以λ=l/i=600/15.78=38<100查表得Ф=1.02-0.55((λ+20)/100)2=0.835,根据...

1、当您付费下载文档后,您只拥有了使用权限,并不意味着购买了版权,文档只能用于自身使用,不得用于其他商业用途(如 [转卖]进行直接盈利或[编辑后售卖]进行间接盈利)。
2、本站所有内容均由合作方或网友上传,本站不对文档的完整性、权威性及其观点立场正确性做任何保证或承诺!文档内容仅供研究参考,付费前请自行鉴别。
3、如文档内容存在违规,或者侵犯商业秘密、侵犯著作权等,请点击“违规举报”。

碎片内容

钢管贝雷梁支架在高速公路立交及施工栈桥中的应用

海纳百川+ 关注
实名认证
内容提供者

热爱教学事业,对互联网知识分享很感兴趣

确认删除?
VIP
微信客服
  • 扫码咨询
会员Q群
  • 会员专属群点击这里加入QQ群
客服邮箱
回到顶部