电脑桌面
添加小米粒文库到电脑桌面
安装后可以在桌面快捷访问

工业企业铁路道口安全标准VIP免费

工业企业铁路道口安全标准_第1页
1/16
工业企业铁路道口安全标准_第2页
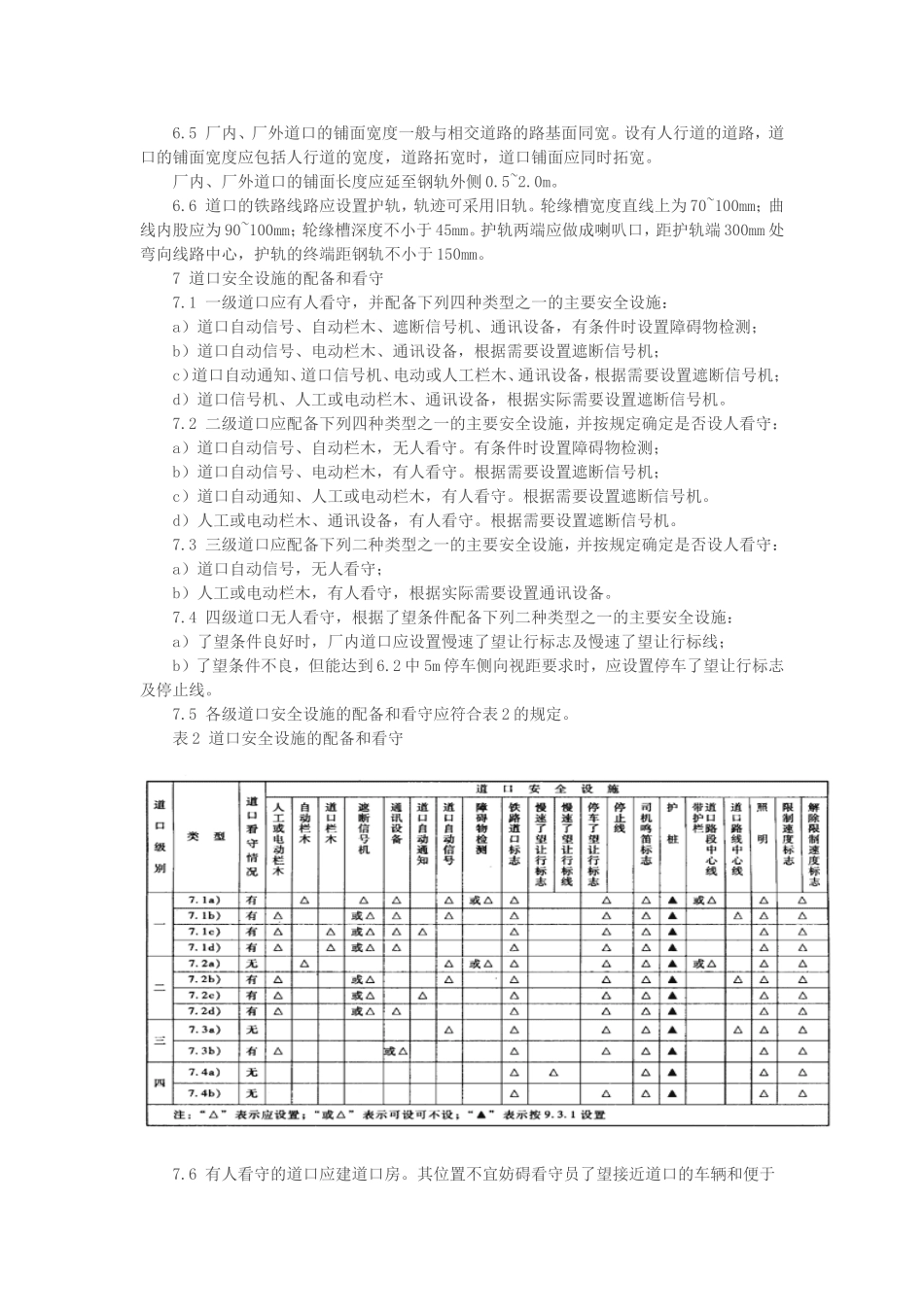
2/16
工业企业铁路道口安全标准_第3页
3/16
工业企业铁路道口安全标准1范围本标准规定了工业企业铁路道口的分级、道口的设置、道口安全设施的配备和看守、道口信号和标志等。本标准适用于工业企业标准轨距铁路道口,不适用于矿山、林区、国家铁路、地方铁路的铁路道口。2引用标准下列标准所包含的条文,通过在本标准中引用而构成为本标准的条文。本标准出版时,所示版本均为有效。所有标准都会被修订,使用本标准的各方应探讨使用下列标准最新版本的可能性。GB10494-89铁路区间道口信号设备技术条件GBJ12-87工业企业标准轨距铁路设计规范GBJ22-87厂矿道路设计规范CJJ37-90城市道路设计规范JTJ01-88公路工程技术标准3定义本标准采用下列定义。3.1铁路道口railwaylevelcrossing铁路上铺面宽度在2.5m及以上,直接与道路贯通的平面交叉。按看守情况分为有人看守道口和无人看守道口。[GB10494-89中3.1]。3.2厂内道口factory-inrailwaylevelcrossing工业企业铁路与厂内道路平面交叉的铁路道口。3.3厂外道口factory-outrailwaylevelcrossing工业企业铁路与厂外道路平面交叉的铁路道口。4道口分级4.1道口分为四级。二、三、四级道口视安全上的实际需要可以升级,但不得降级。4.2具有下列条件之一者为一级道口:——昼间12h内,道口交通量在18000辆次及以上者;——昼间12h内,道口交通量在6000~18000辆次,了望条件不良者。4.3具有下列条件之一者为二级道口:——昼间12h内,道口交通量为6000~18000辆次,了望条件良好者;——昼间12h内,道口交通量在2000~6000辆次,了望条件不良者;——有通勤汽车或公共汽车通过者;——运载高温金属熔液、铸锭等特种货物车辆通过的道口。4.4道口交通量低于4.3的规定,并且具有下列条件之一者为三级道口:——近五年内发生过重大事故或重复发生过事故的道口;——了望条件达不到6.2中5m停车侧向视距要求的道口。4.5四级道口为一、二、三级以外的道口。注:1道口交通量指通过道口的铁路量与道路交通量之乘积,单位为辆次。2铁路交通量指列车(包括单机、轨道车以及调车作业等)通过道口的次数。昼间12h内铁路交通量等于零者以1计算。3道路交通量指通过道口的标准汽车辆数。各种车辆及等候按附录A(标准的附录)的换算系数K换算为标准汽车的辆数。4昼间12h指常白班上班前1h算起的时间间隔。5新建、改建道口的交通量不易查定时,可根据设计铁路和道路交通量等主要因素确定其等级。6了望条件不良指机动车驾驶员对道口的侧向视距或机车车辆调乘人员对道口的视距达不到6.1的规定。5基本要求5.1道口应按本标准的规定分级。5.2各级道口应按本标准的规定配备安全设施,并保持完好有效。5.3道口及其附近道路的平、纵断面应符合GBJ22的有关规定。5.4在新建、改建道口设计及施工时,道口安全设施必须同时设计、同时施工,确认道口符合本标准要求后,方可开通使用。5.5在铁路线路上,增设或拆除道口,必须取得企业铁路运输部门的同意。5.6企业安全部门和铁路运输部门应对现有道口进行检查、鉴定,凡不符合本标准要求,应限期改造或拆除。5.7工业企业铁路与城市道路及公路平面交叉的铁路道口,应遵守CJJ37、JTJ01和GBJ12的有关规定。6道口设置6.1道口的视距应符合下列要求:a)厂内道口,应根据列车限速,使机动车驾驶员距道口交叉点20m外,能看见表1所规定的侧向视距以外的机车车辆;b)厂外道口,应根据列车限速,使机动车驾驶员距道口交叉点50m外,能看见表1所规定的侧向视距以外的机车车辆;c)机车车辆调乘人员能看见道口的距离,不得小于表1所列机车车辆调乘人员对道口的视距。表1道口视距6.2因受地形等条件限制,机动车驾驶员在道口外距最外股钢轨外侧5m处停车,应能分别看到表1所规定的侧向视距以外的机车车辆。当不符合要求时,道口应设人看守或道口自动信号。6.3道口不宜设在道岔区或站场范围内以及调车作业繁忙的铁路线路上。严禁设在道岔尖轨处。6.4道口铺面应保持平整耐用,并选用坚固、耐用、平整、稳定且易于翻修的铺砌层。道口的铺设不符合本标准规定者,应限期整修、改造。6.5厂内、厂外道口的铺面宽度一般与相交道路的路基面同宽。设有人行道的道路,道口的铺面宽度应包括人行道的宽度,道路拓...

1、当您付费下载文档后,您只拥有了使用权限,并不意味着购买了版权,文档只能用于自身使用,不得用于其他商业用途(如 [转卖]进行直接盈利或[编辑后售卖]进行间接盈利)。
2、本站所有内容均由合作方或网友上传,本站不对文档的完整性、权威性及其观点立场正确性做任何保证或承诺!文档内容仅供研究参考,付费前请自行鉴别。
3、如文档内容存在违规,或者侵犯商业秘密、侵犯著作权等,请点击“违规举报”。

碎片内容

工业企业铁路道口安全标准

您可能关注的文档

确认删除?
VIP
微信客服
  • 扫码咨询
会员Q群
  • 会员专属群点击这里加入QQ群
客服邮箱
回到顶部