电脑桌面
添加小米粒文库到电脑桌面
安装后可以在桌面快捷访问

室内净高、开间净尺寸抽测表 附表四(新)VIP免费

室内净高、开间净尺寸抽测表 附表四(新)_第1页
1/6
室内净高、开间净尺寸抽测表 附表四(新)_第2页
2/6
室内净高、开间净尺寸抽测表 附表四(新)_第3页
3/6
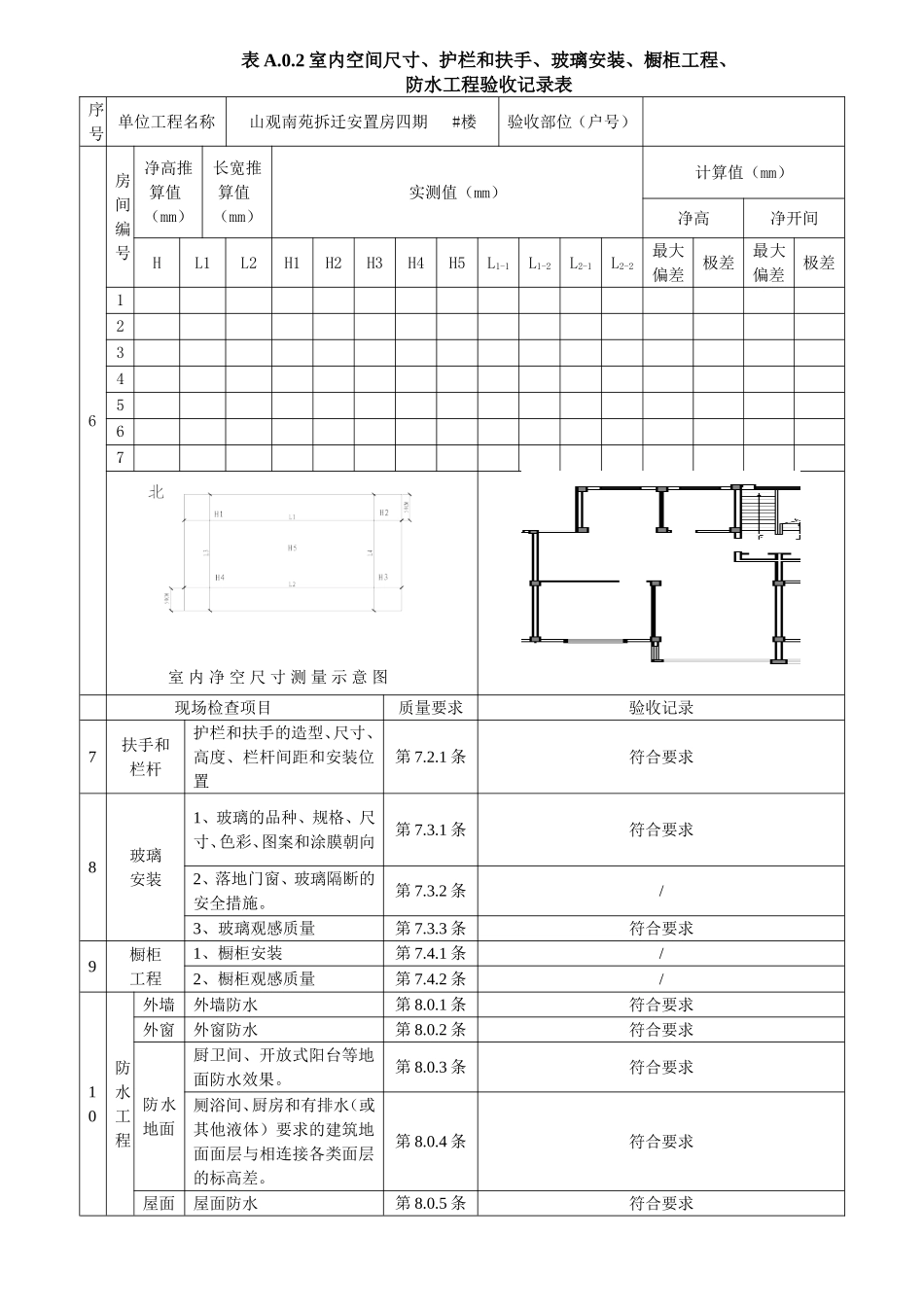
表A.0.2室内空间尺寸、护栏和扶手、玻璃安装、橱柜工程、防水工程验收记录表序号单位工程名称山观南苑拆迁安置房四期#楼验收部位(户号)6房间编号净高推算值(mm)长宽推算值(mm)实测值(mm)计算值(mm)净高净开间HL1L2H1H2H3H4H5L1-1L1-2L2-1L2-2最大偏差极差最大偏差极差1234567室内净空尺寸测量示意图现场检查项目质量要求验收记录7扶手和栏杆护栏和扶手的造型、尺寸、高度、栏杆间距和安装位置第7.2.1条符合要求8玻璃安装1、玻璃的品种、规格、尺寸、色彩、图案和涂膜朝向第7.3.1条符合要求2、落地门窗、玻璃隔断的安全措施。第7.3.2条/3、玻璃观感质量第7.3.3条符合要求9橱柜工程1、橱柜安装第7.4.1条/2、橱柜观感质量第7.4.2条/10防水工程外墙外墙防水第8.0.1条符合要求外窗外窗防水第8.0.2条符合要求防水地面厨卫间、开放式阳台等地面防水效果。第8.0.3条符合要求厕浴间、厨房和有排水(或其他液体)要求的建筑地面面层与相连接各类面层的标高差。第8.0.4条符合要求屋面屋面防水第8.0.5条符合要求表A.0.2室内空间尺寸、护栏和扶手、玻璃安装、橱柜工程、防水工程验收记录表序号单位工程名称山观南苑拆迁安置房四期#楼验收部位(户号)6房间编号净高推算值(mm)长宽推算值(mm)实测值(mm)计算值(mm)净高净开间HL1L2H1H2H3H4H5L1-1L1-2L2-1L2-2最大偏差极差最大偏差极差1234567室内净空尺寸测量示意图现场检查项目质量要求验收记录7扶手和栏杆护栏和扶手的造型、尺寸、高度、栏杆间距和安装位置第7.2.1条符合要求8玻璃安装1、玻璃的品种、规格、尺寸、色彩、图案和涂膜朝向第7.3.1条符合要求2、落地门窗、玻璃隔断的安全措施。第7.3.2条/3、玻璃观感质量第7.3.3条符合要求9橱柜工程1、橱柜安装第7.4.1条/2、橱柜观感质量第7.4.2条/10防水工程外墙外墙防水第8.0.1条符合要求外窗外窗防水第8.0.2条符合要求防水地面厨卫间、开放式阳台等地面防水效果。第8.0.3条符合要求厕浴间、厨房和有排水(或其他液体)要求的建筑地面面层与相连接各类面层的标高差。第8.0.4条符合要求屋面屋面防水第8.0.5条符合要求表A.0.2室内空间尺寸、护栏和扶手、玻璃安装、橱柜工程、防水工程验收记录表序号单位工程名称山观南苑拆迁安置房四期#楼验收部位(户号)6房间编号净高推算值(mm)长宽推算值(mm)实测值(mm)计算值(mm)净高净开间HL1L2H1H2H3H4H5L1-1L1-2L2-1L2-2最大偏差极差最大偏差极差1234567室内净空尺寸测量示意图现场检查项目质量要求验收记录7扶手和栏杆护栏和扶手的造型、尺寸、高度、栏杆间距和安装位置第7.2.1条符合要求8玻璃安装1、玻璃的品种、规格、尺寸、色彩、图案和涂膜朝向第7.3.1条符合要求2、落地门窗、玻璃隔断的安全措施。第7.3.2条/3、玻璃观感质量第7.3.3条符合要求9橱柜工程1、橱柜安装第7.4.1条/2、橱柜观感质量第7.4.2条/10防水工程外墙外墙防水第8.0.1条符合要求外窗外窗防水第8.0.2条符合要求防水地面厨卫间、开放式阳台等地面防水效果。第8.0.3条符合要求厕浴间、厨房和有排水(或其他液体)要求的建筑地面面层与相连接各类面层的标高差。第8.0.4条符合要求屋面屋面防水第8.0.5条符合要求表A.0.2室内空间尺寸、护栏和扶手、玻璃安装、橱柜工程、防水工程验收记录表序号单位工程名称山观南苑拆迁安置房四期#楼验收部位(户号)6房间编号净高推算值(mm)长宽推算值(mm)实测值(mm)计算值(mm)净高净开间HL1L2H1H2H3H4H5L1-1L1-2L2-1L2-2最大偏差极差最大偏差极差1234567室内净空尺寸测量示意图现场检查项目质量要求验收记录7扶手和栏杆护栏和扶手的造型、尺寸、高度、栏杆间距和安装位置第7.2.1条符合要求8玻璃安装1、玻璃的品种、规格、尺寸、色彩、图案和涂膜朝向第7.3.1条符合要求2、落地门窗、玻璃隔断的安全措施。第7.3.2条/3、玻璃观感质量第7.3.3条符合要求9橱柜工程1、橱柜安装第7.4.1条/2、橱柜观感质量第7.4.2条/10防水工程外墙外墙防水第8.0.1条符合要求外窗外窗防水第8.0.2条符合要求防水地面厨卫间、开放式阳台等地面防水效果。第8.0.3条符合要求厕浴间、厨房和有排水(或其他液体)要求的建筑地面面层与相连接各类面层的标高...

1、当您付费下载文档后,您只拥有了使用权限,并不意味着购买了版权,文档只能用于自身使用,不得用于其他商业用途(如 [转卖]进行直接盈利或[编辑后售卖]进行间接盈利)。
2、本站所有内容均由合作方或网友上传,本站不对文档的完整性、权威性及其观点立场正确性做任何保证或承诺!文档内容仅供研究参考,付费前请自行鉴别。
3、如文档内容存在违规,或者侵犯商业秘密、侵犯著作权等,请点击“违规举报”。

碎片内容

室内净高、开间净尺寸抽测表 附表四(新)

您可能关注的文档

确认删除?
VIP
微信客服
  • 扫码咨询
会员Q群
  • 会员专属群点击这里加入QQ群
客服邮箱
回到顶部