电脑桌面
添加小米粒文库到电脑桌面
安装后可以在桌面快捷访问

一般动设备方案VIP免费

一般动设备方案_第1页
1/19
一般动设备方案_第2页
2/19
一般动设备方案_第3页
3/19
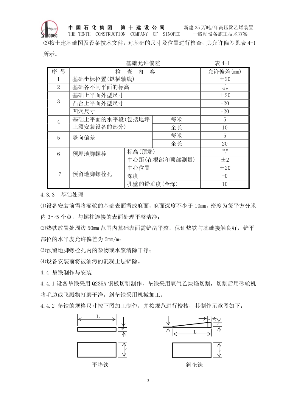
中国石化集团第十建设公司新建25万吨/年高压聚乙烯装置THETENTHCONSTRUCTIONCOMPANYOFSINOPEC一般动设备施工技术方案-1-1.工程概况1.1茂名石化25万吨/年高压聚乙烯装置由中国石化工程建设公司设计、中国石化第十建设公司施工、齐鲁石化监理公司监理。本装置一般动设备包括泵类设备72台,风机类设备14台。由于本装置工程量大,布局紧凑,施工周期短,因而安装工作存在一定难度。为保证安全、高质量、顺利的完成安装施工任务并为下一步的单机试车工作奠定基础,特编制本技术方案以参照执行。1.2本装置一般动设备参数见附表1。2.编制依据2.1《压缩机、风机、泵安装工程施工及验收规范》GB50275-98;2.2《化工机器设备安装施工及验收规范(通用规定)》HGJ203-83;2.3《化工机器设备安装施工及验收规范(化工用泵)》HGJ207-83;3.施工前准备3.1施工前应具备下列技术文件:3.1.1施工图纸、使用说明书、产品合格证、装箱清单;3.1.2设备开箱检查交接记录;3.1.3基础验收交接记录。3.2施工人员在施工前应熟悉装置的工艺要求,掌握设备的性能及运行条件,明确设备的结构特点及特殊工艺要求;并核对设备的规格、型号、工艺位号,检测设备的安装方位、基础标高及几何尺寸等是否与设计一致。3.3施工前应将必要的拆装工具、检测工具、消耗材料、垫铁、地脚螺栓、吊装工具准备齐全。施工现场应清洁、无杂物、道路畅通,并具备良好的照明条件。4.机泵的安装4.1机泵的一般安装程序安装前的准备开箱检验基础验收及处理垫铁设置安装机泵就位、初找正二次灌浆机泵找正、找平地脚螺栓孔灌浆联轴器对中工艺管道安装联轴器对中复测中国石化集团第十建设公司新建25万吨/年高压聚乙烯装置THETENTHCONSTRUCTIONCOMPANYOFSINOPEC一般动设备施工技术方案-2-4.2设备开箱检验4.2.1设备到货后,由物资供应部组织工程管理部、质安部及施工班组,会同齐鲁监理、甲方物装部、供货商对设备进行开箱检验。4.2.2设备开箱检查验收必须在合适的地点(厂房或库房中),若因条件限制,在漏天场地开箱时,必须有妥善的防雨、水等措施,以免开箱后损坏设备。4.2.3设备开箱检查验收的内容和要求如下:⑴核对机泵的名称、型号、规格是否与设备图纸及设计图纸相符,并检查包装箱号、箱数、包装状况。⑵按装箱单检查随机资料、产品合格证、零部件及专用工具是否齐全,有无缺陷。⑶对设备的主体进行外观检查,其外漏部分不得有裂纹、锈蚀、碰伤等缺陷。⑷设备的防护包装,应在施工需要时拆除,不得过早拆除。⑸设备的转动和滑动部件在防锈涂料未清洗前,不得转动和滑动。⑹对设备检查和验收后,应提交相关人员汇签的检验记录及验收报告。4.2.4验收后的设备及零部件应可靠保管,以防丢失或损坏。对设备的出入口法兰均应妥善封闭,以防异物进入。4.2.5对不需要安装和安装时不用的零件、部件、附件、附属材料和技术资料在检查后交给使用单位。4.2.6检验完毕,应做好记录,发现问题及时提出,并办理移交手续。4.3基础验收及处理4.3.1基础验收的条件基础验收时会同土建专业工程师和安装各专业技术负责人及施工班组联合进行。基础验收应具备的条件如下:⑴土建施工单位已提交基础实测记录和必要的竣工图、说明及质量证明文件;⑵基础混凝土强度达到设计强度的75%以上;⑶基础表面和地脚螺栓预留孔中的油污、碎石、泥土、积水等均清除干净;⑷基础上明显标出标高基准线和纵横中心线,并标识出设备位号;⑸必要的检测器具按要求准备齐全。4.3.2基础验收标准⑴基础表面清理干净,无裂纹、蜂窝、空洞、露筋等缺陷,预埋地脚螺栓保护完好,预留孔洞内无杂物积水;中国石化集团第十建设公司新建25万吨/年高压聚乙烯装置THETENTHCONSTRUCTIONCOMPANYOFSINOPEC一般动设备施工技术方案-3-⑵按土建基础图及设备技术文件,对基础的尺寸及位置进行检查,其允许偏差见表4-1所示。基础允许偏差表4-1序号检查内容允许偏差(mm)1基础坐标位置(纵横轴线)±202基础各不同平面的标高-200基础上平面外型尺寸±20凸台上平面外型尺寸-203凹穴尺寸+20每米54基础上平面的水平段(包括地坪上须安装设备的部分)全长10每米55竖向偏差全长20标高(顶端)+2006预埋地脚螺...

1、当您付费下载文档后,您只拥有了使用权限,并不意味着购买了版权,文档只能用于自身使用,不得用于其他商业用途(如 [转卖]进行直接盈利或[编辑后售卖]进行间接盈利)。
2、本站所有内容均由合作方或网友上传,本站不对文档的完整性、权威性及其观点立场正确性做任何保证或承诺!文档内容仅供研究参考,付费前请自行鉴别。
3、如文档内容存在违规,或者侵犯商业秘密、侵犯著作权等,请点击“违规举报”。

碎片内容

一般动设备方案

确认删除?
VIP
微信客服
  • 扫码咨询
会员Q群
  • 会员专属群点击这里加入QQ群
客服邮箱
回到顶部