电脑桌面
添加小米粒文库到电脑桌面
安装后可以在桌面快捷访问

换热站工程室外管线施工方案新VIP专享VIP免费

换热站工程室外管线施工方案新_第1页
1/35
换热站工程室外管线施工方案新_第2页
2/35
换热站工程室外管线施工方案新_第3页
3/35
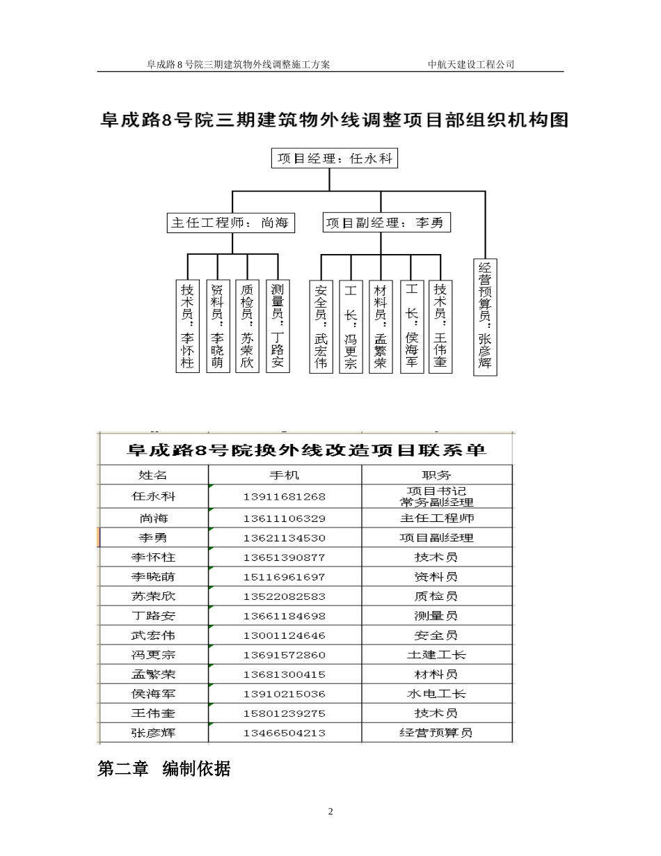
中航天建设工程公司阜成路8号院三期建筑物外线调整施工方案中航天建设工程公司二O一O年三月阜成路8号院三期建筑物外线调整施工方案中航天建设工程公司目录第一章组织机构及人员联系单.......................-2-第二章编制依据...................................-3-第三章工程概况...................................-3-第四章施工方案...................................-4-第五章质量、安全措施............................-29-第六章施工部署及进度计划........................-30-第七章施工进度及保证措施.........................-32-第八章雨季施工措施...............................-35-第一章组织机构及人员联系单1阜成路8号院三期建筑物外线调整施工方案中航天建设工程公司第二章编制依据2阜成路8号院三期建筑物外线调整施工方案中航天建设工程公司一、设计图纸文件《新建换热站附近给水排水总平面图及说明》中国航天建筑设计研究院《幼儿园附近新增排水管线及拆除管线示意图》(中国航天建筑设计研究院《配合阜成路8号院三期建筑物外线调整图》中国航天建筑设计研究院二、施工规程、规范、验收标准以及图集《排水检查井》(02S515)《钢筋混凝土化粪池》(03S702)《建筑给水及采暖工程施工质量验收规范》GB50242-2002《市政排水管渠工程质量检验评定标准》CJJ3-97《室外热力管道安装》03R41-1《室外热力管道地沟》03R411-2《室外管道直埋敷设》05R410《室外热力管道支座》97R412《管道与设备绝热-保温》08R418-1第三章工程概况一、工程总体概况工程名称:阜成路8号院三期建筑物外线调整建设单位:中国航天科技集团公司中国航天科工集团公司3阜成路8号院三期建筑物外线调整施工方案中航天建设工程公司设计单位:中国航天建筑设计研究院总承包单位:中航天建设工程公司本工程位于北京市海淀区阜成路8号院内该外线工程包括新增管道敷设,新建管沟,检查井,入户井,化粪池等管线附属构筑物。二、工程概况管线改造工程管线改造包括新增管线的敷设及其附属设施的建设。新增管线:原有换热站南侧雨、污水管道,新建幼儿园西侧路上排污管道,西区及东区采暖、空调、生活热水管道。新增管线敷设:包括沟槽的开挖,管道安装,沟槽回填,并对其路面进行恢复。管线附属构筑物施工:雨、污、热水检查井,热力站入户井的砌筑,热水管沟的砌筑。化粪池工程新建12HC型化粪池,长度12m,宽度3.2m,高度3.7m,覆盖土厚度1.9m,为钢筋混凝土浇注。第四章施工方案管道及其构筑物施工4阜成路8号院三期建筑物外线调整施工方案中航天建设工程公司(一)、施工测量1.工程开工前对设计交的导线点和水准点进行复核,复核无误后报监理审批才能使用。2.根据施工图对沟槽中线进行测设,测量完成后报监理工程师检查合格才能开挖沟槽。并作好高程控制桩,以便对沟槽开挖进度进行检查。(二)、沟槽土石方开挖1.根据设计图纸、文件、施工规范,按照施工测量、放线结果视沟槽深度、土质,地下水情况,选定开槽断面和沟槽边坡。本工程根据现场条件土方沟槽按1:0.33进行放坡,原有地面为混凝土块材及10cm混凝土垫拆除,沟槽工作面宽度按《给水排水管道工程施工及验收规范》非金属管道加工作面,即按混凝土垫层的外边每边加0.5米的工作面作为施工操作宽度进行沟槽的开挖,开挖深度化粪池西侧雨水和污水管平均埋3m深,化粪池东侧管线平均2.5m埋深。如受现场条件限制,放坡不足时,采用坡脚短桩和横隔支撑,以防止沟槽土石的坍塌。5阜成路8号院三期建筑物外线调整施工方案中航天建设工程公司土(石)方沟槽开挖断面示意图2.在大开挖段先将场地围护后才能进行沟槽的开挖,边坡周边进行维护,维护采用脚手管搭设外挂密布网,密布网与维护架连接牢固,非工作人员禁止入内。6阜成路8号院三期建筑物外线调整施工方案中航天建设工程公司3.因本阶段工程施工有雨水,故在沟槽开挖后采取在槽内开挖明沟排水或设置土埂阻水等方法,槽底有水时,在槽底边沿挖一条200×200mm的排水沟将水排至最低凹处,开挖一个300×500mm集水坑(间隔50米左右一个),集水坑的水位达到一定高度后用潜水泵将水从坑内抽出,排...

1、当您付费下载文档后,您只拥有了使用权限,并不意味着购买了版权,文档只能用于自身使用,不得用于其他商业用途(如 [转卖]进行直接盈利或[编辑后售卖]进行间接盈利)。
2、本站所有内容均由合作方或网友上传,本站不对文档的完整性、权威性及其观点立场正确性做任何保证或承诺!文档内容仅供研究参考,付费前请自行鉴别。
3、如文档内容存在违规,或者侵犯商业秘密、侵犯著作权等,请点击“违规举报”。

碎片内容

换热站工程室外管线施工方案新

确认删除?
VIP
微信客服
  • 扫码咨询
会员Q群
  • 会员专属群点击这里加入QQ群
客服邮箱
回到顶部