电脑桌面
添加小米粒文库到电脑桌面
安装后可以在桌面快捷访问

现浇箱梁支架预压方案VIP免费

现浇箱梁支架预压方案_第1页
1/17
现浇箱梁支架预压方案_第2页
2/17
现浇箱梁支架预压方案_第3页
3/17
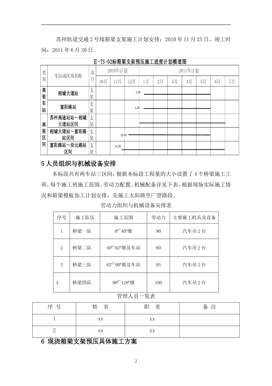
现浇箱梁支架预压施工方案1工程概况苏州市轨道交通2线总体呈南北走向,线路起于相城区京沪高速铁路苏州北站,经平江新城、石路商业区、沧浪新城,终于吴中区迎春南路,线路全长26.556km,全线设22座车站。本合同段箱梁结构形式分为简支箱梁和连续箱梁两种,均为单箱单室结构,箱梁标准断面梁高1.8m,顶板宽9.30m,底板宽4.176m;变截面段梁高度1.8~3.0m。箱梁共计128跨,其中跨径30m简支梁70跨,跨径35m简支梁5跨,跨径32m简支梁21跨,跨径25m简支梁3跨,跨径35+50+35m连续梁5联,跨径44+44m连续梁1联,跨径30+30+30m连续梁1联。现浇箱梁支架采用碗扣式满堂支架施工,支架预压材料采用砂袋。2编制依据1、《钢管满堂支架预压技术规程》JGJ/T194-20092、《建筑施工碗扣式钢管脚手架安全技术规范》(JGJ130)3、我单位编制的《苏州轨道交通2号线实施性施工组织设计》。4、《建筑施工高处作业安全技术规范》5、《建筑施工安全检查标准》6、苏州市施工企业《危险性较大工程安全专项施工方案编制及专家论证审查办法》7、《建筑施工模板安全技术规范》(《JGJ162-2008》)8、施工图设计3施工准备工作3.1材料准备根据箱梁支架预压方案所采用的材料(砂袋预压)和预压方法计算预压材料所需数量,编制材料进场计划,由项目部物资部按时采购。3.2施工机械准备根据工期要求以及施工场地情况,合理安排各种机具的进场计划,使用前进行调试工作,确保机械性能良好。4施工进度安排1苏州轨道交通2号线箱梁支架施工计划安排:2010年11月25日,竣工时间:2011年6月30日。5人员组织与机械设备安排本标段共有两车站三区间,根据本标段工程量的大小设置了4个桥梁施工工班,每个施工班施工范围、劳动力配置、机械配备详见下表,根据现场实际施工情况和箱梁模板加工计划安排,先施工太阳路至广登路段。劳动力组织与机械设备安排表序号施工队伍施工范围劳动力主要施工机具及设备1桥梁一队0#~40#墩90汽车吊2台2桥梁二队40#~62#墩及车站80汽车吊2台3桥梁三队62#~90#墩及车站95汽车吊2台4桥梁四队90#~128#墩100汽车吊2台管理人员一览表序号姓名职责备注1xxxx2xxxx6现浇箱梁支架预压具体施工方案26.1现浇箱梁支架预压施工流程支架验收→标高测量→砂袋就位→加载60%→沉降变形观测→加载80%→沉降变形观测→加载120%→沉降变形观测→表面覆盖→卸载→标高调整6.2现浇箱梁支架预压方案6.2.1现浇箱梁支架预压目的(1)检验支架及地基的强度和稳定性;(2)消除整个支架的塑性变形;(3)消除地基的沉降变形;(4)量测支架的弹性变形。为检验现浇箱梁模板的安全性和实际变形量,通过预压消除结构非弹性变形同时取得模板弹性变形的实际数值,得出荷载-挠度曲线,并检验设计计算结果调整预拱度(或反拱),以求得现浇箱梁施工的准确参数。提前发现支架结构及构件加工、安装所存在的问题和隐患,提前调整整改,防患于未然。模板预拱度的调整通过调整模板支撑顶托完成。模板弹性变形应根据预压变形测量结果绘制沉降曲线,并结合模板的设计拱度和实际支撑变形来确定。模板安装完毕后,对其进行预压,支架预压采用砂袋法。考虑到混凝土振捣产生的动荷载及小型机具等荷载,预压荷载按混凝土实体重力的1.2倍考虑,预压期不小于3d。考虑梁体自重、地面下沉及支架的弹性和非弹性变形等因素影响,按设计要求对支架进行预压。在箱梁模板安装完毕,以箱梁等重量的沙袋对支架及基础进行预压,支架变形及地基压缩量主要考虑以下因素:=1+2+3+4+51---箱梁自重产生的弹性变形2---支架弹性压缩量3---支架与方木,方木与钢模板,支架与枕木之间的非弹性压缩量4---支架基础地基的弹性压缩量5---支架基础地基的非弹性压缩量3通过预压施工,可以消除3,5的影响,在底模安装时,其预拱度的设置Δ=1+2+4计算,在模板顶面高程控制时加入预拱度数值,Δ值在施工中实测取得。预拱度由跨中向两端逐渐减少。6.2.2现浇箱梁预压程序与步骤为检验支架的弹性变量及检验地基础的承载力,消除因支架竖向非弹性变形对标高的影响,应在底模铺装后,对支架进行预压,采用沙袋预压。支架预压顺序:满堂碗扣式支架、钢管立柱...

1、当您付费下载文档后,您只拥有了使用权限,并不意味着购买了版权,文档只能用于自身使用,不得用于其他商业用途(如 [转卖]进行直接盈利或[编辑后售卖]进行间接盈利)。
2、本站所有内容均由合作方或网友上传,本站不对文档的完整性、权威性及其观点立场正确性做任何保证或承诺!文档内容仅供研究参考,付费前请自行鉴别。
3、如文档内容存在违规,或者侵犯商业秘密、侵犯著作权等,请点击“违规举报”。

碎片内容

现浇箱梁支架预压方案

您可能关注的文档

确认删除?
VIP
微信客服
  • 扫码咨询
会员Q群
  • 会员专属群点击这里加入QQ群
客服邮箱
回到顶部