电脑桌面
添加小米粒文库到电脑桌面
安装后可以在桌面快捷访问

土木工程制图模拟试题1VIP专享VIP免费

土木工程制图模拟试题1_第1页
1/11
土木工程制图模拟试题1_第2页
2/11
土木工程制图模拟试题1_第3页
3/11
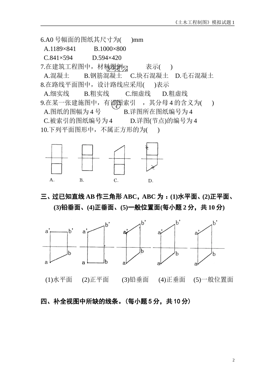
《土木工程制图》模拟试题1土木工程制图模拟试题1一、填空题(每空1分,共10分)1.轴测图或_____________不能直接反映物体的形状尺寸,在工程上只作辅助图样。2.点A的坐标为(10,15,20),则该点在H面上方___________。3._________的水封将隔绝和防止有害、易燃气体及虫类通过卫生器具泄水口侵入室内。4.水平线的H投影反映直线的实长及对_______________投影面的倾角。5.两个正垂面的交线为________________线。6.在结构平面布置图中,构件代号L表示______________。7.在曲面上取点,可作辅助圆的前提是曲面为______________。8.在建筑施工图中所标注的尺寸数字,其单位为_____________。9.求H面平行线的透视方向时,要确定直线的迹点和_____________。10.用投影变换求点到一般平面的距离时,应把平面变成_____________来求。二、单项选择题(在每小题的四个备选答案中,选出一个正确答案,并将正确答案的序号填在题干的括号内。每小题1分,共10分)1.钢筋混凝土梁详图常用的比例为()A.1∶1、1∶2、1∶5B.1∶10、1∶20、1∶50C.1∶100、1∶150、1∶200D.1∶200、1∶250、1∶5002.某直线的H面投影反映实长,该直线为()A.水平线B.正平线C.铅垂线D.正垂线3.在建筑装饰施工图中,吊顶平面应采用()来表示A.顶视图B.底视图C.平面图D.镜像平面图4.平面与正圆锥面截交,当截交线为椭圆时,截平面的位置为()A.平行于圆锥面上一素线B.平行于圆锥面上两素线C.与圆锥面上所有素线相交D.垂直于圆锥轴线5.钢筋混凝土构件详图表达的主要内容包括配筋、结构构造以及()A.建筑装饰构造B.预埋件及预留孔C.厨卫设施的构造D.结构构件的布置1《土木工程制图》模拟试题16.A0号幅面的图纸其尺寸为()mmA.1189×841B.1000×800C.841×594D.594×4207.在建筑工程图中,材料图例表示()A.混凝土B.钢筋混凝土C.块石混凝土D.毛石混凝土8.在路线平面图中,设计路线应采用()表示A.细实线B.粗实线C.细虚线D.粗虚线9.在某一张建施图中,有详图索引,其分母4的含义为()A.图纸的图幅为4号B.详图所在图纸编号为4C.被索引的图纸编号为4D.详图(节点)的编号为410.下列平面图形中,不属正方形的为()三、过已知直线AB作三角形ABC,ABC为:(1)水平面、(2)正平面、(3)铅垂面、(4)正垂面、(5)一般位置面(每小题2分,共10分)(1)水平面(2)正平面(3)铅垂面(4)正垂面(5)一般位置面四、补全视图中所缺的线条。(每小题5分,共10分)2《土木工程制图》模拟试题11.2.五、补第三视图。(每小题6分,共12分)1.补左视图2.补前视图六、求两平面的交线并判定可见性。(共8分)3《土木工程制图》模拟试题1七、求作带切口的四棱柱的H、W投影。(共10分)4《土木工程制图》模拟试题1八、求作穿孔圆锥的H、W投影。(共10分)5《土木工程制图》模拟试题1九、已知三棱锥顶点K、底ABC,高为25mm,求作该立体的两面投影。(只作一解,要判定可见性,共10分)十、补全梁的断面2—2,3—3及钢筋分离图。(共10分)6《土木工程制图》模拟试题17《土木工程制图》模拟试题1土木工程制图模拟试题1标准答案一、填空题(每小题1分,共10分)1.透视图2.203.存水弯4.V、W5.正垂6.梁7.回转面8.mm9.灭点10.垂直面二、单项选择题(每小题1分,共10分)1.B2.A3.D4.C5.B6.A7.B8.B9.C10.C三、过已知直线AB作三角形ABC,ABC为:(1)水平面、(2)正平面、(3)铅垂面、(4)正垂面、(5)一般位置面(每小题2分,共10分)8《土木工程制图》模拟试题1四、补全视图中所缺的线条。(每小题5分,共10)未画全适当给分五、补第三视图。(每小题6分,共12分)未画全适当给分六、求两平面的交线并判定可见性。(8分)9《土木工程制图》模拟试题1七、求作带切口的四棱柱的H、W投影(10分)。八、求作穿孔圆锥的H、W投影(10分)。九、已知三棱锥顶点K、底ABC,高为25mm,求作该立体的两面投影。(只作一解,要判定可见性)(10分)。10《土木工程制图》模拟试题1十、补全梁的断面2—2,3—3及钢筋分离图。11

1、当您付费下载文档后,您只拥有了使用权限,并不意味着购买了版权,文档只能用于自身使用,不得用于其他商业用途(如 [转卖]进行直接盈利或[编辑后售卖]进行间接盈利)。
2、本站所有内容均由合作方或网友上传,本站不对文档的完整性、权威性及其观点立场正确性做任何保证或承诺!文档内容仅供研究参考,付费前请自行鉴别。
3、如文档内容存在违规,或者侵犯商业秘密、侵犯著作权等,请点击“违规举报”。

碎片内容

土木工程制图模拟试题1

确认删除?
VIP
微信客服
  • 扫码咨询
会员Q群
  • 会员专属群点击这里加入QQ群
客服邮箱
回到顶部